Sostieni il forum con una donazione! Il tuo contributo ci aiuterà a rimanere online!
Immagine

Marshall 3005H:rifacciamogli l'anima

...per cercare o proporre modifiche agli amplificatori
Rispondi
Avatar utente
Kene
Diyer
Diyer
Messaggi: 121
Iscritto il: 12/08/2015, 17:32
Località: Torrazzacoste (PV)

Marshall 3005H:rifacciamogli l'anima

Messaggio da Kene » 17/12/2017, 22:00

Cari ragazzi, eroi di DiyItalia! :salu:
È a tutti Voi che mi rivolgo per intraprendere una piccola avventura che mi farebbe piacere divenisse collegiale.
Nel senso che ognuno possa contribuire a sviluppare questa mia idea mettendoci un qualsiasi cosa di suo:una modifica,un circuitino,un'opinione,un contributo che possa portare a termine un progettino abbastanza piccolino,ma che già di per se racchiude una sua spiccata personalità già di sua natura.
Poi se la cosa interessa pochi o nessuno,pazienza,mica deve piacere per forza.Io la butto lì,poi si vedrà.
Neanche un mesetto fa,riportai su dalla cantina una vecchia testatina Marshall,op-amp+ transistor,ossia la 3005H.
Chi è un po' stagionato come me potrebbe ricordarsi della pubblicità su una nota rivista di chitarre americana,in cui appariva Kirk Hammett intento a scaldarsi on stage con quello stack piccolino ma al dedur dal testo,sì grintoso.
Che poi in realtà sì grintoso non lo era per niente.
Mi venne un'idea: ma perché non rifargli proprio l'anima?
Non dico frankensteinizzarlo,magari anche,ma perché non dargli quella grinta bastarda che trapelava dalla pubblicità e che poi in realtà non è che ne mostrava cosi tanta?
Premetto che io sono abbastanza un cane in elettronica,ma garantisco fantasia incondizionata.
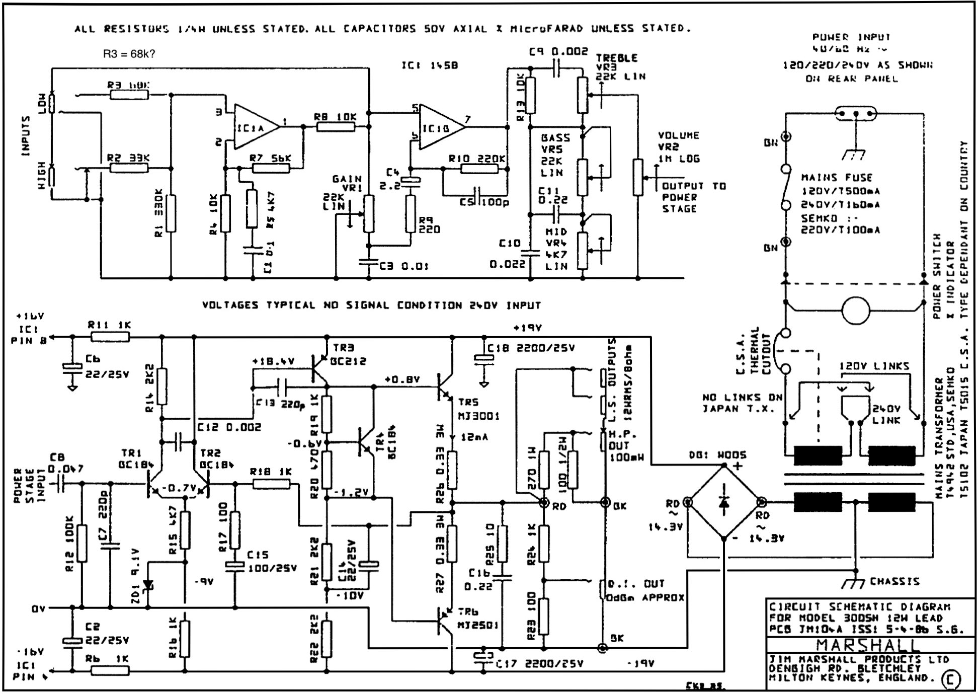
Schema:
000.jpg
Parto io:
Propongo che la cassa che gli darà voce sia una 2x12".Celestion
Proporrei anche uno stadio buffer in ingresso in puro op-Amp
IMG_0055.GIF
IMG_0055.GIF (1.2 KiB) Visto 48393 volte
:salu:
Diyer a pezzi!

Avatar utente
Kene
Diyer
Diyer
Messaggi: 121
Iscritto il: 12/08/2015, 17:32
Località: Torrazzacoste (PV)

Re: Marshall 3005H:rifacciamogli l'anima

Messaggio da Kene » 18/12/2017, 4:26

:salu:
Salve ragazzi,
Ovviamente per la mia proposta di modifica dell'inserzione del buffer all'ingresso,la prima domanda viene spontanea:ne vale la pena?
Da quel che ho letto nel forum di Diy in generale su questo argomento e per questo tipo di applicazione a me parrebbe di sì.
Il buffer dovrebbe essere trasparente in guadagno e colore, e risolvere quanto meno il problema dei cavi lunghi di ingresso che inevitabilmente si portano con se le loro capacità parassite.Domanda: la distanza tra la fonte (Pick-up) e l'ingresso del buffer quando diventa eccessiva?(...ecco il riferimento a "ne vale la pena?)
E poi starà bene prima o dopo il primo stadio?
Mano al saldatore ,non resta che provare.
Altro problema che si pone deriva dall'introduzione di un op-amp in più,magari doppio o quadruplo che aggiunge consumo di corrente.Ce la farà il ns.TA a sopportarlo, o bisognerà provvedere a sostituirlo?
:salu:
Via alle danze.
Come si prova la corrente massima erogabile da un TA?
Diyer a pezzi!

Avatar utente
raf71
Diyer Eroe
Diyer Eroe
Messaggi: 989
Iscritto il: 12/08/2010, 17:24
Località: Pozzuoli (NA)

Re: Marshall 3005H:rifacciamogli l'anima

Messaggio da raf71 » 18/12/2017, 13:04

Ciao Kene.
Per il TA, dallo schema il fusibile sulla 220V è da 100mA, quindi la potenza dovrebbe essere da 22W circa. Potresti sempre optare per un 15-0-15 da 30 o più watt se ne hai bisogno.
Per il preamp si potrebbe cambiare la resistenza R8 portandola da 10k a 4,7k o meno, per dare più segnale al secondo stadio. Senza nemmeno staccarla dal circuito, salda una res da 10k in parallelo e vedi che succede.

Saluti
Raffaele
Napoletani si nasce.....

Avatar utente
Kene
Diyer
Diyer
Messaggi: 121
Iscritto il: 12/08/2015, 17:32
Località: Torrazzacoste (PV)

Re: Marshall 3005H:rifacciamogli l'anima

Messaggio da Kene » 18/12/2017, 18:13

Wow,raf,tipico dello smanettone venire subito al sodo! :ok_1:
Bravo!Mi piacciono i tipi decisi! :salu:
Appena torno voglio provare subito la mod.Sai,a volte basta poco e ti cambia al volo le regole in gioco,chissà!
Tendo comunque a precisare che chiunque voglia contribuire con una sua ideozza deve
farlo esprimendosi nella sua massima libertà di gusto e stile,senza l'obbligo di sentirsi trainato emotivamente dalle varie scelte e tendenze che ne possano scaturire,fermo restando il carattere progettuale della testata,poco adatta a suonarci "vola colomba".
Scusate la parentesi,scusa raf,dunque dicevi che allora,all'occorrenza,una decina,quindicina di watts potrebbero bastare,magare per infilargli un buffer,un Send/Retun o un rivrbero a molla,ovviamente senza toccare il finale,che quello ciuccia.
Che ne pensi del buffer,lo troveresti utile?
Diyer a pezzi!

Avatar utente
raf71
Diyer Eroe
Diyer Eroe
Messaggi: 989
Iscritto il: 12/08/2010, 17:24
Località: Pozzuoli (NA)

Re: Marshall 3005H:rifacciamogli l'anima

Messaggio da raf71 » 18/12/2017, 20:09

Il buffer proprio non saprei. Reverbero e send/return perchè no. Il reverb dopo il ts, ci aggiungi uno stadio sommatore, dopo questo il s/r.
Napoletani si nasce.....

Avatar utente
Kene
Diyer
Diyer
Messaggi: 121
Iscritto il: 12/08/2015, 17:32
Località: Torrazzacoste (PV)

Re: Marshall 3005H:rifacciamogli l'anima

Messaggio da Kene » 18/12/2017, 23:12

Ciao raf, :salu:
Il buffer "proprio non saprei" detto da te,mi sa che non ti piace come idea.Magari sto solo :lol1: lando. :face_green:
Trovo molto beautiful i s/r dopo il ts.
Con un TL 072 o meglio un OPA2134PA,fatto apposta per l'audio,potrei risolvere,senza troppo alzare i consumi.
:salu:
E già di carnina sul fuocherello un po' c'è ne!
Ma ricordiamo che dobbiamo cambiargli l'anima!
Qualcosa deve spingersi al di là dei soliti accessori:voce,dinamica.......
:salu:
Diyer a pezzi!

Avatar utente
raf71
Diyer Eroe
Diyer Eroe
Messaggi: 989
Iscritto il: 12/08/2010, 17:24
Località: Pozzuoli (NA)

Re: Marshall 3005H:rifacciamogli l'anima

Messaggio da raf71 » 20/12/2017, 20:30

Ciao Kene.
Non è che i buffer non mi piacciono, solo che in ingresso all'ampli, dopo il jack per intenderci, non ne vedo l'utilità.

Per quanto riguarda il cambiare l'anima dell'ampli, non vedo altra soluzione che stravolgere il preamp aggiungendo magari altri stadi per farlo arrabbiare. Che so....un ts9 in ingresso?
Napoletani si nasce.....

Avatar utente
Kene
Diyer
Diyer
Messaggi: 121
Iscritto il: 12/08/2015, 17:32
Località: Torrazzacoste (PV)

Re: Marshall 3005H:rifacciamogli l'anima

Messaggio da Kene » 21/12/2017, 0:22

:salu:
Hippiyaye!,raf,questa per me è musica!
Però non vale,mi tocchi sulle corde giuste!Non posso non essere influenzato da una proposta simile!Abbiamo gli stessi gusti!
In effetti sul buffer,ripensandoci,hai ragione.Non ha per niente senso.Ne hai mai visti tu,in uno schema di qualche ampli in giro?Personalmente ,io,mai.Magari se ne potrebbe discutere più avanti per un'interstadio?
Da buon neofita , la mia strategia di proposta in fondo non è che un modo per sapere se ha senso metterlo o meno.
Come ce lo infileresti in ingresso il ts9 nel circuito,amputazione,integrazione.....come?
:salu:
Diyer a pezzi!

Avatar utente
raf71
Diyer Eroe
Diyer Eroe
Messaggi: 989
Iscritto il: 12/08/2010, 17:24
Località: Pozzuoli (NA)

Re: Marshall 3005H:rifacciamogli l'anima

Messaggio da raf71 » 21/12/2017, 9:34

guarda, realizzare un ts9 e collegarlo al pre non dovrebbe presentare problemi. Dipende però da come lo vuoi alimentare. Singola tensione o doppia?
Singola tensione, nel tuo caso 15V, non dovrebbero esserci problemi. Usi uno degli schemi che si trovano in rete.
Doppia tensione, + e -15V, bisogna rivedere lo schema del ts9.
Napoletani si nasce.....

Avatar utente
Kene
Diyer
Diyer
Messaggi: 121
Iscritto il: 12/08/2015, 17:32
Località: Torrazzacoste (PV)

Re: Marshall 3005H:rifacciamogli l'anima

Messaggio da Kene » 22/12/2017, 8:09

:salu:
Beh,raf,alimentazione doppia sarebbe la scelta più ortodossa,sfrutta una situazione già esistente e in teoria dovrebbe semplificare un poco lo schema elettrico,alleggerendolo da tutti quei riferimenti a mezza tensione sugli op-amps,
Però tengo a ribadire che,anche se profondamente condivisa da parte mia,in fondo la proposta è la tua,vedi secondo i tuoi gusti come la faresti.
Magari se mi lanci al volo lo schemino del ts,o mi posti il link,provo a darci un occhio.
Grazie raf! :numb1:
PS.scusa il ritardo nella risposta,ma sono arrivato ieri e il tempo è sempre tiranno.
:salu:
Diyer a pezzi!

alexradium
Diyer Eroe
Diyer Eroe
Messaggi: 777
Iscritto il: 07/06/2011, 14:18

Re: Marshall 3005H:rifacciamogli l'anima

Messaggio da alexradium » 05/04/2018, 11:07

questo è l'originale

https://youtu.be/5jveYTzYFkw

Rispondi