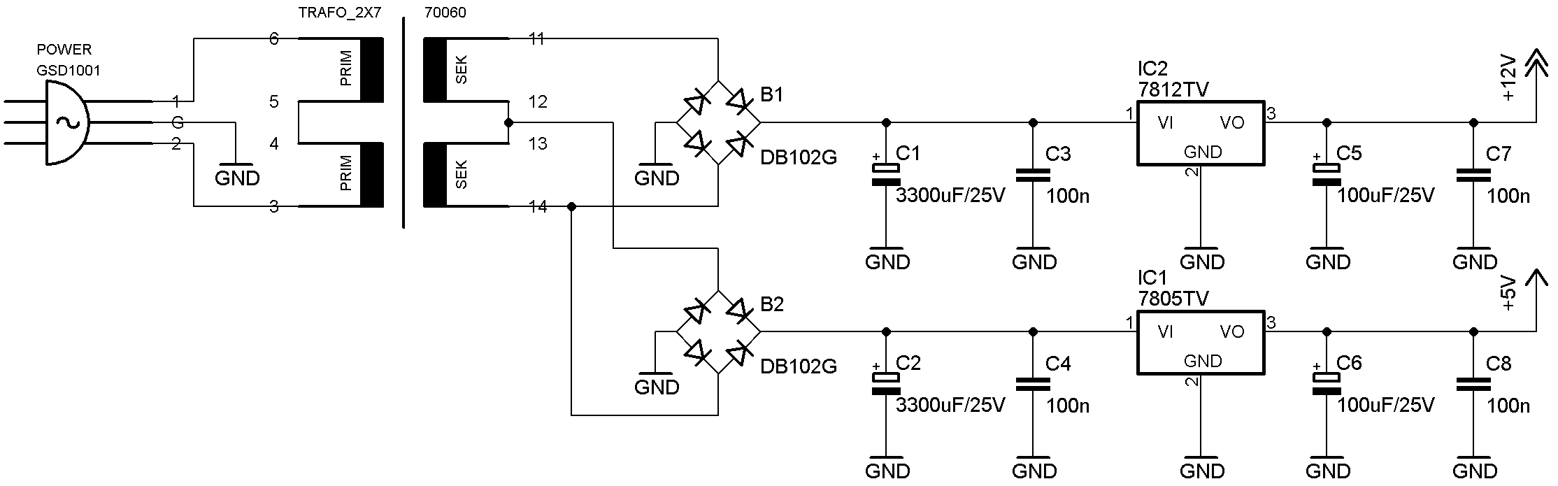
allora, sto lavorando alla sezione di alimentazione del bestione-controllo-midi e mi servono due tensioni stabilizzate in modulo molto diverse fra loro: 12v e 5v.
L'enorme scarto che c'è fra una e l'altra mi portano ad escludere l'ipotesi di metterli in serie 12v -> 5v poiché dovrei disperdere troppo calore.. quindi avevo pensato ad una soluzione alternativa con un trasformatore con due secondari a 7v AC.. secondo voi è fattibile una cosa del genere? praticamente per i 5 volt sfrutto un solo secondario, mentre per i 12v li sfrutto entrambi messi in serie.... non mi sembra vi siano problemi.. ma... io sbaglio sovente!




