Sostieni il forum con una donazione! Il tuo contributo ci aiuterà a rimanere online!
Immagine

CS-3 BOSS LO SWITCH NON CAMBIA L'EFFETTO

Problemi con un effetto? Esponili qui!
Avatar utente
bushman
Diyer Esperto
Diyer Esperto
Messaggi: 356
Iscritto il: 09/03/2009, 21:40

CS-3 BOSS LO SWITCH NON CAMBIA L'EFFETTO

Messaggio da bushman » 11/04/2009, 11:09

CIAO RAGAZZI HO UN PROBLEMA AL MIO PEDALINO BOSS, QUANDO SPINGO LO SWITCH RIMANE SEMPRE ATTIVO L'EFFETTO COMPRESO IL LED, MI SI ERANO STACCATI 2 CAVETTI, NON SO SE LI HO INVERTITI RIMETTENDOLI, NEL CASO MI FARE UNA FOTO AL VOSTRO CS-3 DELLA BOSS PER VEDERE I COLLEGAMENTI DEVI FILETTI COLORATI INTERNI?
OPPURE QUALE PUO' ESSERE IL PROBLEMA?
GRAZIE INFINITE :ok_1:

Avatar utente
bushman
Diyer Esperto
Diyer Esperto
Messaggi: 356
Iscritto il: 09/03/2009, 21:40

Re:CS-3 BOSS LO SWITCH NON CAMBIA L'EFFETTO

Messaggio da bushman » 11/04/2009, 19:00

non mi puo' aiutare nessuno....????

Aulin
Diyer Esperto
Diyer Esperto
Messaggi: 335
Iscritto il: 02/02/2008, 4:38
Località: Messina

Re:CS-3 BOSS LO SWITCH NON CAMBIA L'EFFETTO

Messaggio da Aulin » 11/04/2009, 19:04

mh... che cavetti ti si erano staccati? cmq.. spiega meglio cos'è che fa.. quando schiacci attiva e quando rischiacci non disattiva e rimane attivo, è cosi? ho capito bene? cmq.. di solito questi pedali usando un bypass tramite fet e un circuito a flipflop che viene comandato ad impulsi,se rimane attivo di sicuro il problema è in quella parte di circuito...tu esattamente che gli hai fatto?
MA CHI BOI RAFFAAAA CHI BOOOOIIII????????? UUUUU LAAATTIIIIIIIIII UUUU LAAAATTIIIIIIIIIIIII

Avatar utente
bushman
Diyer Esperto
Diyer Esperto
Messaggi: 356
Iscritto il: 09/03/2009, 21:40

Re:CS-3 BOSS LO SWITCH NON CAMBIA L'EFFETTO

Messaggio da bushman » 11/04/2009, 19:09

ho fatto una modifica, ho cambiato condensatori resistenze e diodi, non credo che il problema deriva da quello, cmq schiacciando on off on off  l'effetto rimane sempre attivo compreso il led.si erano staccati due filetti non ricordavo come erano saldati, e cerco una foto del pedalino smontato per vedere se almeno li ho rimantati bene

Aulin
Diyer Esperto
Diyer Esperto
Messaggi: 335
Iscritto il: 02/02/2008, 4:38
Località: Messina

Re:CS-3 BOSS LO SWITCH NON CAMBIA L'EFFETTO

Messaggio da Aulin » 11/04/2009, 22:07

mh... guarda so che di fili nella board di solito sono solo quelli del pulsante, a volte dei jack se non sono direttamente saldati e quelli del porta pile e dei pot se non sono saldati, cmq. dato che resta accesso ipotizzavo che magari fossero quelli del pulsantee magari nn li hai saldati bene e sono cortocircuitati controlla per bene le saldature!!
MA CHI BOI RAFFAAAA CHI BOOOOIIII????????? UUUUU LAAATTIIIIIIIIII UUUU LAAAATTIIIIIIIIIIIII

Avatar utente
bushman
Diyer Esperto
Diyer Esperto
Messaggi: 356
Iscritto il: 09/03/2009, 21:40

Re:CS-3 BOSS LO SWITCH NON CAMBIA L'EFFETTO

Messaggio da bushman » 12/04/2009, 10:35

ho controllato il pulsante, apre e chiude correttamente,non saprei dove agire.....

Avatar utente
bushman
Diyer Esperto
Diyer Esperto
Messaggi: 356
Iscritto il: 09/03/2009, 21:40

Re:CS-3 BOSS LO SWITCH NON CAMBIA L'EFFETTO

Messaggio da bushman » 12/04/2009, 12:55

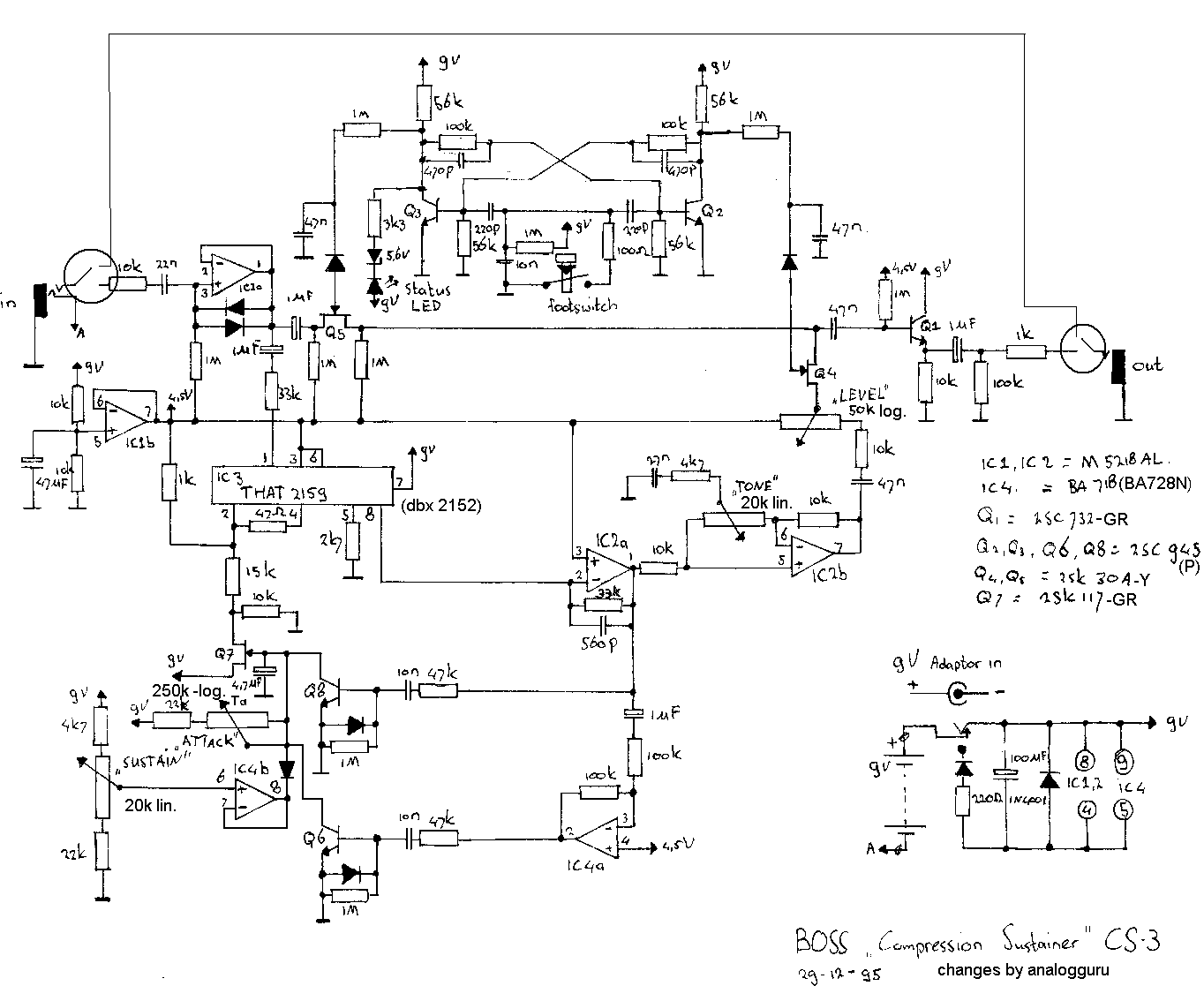
vi posto lo schema vedete che problema puo essere
Allegati
Boss CS-3.gif

Avatar utente
Checco91
Diyer Esperto
Diyer Esperto
Messaggi: 251
Iscritto il: 12/06/2008, 20:55

Re:CS-3 BOSS LO SWITCH NON CAMBIA L'EFFETTO

Messaggio da Checco91 » 12/04/2009, 13:01

Parlo da ignorante!
Ma non vedo l'utilita di quel footswitch!
Teoricamente per fare uno switch da clean a effetto ci vorrebbe un selettore che va dall'ingresso all'uscita diretto!
Ripeto la mia e solo un ipotesi nn sono un esperto!
Brutal Baxist inside!

Avatar utente
bushman
Diyer Esperto
Diyer Esperto
Messaggi: 356
Iscritto il: 09/03/2009, 21:40

Re:CS-3 BOSS LO SWITCH NON CAMBIA L'EFFETTO

Messaggio da bushman » 12/04/2009, 13:06

non ho capito molto bene, cmq il mio problema e che spingendo l'interruttore l'effetto rimane sempre attivo non so cosa c"""" puo' essere ho controllato tutto sara qualche filo invertito, nessuno di voi ha un cs-3 da smontare e fare una foto??

Avatar utente
Checco91
Diyer Esperto
Diyer Esperto
Messaggi: 251
Iscritto il: 12/06/2008, 20:55

Re:CS-3 BOSS LO SWITCH NON CAMBIA L'EFFETTO

Messaggio da Checco91 » 12/04/2009, 13:15

Sempre secondo la mia ignoranza quel footswitch diciamo innesca una sorta di carica e scarica condensatore!
Cmq sia credo che per avere un passaggio da clean a effetto bisogna fare quel collegamento!
Adesso attendiamo risposta dai piu esperti!
Allegati
Boss CS-32.GIF
Brutal Baxist inside!

Avatar utente
bushman
Diyer Esperto
Diyer Esperto
Messaggi: 356
Iscritto il: 09/03/2009, 21:40

Re:CS-3 BOSS LO SWITCH NON CAMBIA L'EFFETTO

Messaggio da bushman » 12/04/2009, 13:22

come dicevo prima ho cambiato qualche condensatore facendo la modifica,  vedo di reinserire i condensatori uno alla volta per vedere quello che va male,intanto aspettiamo i piu' esperti....

Avatar utente
Checco91
Diyer Esperto
Diyer Esperto
Messaggi: 251
Iscritto il: 12/06/2008, 20:55

Re:CS-3 BOSS LO SWITCH NON CAMBIA L'EFFETTO

Messaggio da Checco91 » 12/04/2009, 13:26

ok  :numb1: anke se e difficile!
Facci sapere se cambia qualkosa!
Ultima modifica di Checco91 il 12/04/2009, 14:16, modificato 1 volta in totale.
Brutal Baxist inside!

Avatar utente
bushman
Diyer Esperto
Diyer Esperto
Messaggi: 356
Iscritto il: 09/03/2009, 21:40

Re:CS-3 BOSS LO SWITCH NON CAMBIA L'EFFETTO

Messaggio da bushman » 12/04/2009, 16:12

ho provato a rimettere alcuni condesatori originali, ma nulla sempre uguale poi ho trovato una foto per vedere se i fili erano giusti quelli che mi si erano staccati, e li avevo rimessi bene,adesso vorrei capire l'interruttore dove va ad agire quando viene spinto??

Avatar utente
Zanna
Garzone di Roger Mayer
Garzone di Roger Mayer
Messaggi: 1262
Iscritto il: 27/03/2007, 18:15
Località: Ravenna

Re:CS-3 BOSS LO SWITCH NON CAMBIA L'EFFETTO

Messaggio da Zanna » 12/04/2009, 16:42

Ciao, mi introduco al volo e poi sfuggo nuovamente da questo topic.

Evidentemente c'è qualcosa che non va con il circuito di flip flop.
Controlla i componenti che pilotano Q4 e Q5, i due transistor che "accendono e spengono" il pedale.

Controlla in galleria il topic sulle modifiche al CS3, magari ti è di aiuto.

Ok, mi ritiro.

Ciao!  :ciao:

Zanna

Avatar utente
Checco91
Diyer Esperto
Diyer Esperto
Messaggi: 251
Iscritto il: 12/06/2008, 20:55

Re:CS-3 BOSS LO SWITCH NON CAMBIA L'EFFETTO

Messaggio da Checco91 » 12/04/2009, 16:47

Secondo me l'interruttore serve solo per scaricare il condensatore quando viene connesso!
e non c'è uno switch per il bypass!
In pratica devi immettere un trueBypass! come ti avevo illustrato nello schema!
xke nel caso del footswitch staccato abbiamo un condensatore a massa!  :numb1:
e soprattutto i condensatori non c'entrano con il bypass
Ultima modifica di Checco91 il 12/04/2009, 16:49, modificato 1 volta in totale.
Brutal Baxist inside!

Rispondi