chiedo scusa in anticipo per banalità e/ niubbietà e/o castronerie
_Alex_ ha scritto:
Si, copia il filtraggio della Boss come ti ha consigliato Luix, sono i circuiti elementari che costituiscono gli stabilizzatori.
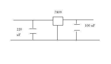
intendete qualcosa tipo questo infigura uno da mettere nel pedale? 
ma non sarebbe come mettere un regolatore di tensione tipo 7809?
e alla fine, non sarebbe meglio risolvere il problema a monte, e cioè nel mio alimentatore?
_Alex_ ha scritto:
Prova anche una piccola choke, di quelle a forma di resistenza.
siccome per ora non ne sono provvisto, si può provare ad usarne una di quelle che si trovano nei pc e farci fare un giro al cavo che arriva dalla rete?
poi visto che ci sono volevo fare un paio di domande:
stamattina ho giocato un pò con visual analyzer, ci ho attaccato il  muff per vedere se con l'analizzatore di spettro si vede qualcosa, centrando un pò tra i 20 e i 500 Hz ho notato che con il mio alimentatore attaccato c'è un picco attorno ai 100 Hz che con l'alimentatore stabilizzato non c'è proprio.
ora la mia domanda è, se prima di arrivare al pedale l'alimentazione passa in un filtro passa basso RC 100 ohm + 47 nF che dovrebbe ammazzare il rumore a 50 hz, il picco a 100 hz non si dovrebbe vedere proprio giusto?
e poi perchè se calcolo la ft del suddetto filtro mi viene fuori tipo 33 kHz e rotti?
qualcosa non mi torna  

 
			
							[align=center][url=http://garageeffects.altervista.org][img]http://garageeffects.altervista.org/_altervista_ht/pics/banner.png[/img][/url][/align]