Matchbox
Re: Matchbox
Intendevo dire proprio ciò che ho scritto!
Sul sito della Hammond ci sono le specifiche del trasformatore e si parla di alta tensione DC e non AC. Idem per i 6.3V.
Questo è il link
http://www.hammondmfg.com/300series.htm
Anche a me sembrava strano ma si parla di RECTIFIER e CAPACITORS...Secondo me è incluso nel circuito un raddrizzatore.
# Secondary: High voltage designed for full wave C.T. use. See chart below (High voltage current is D.C. using C.T. Full Wave rectifier - capacitor input).
E per il "filamento 1" si parla di VAC.
Mi sbaglio?
Ho frainteso?
Sul sito della Hammond ci sono le specifiche del trasformatore e si parla di alta tensione DC e non AC. Idem per i 6.3V.
Questo è il link
http://www.hammondmfg.com/300series.htm
Anche a me sembrava strano ma si parla di RECTIFIER e CAPACITORS...Secondo me è incluso nel circuito un raddrizzatore.
# Secondary: High voltage designed for full wave C.T. use. See chart below (High voltage current is D.C. using C.T. Full Wave rectifier - capacitor input).
E per il "filamento 1" si parla di VAC.
Mi sbaglio?
Ho frainteso?
Re: Matchbox
No problem arossis !!
Hai frainteso ... loro intendevano dire che è fatto per l'utilizzo pure con il full wave rectif !
OK ?!?
Ciao
Hai frainteso ... loro intendevano dire che è fatto per l'utilizzo pure con il full wave rectif !
OK ?!?
Ciao
Antonello
www.antonellocatanese.net
www.myspace.com/virutrio
****************************************
Tom Hess
www.antonellocatanese.net
www.myspace.com/virutrio
****************************************
Tom Hess
Re: Matchbox
Anche sui 6.3V è alternata allora?
E perchè VAC quindi?
Se è davvero alternata come fa a essere collegata direttamente ai filamenti della valvola 4/5/9? Non vanno in continua?
Secondo te lo schema (quello fatto a mano) è corretto?
Azz...Per fortuna lo sta realizzando anche Savatone perchè sennò non ne uscirei pù!
E perchè VAC quindi?
Se è davvero alternata come fa a essere collegata direttamente ai filamenti della valvola 4/5/9? Non vanno in continua?
Secondo te lo schema (quello fatto a mano) è corretto?
Azz...Per fortuna lo sta realizzando anche Savatone perchè sennò non ne uscirei pù!
-
kuba
Re: Matchbox
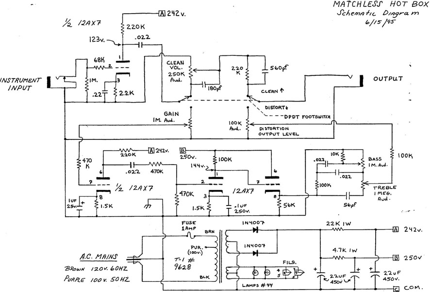
mha.... secondo me c'è qualkosa ke nn va!!!!
guardate lo skema qui
http://www.schematicheaven.com/effects/ ... rdrive.pdf
guardate lo skema qui
http://www.schematicheaven.com/effects/ ... rdrive.pdf
Re: Matchbox
posto qui quello che ho postato su Fennek.
io seguo questo schema (AAA), e qui ci sono due diodi raddrizzatori sul secondario.
mi sembra il più fedele al layout (BBB).
Credo che però raddrizzerò entrambi i secondari del trafo, un pò come nell'altro schema(CCC).. che dite?
qui poi c'è una lista dei componenti, ma non corrisponde esattamente a nessuno dei 2schemi..
io seguo questo schema (AAA), e qui ci sono due diodi raddrizzatori sul secondario.
mi sembra il più fedele al layout (BBB).
Credo che però raddrizzerò entrambi i secondari del trafo, un pò come nell'altro schema(CCC).. che dite?
qui poi c'è una lista dei componenti, ma non corrisponde esattamente a nessuno dei 2schemi..
- Allegati
-
- Bill of.txt
- (1.29 KiB) Scaricato 240 volte
Ultima modifica di marcasso il 14/11/2006, 21:45, modificato 1 volta in totale.
Re: Matchbox
Allora !
Vediamo di chiarirvi due idee !
Per i FILAMENTI potete O utilizzare la 6,3 VAC così com'è e BASTA ai PIN 4+5 & 9 ! oppure potete RADDRIZZARE la 6,3 VAC e farla diventare VDC per alimentare comunque i filameni in continua anche se insistete a farlo sempre ai pin UGUALI a quelli per l'alternata quando in realtà in continua andrebbero utilizzati 12 VDC ai pin 4-5
OK1 !?
Due l'H.V., se utilizzate un trasformatore a TAP CENTRALE, dovete raddrizzaral con DUE diodi se invece utilizzate un trasfo SENZA tap centrale ci vuole il ponte diodi completo
OK 2?!

Ciaooooooooooooooo1
Vediamo di chiarirvi due idee !
Per i FILAMENTI potete O utilizzare la 6,3 VAC così com'è e BASTA ai PIN 4+5 & 9 ! oppure potete RADDRIZZARE la 6,3 VAC e farla diventare VDC per alimentare comunque i filameni in continua anche se insistete a farlo sempre ai pin UGUALI a quelli per l'alternata quando in realtà in continua andrebbero utilizzati 12 VDC ai pin 4-5
OK1 !?
Due l'H.V., se utilizzate un trasformatore a TAP CENTRALE, dovete raddrizzaral con DUE diodi se invece utilizzate un trasfo SENZA tap centrale ci vuole il ponte diodi completo
OK 2?!
Ciaooooooooooooooo1
Antonello
www.antonellocatanese.net
www.myspace.com/virutrio
****************************************
Tom Hess
www.antonellocatanese.net
www.myspace.com/virutrio
****************************************
Tom Hess
Re: Matchbox
Grazie delle info, adesso si comincia a capire qualcosa di più.EL84 ha scritto: Allora !
Vediamo di chiarirvi due idee !
Per i FILAMENTI potete O utilizzare la 6,3 VAC così com'è e BASTA ai PIN 4+5 & 9 ! oppure potete RADDRIZZARE la 6,3 VAC e farla diventare VDC per alimentare comunque i filameni in continua anche se insistete a farlo sempre ai pin UGUALI a quelli per l'alternata quando in realtà in continua andrebbero utilizzati 12 VDC ai pin 4-5
OK1 !?
Due l'H.V., se utilizzate un trasformatore a TAP CENTRALE, dovete raddrizzaral con DUE diodi se invece utilizzate un trasfo SENZA tap centrale ci vuole il ponte diodi completo
OK 2?!
Ciaooooooooooooooo1

Io userò l'hammond 369EX, quindi userò la 6.3V così com'è e solo due diodi, come da schema.
ok?
Davvero grazie Antonello, sei indispensabile!
Re: Matchbox
Volevo comprare l'alimentatore per cominciare sto preampli e mi chiedevo se ci fossero alternative all'Hammond 369Ex (piuttosto caro).
Il T11 o il T12 di novarria non vanno bene? Quale nel caso dei due?
Sono a TAP centrale?
Ciao ciao
Il T11 o il T12 di novarria non vanno bene? Quale nel caso dei due?
Sono a TAP centrale?
Ciao ciao
Re: Matchbox
Rientra tra i più 'economici'arossis ha scritto: Volevo comprare l'alimentatore per cominciare sto preampli e mi chiedevo se ci fossero alternative all'Hammond 369Ex (piuttosto caro).
Dal lavoro non vedo il sito di NOvarria se mi invii le specifiche tecniche te lo dico !arossis ha scritto: Il T11 o il T12 di novarria non vanno bene? Quale nel caso dei due?
Sono a TAP centrale?
Ciao ciao
Ciao
Antonello
www.antonellocatanese.net
www.myspace.com/virutrio
****************************************
Tom Hess
www.antonellocatanese.net
www.myspace.com/virutrio
****************************************
Tom Hess
Re: Matchbox
Eccole!
TA11 180+180V 0.1A 6.3V 3A / 6.3v 3A
TA12 200+200V 100mA 6.3V 3a / 6.3V 3A / 0.5-6.3V 3A
TA25 200.200V 150mA 6.3V 3A
Al TA11 mancano 10 Volt, il TA12 ne ha 10 di troppo...Non so...
E come potenza bastano?
Spero anche che, se vanno bene, siano più piccoli dell'hammond.
TA11 180+180V 0.1A 6.3V 3A / 6.3v 3A
TA12 200+200V 100mA 6.3V 3a / 6.3V 3A / 0.5-6.3V 3A
TA25 200.200V 150mA 6.3V 3A
Al TA11 mancano 10 Volt, il TA12 ne ha 10 di troppo...Non so...
E come potenza bastano?
Spero anche che, se vanno bene, siano più piccoli dell'hammond.
Re: Matchbox
Il TA12 và benissimo .... inoltre tieni conto che, mentre una tensione un pò + alta la puoi abbassare (aumenti un pò la R del filtro RC dell'alimentazione ) una tensione più bassa resta tale ! 
In più ha pure un 3^ tap che potrebbe sempre far comodo ... sai com'è ....
Vedi gli ingombri prima di ordinarli ... anche se non credo che saranno poi così "+ piccoli"
In più ha pure un 3^ tap che potrebbe sempre far comodo ... sai com'è ....
Vedi gli ingombri prima di ordinarli ... anche se non credo che saranno poi così "+ piccoli"
Antonello
www.antonellocatanese.net
www.myspace.com/virutrio
****************************************
Tom Hess
www.antonellocatanese.net
www.myspace.com/virutrio
****************************************
Tom Hess
Re: Matchbox
Beh, cmq costa meno della metà dell'hammond, mica male!
Grazie antonello, sei sempre indispensabile
Grazie antonello, sei sempre indispensabile
Re: Matchbox
io l'ho ordinato da Novarria, gli ho mandato direttamente il link alla serie 300 Hammond con il riferimento al 369EX e mi ha fatto 29,50 iva inclusa.
visto che non so quanto costa il 369EX Hammond chiedo: sola??
visto che non so quanto costa il 369EX Hammond chiedo: sola??
Re: Matchbox
Sola un tubero! L'Hammond da Tubes.it costa la bellezza di 62€ (forse pure senza iva, non so).marcasso ha scritto: io l'ho ordinato da Novarria, gli ho mandato direttamente il link alla serie 300 Hammond con il riferimento al 369EX e mi ha fatto 29,50 iva inclusa.
visto che non so quanto costa il 369EX Hammond chiedo: sola??![]()
Ti è già arrivato? Se lo deve ancora fare ne ordiniamo due, che dici?
Re: Matchbox
[/quote]
Sola un tubero!
[/quote]
S T R A Q U O T O !! rapporto qualità/prezzo/ ottimo
Sola un tubero!
[/quote]
S T R A Q U O T O !! rapporto qualità/prezzo/ ottimo
Un esperto è un uomo che ha fatto tutti gli errori che si possono fare in un campo molto ristretto - Niels Bohr


