Sostieni il forum con una donazione! Il tuo contributo ci aiuterà a rimanere online!
Immagine

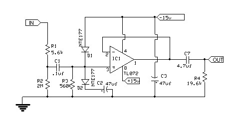
che circuito è questo?

Discussioni di carattere generale sugli effetti analogici e non..
Rispondi
Avatar utente
Dimitree
Diyer Esperto
Diyer Esperto
Messaggi: 425
Iscritto il: 01/09/2006, 23:56

che circuito è questo?

Messaggio da Dimitree » 28/04/2008, 22:15

Ciao ragazzi!
qualcuno puoi spiegarmi come funziona questo circuito qui sotto, in ogni sua parte?
è un buffer? quanto gain da?
Che diodi potrei metterci oltre a quelli indicati?
grazie mille ragazzi
spero sappiate aiutarmi
Dimitri

ps.C7 è elettroliico bipolare
Allegati
circsdd.GIF

Avatar utente
aledjack
Diyer Esperto
Diyer Esperto
Messaggi: 449
Iscritto il: 03/07/2006, 13:22

Re: che circuito è questo?

Messaggio da aledjack » 29/04/2008, 14:37

premetto che non mi avventuro nella spiegazione perchè non essendo una cima in teoria rischierei di dire bestialate  :face_green:
comunque perchè vuoi usare proprio questo circuito alimentato in duale?
Quei diodi dovrebbero esser solo protezioni contro inversioni di polarità, credo che dei 4001 vadano bene ugualmente.

Avatar utente
Dimitree
Diyer Esperto
Diyer Esperto
Messaggi: 425
Iscritto il: 01/09/2006, 23:56

Re: che circuito è questo?

Messaggio da Dimitree » 29/04/2008, 15:32

no non voglio usarlo però vorrei capire il funzionamento ecc. ecc.  :yes:

Avatar utente
Dimitree
Diyer Esperto
Diyer Esperto
Messaggi: 425
Iscritto il: 01/09/2006, 23:56

Re: che circuito è questo?

Messaggio da Dimitree » 02/05/2008, 21:54

qualcuno sa aiutarmi?  :bye2:

Avatar utente
gnogno
Braccio destro di Roger Mayer
Braccio destro di Roger Mayer
Messaggi: 1986
Iscritto il: 15/05/2006, 20:34
Località: Lucerna

Re: che circuito è questo?

Messaggio da gnogno » 02/05/2008, 22:13

E' un buffer
[size=40][b]La funzione Cerca è tua amica[/b][/size]

Avatar utente
Superfuzz
Diyer
Diyer
Messaggi: 215
Iscritto il: 21/01/2008, 13:55
Località: Vaiano (PO)
Contatta:

Re: che circuito è questo?

Messaggio da Superfuzz » 04/05/2008, 22:41

Paolo aka GnognoFasciani ha scritto: E' un buffer
Ehi ma tu sei lo stesso che scrive su freestompboxes.org?
Io lì sono Emanuele!

Avatar utente
gnogno
Braccio destro di Roger Mayer
Braccio destro di Roger Mayer
Messaggi: 1986
Iscritto il: 15/05/2006, 20:34
Località: Lucerna

Re: che circuito è questo?

Messaggio da gnogno » 04/05/2008, 23:05

Sì, di gnogno ce n'è uno solo  :ok_1:
[size=40][b]La funzione Cerca è tua amica[/b][/size]

Avatar utente
Dimitree
Diyer Esperto
Diyer Esperto
Messaggi: 425
Iscritto il: 01/09/2006, 23:56

Re: che circuito è questo?

Messaggio da Dimitree » 04/05/2008, 23:32

Grazie gnogno!
ho visto che nel tutorial c'è il circuito del buffer non invertente che è quasi come questo mio..solo che al posto di Cl nel mio c'è una resistenza.. Cosa cambia? E il fatto che Rin non vada a Vb nel mio dipende dal fatto che si alimenta a +/-15 e non a 9V?

Rispondi