Eko Prince
Re: Eko Prince
Daniele volendo scherzare penso di avere fatto un pasticcio,ho scritto spero che ti scoppi ma volevo dire(spero che non ti scoppi tutto)scusa ma rileggendo ora il secondo messaggio non mi è sembrata molto chiara la correzione,spero di essermi fatto capire,prima di inviare sarà meglio che mi rilegga tutto,dimenticarsi di mettere un(non)cambia cosa si vuole dire,ci mancherebbe che ti auguro che ti esploda l'ampli,ciao.
Re: Eko Prince
...Ma dai ogni tanto qualche allegro scoppiettio rallegra la giornata!!!!
E' bello anche scherzare altrimenti.....
Ciao
E' bello anche scherzare altrimenti.....
Ciao

Leonardo diceva: "L'esperienza è il nome che si dà ai propri sbagli."
Re: Eko Prince
Oggi mi è arrivato il c.s. dalla cina(11 euro spedizione compresa),è sicuramente comodo,ho tirato fuori le mie bellissime 6f6 per presentargliele(al posto delle 6v6)a questo punto è come costruire un ampli in scatola di montaggio(boh non mi affascina!)se usassi le vecchie colonnine!bisogna stare attenti ai collegamenti per evitare autooscillazioni e spiacevoli ronzii ma vogliamo mettere!così la tecnica sparisce.
Re: Eko Prince
Sono alle rifiniture.......ho ricostruito i supporti per le valvole finali.....
Sistemato il condensatore......
Sostituito l'altoparlante "cinese" sospensione morbida con un Steelphone..made in Italy
Ciao
Sistemato il condensatore......
Sostituito l'altoparlante "cinese" sospensione morbida con un Steelphone..made in Italy
Ciao

Leonardo diceva: "L'esperienza è il nome che si dà ai propri sbagli."
- Kagliostro
- Amministratore

- Messaggi: 9949
- Iscritto il: 03/12/2007, 0:16
- Località: Prov. di Treviso
Re: Eko Prince
Ho montato questo regolatore con 6pip da 100ma max che per la parte pre dovrebbe limitare l'eventuale rumore dovuto al ripple specialmente nel phonoo,ora però continuo il provavalvole che ho trascurato
- Kagliostro
- Amministratore

- Messaggi: 9949
- Iscritto il: 03/12/2007, 0:16
- Località: Prov. di Treviso
Re: Eko Prince
Giorgio, che dici, apri un tuo thread, così lasciamo libero da divagazioni quello di Sobas66
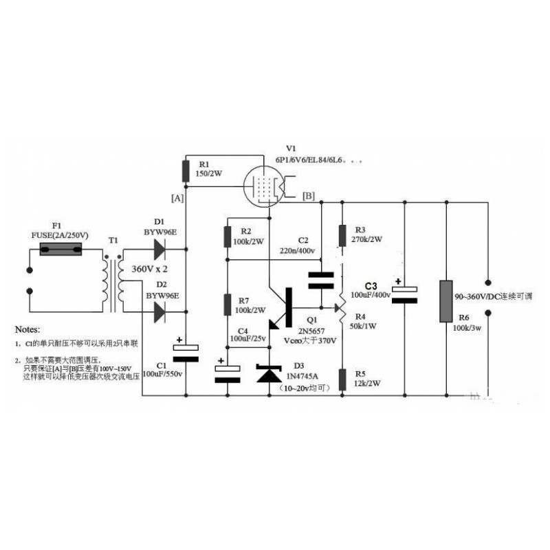
Tra l'altro vorrei vedere lo schema di questo circuitino con 6P1P (... 6P1P o 6pip ??)
K
Tra l'altro vorrei vedere lo schema di questo circuitino con 6P1P (... 6P1P o 6pip ??)
K
Re: Eko Prince
Chiedo scusa per l'intrusione a sobas66,non pensavo di entrare in un sito diciamo privato,thread non so sinceramente cosa significa ma penso sia crearsi diciamo un canale che scrivi ciò che vuoi e se a qualcuno interessa ciò che dici ti risponde,k la valvola è una 6p1p una valvola russa con stesse caratteristiche della el84,impedenza 5k 12w ecc... ma con zoccolatura diversa,con altre valvole ad esempio con le 6l6 si possono avere più ma., si possono mettere valvole in parallelo ecc...ora ne faccio uno con la kt88 e vedo se regge la parte finale con le 6f6,penso che sia meglio stabilzzarla la tensione che fare il classico filtro resistenze condensatori o anche impedenze che con il maggiore assorbimento (specialmente sui bassi) ci sia un calo di tensione perciò di potenza,penso che l'ampli sia più lineare,ok sono un chiaccherone scusate,alla prossima,ciao Daniele.
Re: Eko Prince
....Guarda che quì non disturbi assolutamente....anzi!
Il tread è un nuova discussione che puoi inserire tu con l'argomento che ti piace e verrà trattato specificatamente.....
gli amministratori ti aiuteranno a capire come si fa
Ciao
Il tread è un nuova discussione che puoi inserire tu con l'argomento che ti piace e verrà trattato specificatamente.....
gli amministratori ti aiuteranno a capire come si fa
Ciao

Leonardo diceva: "L'esperienza è il nome che si dà ai propri sbagli."
- Kagliostro
- Amministratore

- Messaggi: 9949
- Iscritto il: 03/12/2007, 0:16
- Località: Prov. di Treviso
Re: Eko Prince
Grazie per lo schema Giorgio
Facciamo così, appena ho un attimo vedo di prendere tutti i tuoi post che non siano direttamente collegati al thread di Sobas66
ed apro io un thread mettendoli tutti lì, in questo modo risulterà più facile, a chi accede al forum, sapere che c'è un thread che tratta
di un certo argomento piuttosto che un'altro
K
Facciamo così, appena ho un attimo vedo di prendere tutti i tuoi post che non siano direttamente collegati al thread di Sobas66
ed apro io un thread mettendoli tutti lì, in questo modo risulterà più facile, a chi accede al forum, sapere che c'è un thread che tratta
di un certo argomento piuttosto che un'altro
K
Re: Eko Prince
okgrazie k poi magari cerco di capirci un po di più,,ho guardato un po e mi è sembrato di capire che per lo più siete interessati a ampli diciamo x chitarre jcm800 ecc.. a me interessa l'hifi(non sono capace nemmeno a suonare l'ocarina)grazie ancora a tutti,buona serata.
Re: Eko Prince
Ormai sono alle rifiniture......
ho dovuto sostituire l'altoparlante a sospensione morbida (e pure cinese...) e ricostruire la tela frontale
Altoparlante steelphone.....
E tela vintage.....
suona che è una meraviglia
Ciao
ho dovuto sostituire l'altoparlante a sospensione morbida (e pure cinese...) e ricostruire la tela frontale
Altoparlante steelphone.....
E tela vintage.....
suona che è una meraviglia
Ciao

Leonardo diceva: "L'esperienza è il nome che si dà ai propri sbagli."
- Kagliostro
- Amministratore

- Messaggi: 9949
- Iscritto il: 03/12/2007, 0:16
- Località: Prov. di Treviso
- Kagliostro
- Amministratore

- Messaggi: 9949
- Iscritto il: 03/12/2007, 0:16
- Località: Prov. di Treviso
Re: Eko Prince
PER GIORGIO
Ho copiato i post che non erano esattamente pertinenti con questo thread in una nuova discussione
da adesso per la discussione di Giorgio si continua sul nuovo thread dal titolo Prova Valvole di Giorgio
lo trovate su questo link http://www.diyitalia.eu/viewtopic.php?f=34&t=10638
nella sezione Strumenti per elettronica
K
Ho copiato i post che non erano esattamente pertinenti con questo thread in una nuova discussione
da adesso per la discussione di Giorgio si continua sul nuovo thread dal titolo Prova Valvole di Giorgio
lo trovate su questo link http://www.diyitalia.eu/viewtopic.php?f=34&t=10638
nella sezione Strumenti per elettronica
K
Re: Eko Prince
Ciao Sobas66,contattami sulle mie email giorgio.stru@hotmail.it che risparmi.

