5f6a bassman - schema montaggio errato?
-
Jazzguitar
- Diyer Esperto

- Messaggi: 254
- Iscritto il: 19/06/2017, 14:20
5f6a bassman - schema montaggio errato?
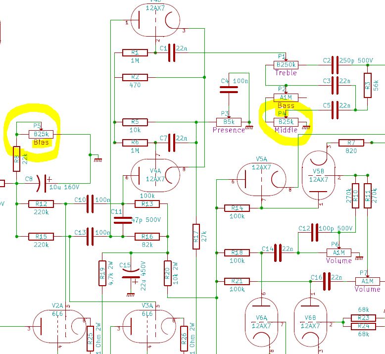
Buonasera amici, sto assemblando il clone 5f6a kit novarria, versione del 2015, con potenziometro per il BIAS, che adesso è stato modificato e sostituito con un trimmer . Vi allego le copie. Durante il montaggio Mi sono accorto che i condensatori elettrolitici denominati "C8 e C9" dello schema di montaggio, sono indicati in figura con la polarità positiva che punta verso massa. Nello schema elettrico che allego, mi sembra che ciò non sia conforme. Potete darmi una mano? Se lascio per come indicato nello schema di montaggio ci può essere il botto?
Grazie e saluti
Grazie e saluti
-
alexradium
- Diyer Eroe

- Messaggi: 777
- Iscritto il: 07/06/2011, 14:18
Re: 5f6a bassman - schema montaggio errato?
lo schema è sbagliato,guarda qualsiasi schema originale Fender.
é una tensione negativa quindi il positivo è rivolto verso massa.
é una tensione negativa quindi il positivo è rivolto verso massa.
Re: 5f6a bassman - schema montaggio errato?
Perdonate la mia ignoranza
...ma la regolazione del bias e soprattutto il circuito del bias a cosa serve?
Nei primi amplificatori fender non era previsto .......
Ciao
Nei primi amplificatori fender non era previsto .......
Ciao

Leonardo diceva: "L'esperienza è il nome che si dà ai propri sbagli."
-
Jazzguitar
- Diyer Esperto

- Messaggi: 254
- Iscritto il: 19/06/2017, 14:20
Re: 5f6a bassman - schema montaggio errato?
Quindi confermi che lo schema di montaggio è corretto? "POSITIVI VERSO MASSA"?
- Kagliostro
- Amministratore

- Messaggi: 9985
- Iscritto il: 03/12/2007, 0:16
- Località: Prov. di Treviso
Re: 5f6a bassman - schema montaggio errato?
La regolazione del bias serve per adattare le valvole (che non sono ovviamente tutte perfettamente identiche) al circuito
in modo da farle lavorare in modo ottimale, nei PP a volte si adottano regolazioni separate per ogni valvola in modo da poter
far lavorare in PP anche valvole non perfettamente accoppiate
(valvole accoppiate bene son quelle che hanno uno scarto max di 5mA di assorbimento l'una dall'altra)
Franco
in modo da farle lavorare in modo ottimale, nei PP a volte si adottano regolazioni separate per ogni valvola in modo da poter
far lavorare in PP anche valvole non perfettamente accoppiate
(valvole accoppiate bene son quelle che hanno uno scarto max di 5mA di assorbimento l'una dall'altra)
Franco
Re: 5f6a bassman - schema montaggio errato?
Ho capito..infatti ricordo un PP di nuova elettronica dove utilizzava una regolazione del bias per ogni valvola
Ma quello che non capisco è il potenziometro della regolazione nel pannello......non andrebbe fatta una volta solo all'istallazione delle valvole nuove?
Ciao
Ma quello che non capisco è il potenziometro della regolazione nel pannello......non andrebbe fatta una volta solo all'istallazione delle valvole nuove?
Ciao

Leonardo diceva: "L'esperienza è il nome che si dà ai propri sbagli."
- Kagliostro
- Amministratore

- Messaggi: 9985
- Iscritto il: 03/12/2007, 0:16
- Località: Prov. di Treviso
Re: 5f6a bassman - schema montaggio errato?
Nel pannello anteriore proprio no, al limite, magari, sul pannello posteriore
e non un pot, ma un trimmer tipo questo, munito di dado per il bloccaggio

--
Comunque non c'è da farsi meraviglia, il noto fornitore pare si stia migliorando, ma siamo ancora distanti dal dare indicazioni esatte
magari per chi ha già una certa esperienza possono anche andare, ma non per chi è alla sua prima o seconda costruzione
Franco
e non un pot, ma un trimmer tipo questo, munito di dado per il bloccaggio

--
Comunque non c'è da farsi meraviglia, il noto fornitore pare si stia migliorando, ma siamo ancora distanti dal dare indicazioni esatte
magari per chi ha già una certa esperienza possono anche andare, ma non per chi è alla sua prima o seconda costruzione
Franco
- ValenteNess
- Neutrino

- Messaggi: 12
- Iscritto il: 29/11/2018, 1:26
- Località: Prov. Livorno
Re: 5f6a bassman - schema montaggio errato?
Ciao a tutti,
anch'io sono alle prese con un kit 5F6A, solito fornitore; a me addirittura hanno inviato un normale potenziometro da 25k, al posto del trimmer, per la regolazione del Bias. Anzi, erano anche invertiti i nomi, tra schema elettrico e schema di montaggio (P4 e P5).
A parte questo, ieri ho acquistato uno strumentino per la regolazione del bias, ma nei giorni scorsi mi stavo documentando sui vari forum, e qui avevo letto il "sistema" della resistenza da 1 ohm - 1W, tra il catodo e massa.
Ora, nel mio schema, questa resistenza c'è già (da 2W) - ovviamente 2, una per valvola.
Vi chiedo se basta misurare la caduta di tensione su queste due resistenze per regolare il bias (in attesa dello strumentino). Ho detto una fesseria?
Grazie in anticipo!
Ciao!
anch'io sono alle prese con un kit 5F6A, solito fornitore; a me addirittura hanno inviato un normale potenziometro da 25k, al posto del trimmer, per la regolazione del Bias. Anzi, erano anche invertiti i nomi, tra schema elettrico e schema di montaggio (P4 e P5).
A parte questo, ieri ho acquistato uno strumentino per la regolazione del bias, ma nei giorni scorsi mi stavo documentando sui vari forum, e qui avevo letto il "sistema" della resistenza da 1 ohm - 1W, tra il catodo e massa.
Ora, nel mio schema, questa resistenza c'è già (da 2W) - ovviamente 2, una per valvola.
Vi chiedo se basta misurare la caduta di tensione su queste due resistenze per regolare il bias (in attesa dello strumentino). Ho detto una fesseria?
Grazie in anticipo!
Ciao!
- ValenteNess
- Neutrino

- Messaggi: 12
- Iscritto il: 29/11/2018, 1:26
- Località: Prov. Livorno
Re: 5f6a bassman - schema montaggio errato?
Rieccolo...
Rileggendomi il primo post, ho trovato un incongruenza simile, riguardo a C15: nello schema di montaggio il (-) va a massa, mentre nello schema elettrico il (+) va a massa.
Chi mi sa dire la configurazione esatta?
Grazie!
Rileggendomi il primo post, ho trovato un incongruenza simile, riguardo a C15: nello schema di montaggio il (-) va a massa, mentre nello schema elettrico il (+) va a massa.
Chi mi sa dire la configurazione esatta?
Grazie!
Re: 5f6a bassman - schema montaggio errato?
Il negativo a massa
Re: 5f6a bassman - schema montaggio errato?
SiValenteNess ha scritto: ↑30/11/2018, 13:24
Ora, nel mio schema, questa resistenza c'è già (da 2W) - ovviamente 2, una per valvola.
Vi chiedo se basta misurare la caduta di tensione su queste due resistenze per regolare il bias (in attesa dello strumentino). Ho detto una fesseria?
Grazie in anticipo!
Ciao!
- ValenteNess
- Neutrino

- Messaggi: 12
- Iscritto il: 29/11/2018, 1:26
- Località: Prov. Livorno
Re: 5f6a bassman - schema montaggio errato?
Grazie Vinceg!vinceg ha scritto: ↑03/12/2018, 18:16SiValenteNess ha scritto: ↑30/11/2018, 13:24
Ora, nel mio schema, questa resistenza c'è già (da 2W) - ovviamente 2, una per valvola.
Vi chiedo se basta misurare la caduta di tensione su queste due resistenze per regolare il bias (in attesa dello strumentino). Ho detto una fesseria?
Grazie in anticipo!
Ciao!
(per entrambe le risposte)
- ValenteNess
- Neutrino

- Messaggi: 12
- Iscritto il: 29/11/2018, 1:26
- Località: Prov. Livorno
Re: 5f6a bassman - schema montaggio errato?
Buongiorno a tutti,
Ieri ho alimentato per la prima volta l'ampli, e intanto .....non è saltato nulla! Che è già un risultato.
Però poi, agendo sui pot dei volumi e del presence....sembra un KTM da cross in salita...!!!
Stasera vedrò di capirci qualcosa di più...
esperienze simili, son capitate a qualcuno?
Ieri ho alimentato per la prima volta l'ampli, e intanto .....non è saltato nulla! Che è già un risultato.
Però poi, agendo sui pot dei volumi e del presence....sembra un KTM da cross in salita...!!!
Stasera vedrò di capirci qualcosa di più...
esperienze simili, son capitate a qualcuno?
- ValenteNess
- Neutrino

- Messaggi: 12
- Iscritto il: 29/11/2018, 1:26
- Località: Prov. Livorno
Re: 5f6a bassman - schema montaggio errato?
Iniziato il... troubleshooting. C'è un pò troppa "massa" a giro...
Ho notato che anche le 2 tensioni da 3,15V (prese sui pin 2 e 7 delle valvole) mi "bippano" con l'altro terminale a massa. E' normale?
MI ricordo poi di aver letto qualcosa, qui sul forum, sui jack d'ingresso (in plastica); in effetti, questi hanno il "tip" a massa, se non connessi...a me questa cosa non torna...
Qualche lume? thanks...
Ho notato che anche le 2 tensioni da 3,15V (prese sui pin 2 e 7 delle valvole) mi "bippano" con l'altro terminale a massa. E' normale?
MI ricordo poi di aver letto qualcosa, qui sul forum, sui jack d'ingresso (in plastica); in effetti, questi hanno il "tip" a massa, se non connessi...a me questa cosa non torna...
Qualche lume? thanks...
