Sostieni il forum con una donazione! Il tuo contributo ci aiuterà a rimanere online!
Immagine

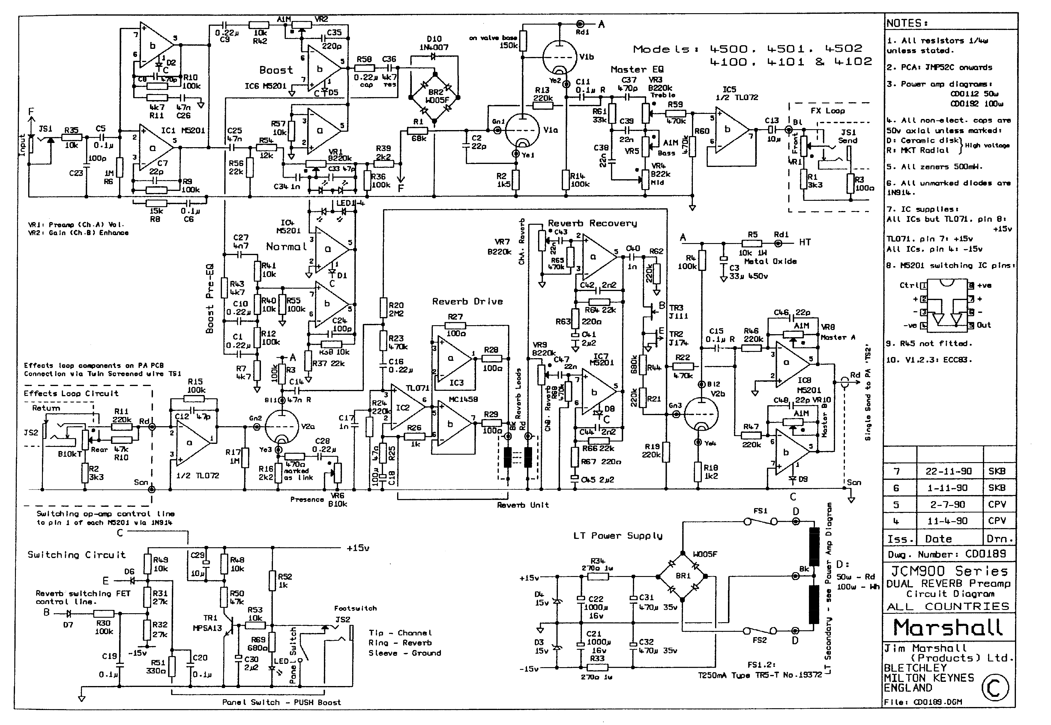
Marshall JCM900 4100 Dual Reverb con poco reverbero

Problemi con un ampli? Esponili qui!
Rispondi
Avatar utente
SweeneyTodd
Diyer Eroe
Diyer Eroe
Messaggi: 754
Iscritto il: 17/04/2016, 10:36
Località: Salento

Marshall JCM900 4100 Dual Reverb con poco reverbero

Messaggio da SweeneyTodd » 21/10/2019, 10:27

Salve a tutti.
Generalmente non metto le mani dentro gli amplificatori, ma un amico mi ha chiesto aiuto.
Ha una testata Marshall JCM900 4100 Dual Reverb, con due reverberi su ciascuno dei due canali, ma nessuno dei due sembra funzionare a dovere: il livello del reverbero pare davvero esiguo a dispetto del nome della testata.
Da dove si potrebbe cominciare a guardare?

Grazie!
Allegati
marshall-jcm900-4100-preamp.jpg

alexradium
Diyer Eroe
Diyer Eroe
Messaggi: 777
Iscritto il: 07/06/2011, 14:18

Re: Marshall JCM900 4100 Dual Reverb con poco reverbero

Messaggio da alexradium » 21/10/2019, 17:12

di solito se il riverbero è inesistente l'unità a molle è aperta,altrimenti è il driver,in questo caso l'operazionale doppio IC3 o IC2.
Altra cosa da controllare è il fet in uscita TR3

Avatar utente
Kagliostro
Amministratore
Amministratore
Messaggi: 9867
Iscritto il: 03/12/2007, 0:16
Località: Prov. di Treviso

Re: Marshall JCM900 4100 Dual Reverb con poco reverbero

Messaggio da Kagliostro » 21/10/2019, 21:06

Ciao Sweeny

per fortuna che c'è alexradium, nel forum ci sono pochi post ed in genere non son cose per le quali io possa essere di un qualche aiuto, lo sapete che se non è che sia ad un livello molto elevato per i circuiti a valvole, con quelli allo stato solido sono a zero

Franco

Avatar utente
SweeneyTodd
Diyer Eroe
Diyer Eroe
Messaggi: 754
Iscritto il: 17/04/2016, 10:36
Località: Salento

Re: Marshall JCM900 4100 Dual Reverb con poco reverbero

Messaggio da SweeneyTodd » 22/10/2019, 9:08

Grazie ragazzi. Non ho potuto sentire di persona l'ampli, ma il mio amico dice che c'è poco reverbero, e la cosa gli pare strana, visto il nome dell'ampli. Ho letto in giro che a volte fanno difetto i cavi? Magari sono vecchi. Dovrebbero esserci dei cavi collegati alle scatole dei reverberi a molla? Penso cavi RCA.

alexradium
Diyer Eroe
Diyer Eroe
Messaggi: 777
Iscritto il: 07/06/2011, 14:18

Re: Marshall JCM900 4100 Dual Reverb con poco reverbero

Messaggio da alexradium » 22/10/2019, 18:45

Attenzione che i Marshall non hanno un riverbero potente ed esagerato come i Fender,e neanche tanto bello, potrebbe essere anche solo un'impressione.

Avatar utente
SweeneyTodd
Diyer Eroe
Diyer Eroe
Messaggi: 754
Iscritto il: 17/04/2016, 10:36
Località: Salento

Re: Marshall JCM900 4100 Dual Reverb con poco reverbero

Messaggio da SweeneyTodd » 23/10/2019, 8:52

Infatti per ora non ho trovato demo su youtube dove si sentisse bene il reverbero, che poi più che altro fanno sentire altro nei demo delle testate Marshall.

alexradium
Diyer Eroe
Diyer Eroe
Messaggi: 777
Iscritto il: 07/06/2011, 14:18

Re: Marshall JCM900 4100 Dual Reverb con poco reverbero

Messaggio da alexradium » 24/10/2019, 10:10

In ogni caso mai dare per scontato che se è un Marshall o fender deve per forza essere eccezionale, per esempio il distorto del 900 non è altro che un pedalino a diodi che poi va nel finale a valvole,e no,quello di Stef Burns non è stock.

Avatar utente
SweeneyTodd
Diyer Eroe
Diyer Eroe
Messaggi: 754
Iscritto il: 17/04/2016, 10:36
Località: Salento

Re: Marshall JCM900 4100 Dual Reverb con poco reverbero

Messaggio da SweeneyTodd » 25/10/2019, 9:05

Sono gusti, certo. Al mio amico l'ampli piace proprio perchè rispetto ad una JCM800 monocanale distorce più presto, e in generale è abbastanza versatile. C'è solo questo dubbio sul reverbero, e dato il nome della testata ci si aspettava che si sentisse questo reverbero. Invece pare proprio basso, si fa fatica a sentire.

Rispondi