Parto gemellare: EVIL TWINS
Parto gemellare: EVIL TWINS
Salve a tutti.
E' da un pò che avevo in mente questo progettino. Diciamo un paio d'anni!
Ci sono state diverse persone che mi hanno sempre chiesto perchè non facevo una testata piccola senza tante varianti / funzioni. Finalmente mi ci sono messo sulla progettazione e mi sta piacendo parecchio ciò che si prospetta:
2 testatine piccole, gemelle ( stesso telaio, stesso pannello, stesse funzioni ) ma con classe di amplificazione differente:
EVIL TWINS P.P.:
EVIL TWINS P.S.E.:
Il buffer valvolare piazzato come primo stadio vuole avere 2 vantaggi:
- il primo è quello di abolire totalmente le piccole differenze timbriche che si avrebbero con un entrata passiva che va in parallelo su entrambi gli stadi.
E ci sono, anche se poco percettibili. Provate ad entrare con un pedale buffer su un ampli che ha questa tipologia di ingresso e vi accorgerete della differenza ( attivando e disattivando il buffer). Sul canale pulito si sente abbastanza.
- Il secondo è quello di poter finalmente dotare ogni canale di un proprio pedale all'input. Per esempio, una cosa che ho sempre odiato è non avere la possibilità di poter mettere un compressore all'ingresso del canale clean e un booster dedicato solo al canale lead. Sopratutto sul live credo che possa essere una comoda cosa: cambi canale e hai già il compressore messo sul clean e un boost sul lead se ricambi.
Sul canale distorto è cmq già presente un booster valvolare escludibile. In questo modo uno può sempre sentire la differenza e optare sulla scelta del proprio pedale preferito o del booster che è già presente nell'ampli. O magari di entrambi, dosando correttamente i gain.
Sulla versione Parallel Single Ended ci sarà il loop fx che opera solo in modalità parallelo. Per evitare switch e relays aggiuntivi ho pensato che progettando il loop in questo modo basta semplicemente mettere il pot tutto su "DRY" per avere un loop seriale.
Non c'è bisogno di comutazioni per il modo.
Sulla versione Push Pull, il loop non ci sarà. E c'è un motivo. Il loop fx a valvole ho deciso di metterlo sul single ended per poter usufruire del feedback.
Altrimenti avrei fatto a meno di mettercelo, ma visto quì non abbiamo la P.I. e il telaio sarà identico, perchè non mettercelo allora!
Il preamp è ancora da testare e da "calibrare". Per ora è tutto virtuale. Dovrebbe essere abbastanza bilanciato nelle saturazioni e spero di non aver fatto troppi errori. E' una base da cui partire per provare a costruire la voce che gli si vuole dare. Fino a che non saldo i componenti e non lo ascolto, è tutto molto ipotetico.
Quello che si vuole ottenere è un preamp cristallino sui puliti e con carattere nelle distorsioni. Il pre DEVE essere lo stesso per entrambe le testate.
Cosa ne pensate?
E' da un pò che avevo in mente questo progettino. Diciamo un paio d'anni!
Ci sono state diverse persone che mi hanno sempre chiesto perchè non facevo una testata piccola senza tante varianti / funzioni. Finalmente mi ci sono messo sulla progettazione e mi sta piacendo parecchio ciò che si prospetta:
2 testatine piccole, gemelle ( stesso telaio, stesso pannello, stesse funzioni ) ma con classe di amplificazione differente:
EVIL TWINS P.P.:
EVIL TWINS P.S.E.:
Il buffer valvolare piazzato come primo stadio vuole avere 2 vantaggi:
- il primo è quello di abolire totalmente le piccole differenze timbriche che si avrebbero con un entrata passiva che va in parallelo su entrambi gli stadi.
E ci sono, anche se poco percettibili. Provate ad entrare con un pedale buffer su un ampli che ha questa tipologia di ingresso e vi accorgerete della differenza ( attivando e disattivando il buffer). Sul canale pulito si sente abbastanza.
- Il secondo è quello di poter finalmente dotare ogni canale di un proprio pedale all'input. Per esempio, una cosa che ho sempre odiato è non avere la possibilità di poter mettere un compressore all'ingresso del canale clean e un booster dedicato solo al canale lead. Sopratutto sul live credo che possa essere una comoda cosa: cambi canale e hai già il compressore messo sul clean e un boost sul lead se ricambi.
Sul canale distorto è cmq già presente un booster valvolare escludibile. In questo modo uno può sempre sentire la differenza e optare sulla scelta del proprio pedale preferito o del booster che è già presente nell'ampli. O magari di entrambi, dosando correttamente i gain.
Sulla versione Parallel Single Ended ci sarà il loop fx che opera solo in modalità parallelo. Per evitare switch e relays aggiuntivi ho pensato che progettando il loop in questo modo basta semplicemente mettere il pot tutto su "DRY" per avere un loop seriale.
Non c'è bisogno di comutazioni per il modo.
Sulla versione Push Pull, il loop non ci sarà. E c'è un motivo. Il loop fx a valvole ho deciso di metterlo sul single ended per poter usufruire del feedback.
Altrimenti avrei fatto a meno di mettercelo, ma visto quì non abbiamo la P.I. e il telaio sarà identico, perchè non mettercelo allora!
Il preamp è ancora da testare e da "calibrare". Per ora è tutto virtuale. Dovrebbe essere abbastanza bilanciato nelle saturazioni e spero di non aver fatto troppi errori. E' una base da cui partire per provare a costruire la voce che gli si vuole dare. Fino a che non saldo i componenti e non lo ascolto, è tutto molto ipotetico.
Quello che si vuole ottenere è un preamp cristallino sui puliti e con carattere nelle distorsioni. Il pre DEVE essere lo stesso per entrambe le testate.
Cosa ne pensate?
Re: Parto gemellare: EVIL TWINS
Qualche bozza di progetto in 2D:
Sul file dove si vede l'ampli "aperto", ho deliberatamente messo la stessa breadboard ( sempre point to point ) perchè è quella che occupa più spazio di quelle che ho progettato per i vari stadi. Dovrebbe essere fattibile lavorarci anche se in questo progetto ho poco spazio.
Sul file dove si vede l'ampli "aperto", ho deliberatamente messo la stessa breadboard ( sempre point to point ) perchè è quella che occupa più spazio di quelle che ho progettato per i vari stadi. Dovrebbe essere fattibile lavorarci anche se in questo progetto ho poco spazio.
- Kagliostro
- Amministratore

- Messaggi: 9958
- Iscritto il: 03/12/2007, 0:16
- Località: Prov. di Treviso
Re: Parto gemellare: EVIL TWINS
Molto intrigante 
Seguo con interesse
Franco

Seguo con interesse
Franco
Re: Parto gemellare: EVIL TWINS
Ciao,
non ho guardato lo schema, ma ti consiglierei di ruotare uno dei due trasformatori di 90°.
Per quanto riguarda l'ampli PP, potresti optare per un loop a (mos)Fet, così da non escludere il loop su quella testata.
non ho guardato lo schema, ma ti consiglierei di ruotare uno dei due trasformatori di 90°.
Per quanto riguarda l'ampli PP, potresti optare per un loop a (mos)Fet, così da non escludere il loop su quella testata.
Re: Parto gemellare: EVIL TWINS
Ciao Robi. Assolutamente si. Il trasformatore va ruotato. Siamo ancora al punto di disposizione organizzativa, quindi diciamo che il tutto per adesso è messo per rendermi conto degli spazi. Sul loop a mosfet, effettivamente non sarebbe male e facendo cosí non "discriminerei" la testata con P. P..
Quando hai un momento e voglia, ti posso chiedere cosa ne pensi riguardo al feedback sul S. E.?
Ho solo preso spunto da uno schema, ma non so se effettivamente possa essere efficace.
Quando hai un momento e voglia, ti posso chiedere cosa ne pensi riguardo al feedback sul S. E.?
Ho solo preso spunto da uno schema, ma non so se effettivamente possa essere efficace.
Re: Parto gemellare: EVIL TWINS
Ciao, ma quel feedback va a massa? Non capisco il collegamento sul loop.
Re: Parto gemellare: EVIL TWINS
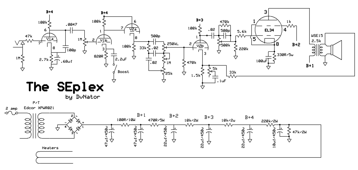
...mancava un collegamento. Cmq va a massa tramite il cap da 100nF. E' sbagliato? Io ho preso spunto da quì:
Schema corretto:
alternativa senza presence:
Schema corretto:
alternativa senza presence:
Re: Parto gemellare: EVIL TWINS
....Mi esprimo meglio: Il feedback non va a massa. Solo il condensatore va a massa. Forse il pot messo in quel modo inganna un pò.
Re: Parto gemellare: EVIL TWINS
Puoi aggiornare anche lo schema dei primi post? Perchè lì il nfb va a massa e basta.
Non capisco perchè dici che non ho effetto presence in uno dei due casi.
Non capisco perchè dici che non ho effetto presence in uno dei due casi.
Re: Parto gemellare: EVIL TWINS
Perchè manca il pot con il cap in parallelo dedicato al presence nel secondo esempio/ipotesi del feedback.
Si, domani aggiorno lo schema e metto quel collegamento che prima non c'era. Giustamente.... Non essendo connesso al catodo, va direttamente a massa tramite il cap.
Si, domani aggiorno lo schema e metto quel collegamento che prima non c'era. Giustamente.... Non essendo connesso al catodo, va direttamente a massa tramite il cap.
Re: Parto gemellare: EVIL TWINS
Scusa, ma da come è disegnato, cambia solo la presenza o meno di R51.
Non capisco come questo possa far sì che ci sia o meno il presence nel circuito.
Non capisco come questo possa far sì che ci sia o meno il presence nel circuito.
Re: Parto gemellare: EVIL TWINS
...Forse perchè, a differenza di ciò che avevo letto nel forum dove ho trovato lo schema di riferimento che ho postato, quello E' un controllo di presence e non di "quantità" di negative feedback da applicare.
Semplificandolo è una resistenza con un condensatore a massa; un passa basso.
Che come sorgente ha il segnale di feedback ripreso da un secondario del T. Out.
Quindi: volendo avere solo un controllo sulla quantità di feedback da applicare, per ora lasciamo da parte il Presence.
Anche se la corretta resistenza di feedback la devo ancora calcolare ( assicurandomi che il segnale di NFB sia in fase con il segnale audio. Pena : oscillazioni ), posto un esempio corretto di come dovrebbe essere:
I valori dei componenti sono relativi. Bisogna ancora calcolarli. E' corretto adesso?
Semplificandolo è una resistenza con un condensatore a massa; un passa basso.
Che come sorgente ha il segnale di feedback ripreso da un secondario del T. Out.
Quindi: volendo avere solo un controllo sulla quantità di feedback da applicare, per ora lasciamo da parte il Presence.
Anche se la corretta resistenza di feedback la devo ancora calcolare ( assicurandomi che il segnale di NFB sia in fase con il segnale audio. Pena : oscillazioni ), posto un esempio corretto di come dovrebbe essere:
I valori dei componenti sono relativi. Bisogna ancora calcolarli. E' corretto adesso?
Re: Parto gemellare: EVIL TWINS
No, così diventa un depth.
Appena riesco te lo disegno.
Appena riesco te lo disegno.
Re: Parto gemellare: EVIL TWINS
Quello che intendo dirti è che questo schema è un presence esattamente come quello precedente, cambia solo la quantità di gNFB perchè c'è una resistenza in più in serie.
Se vuoi avere solo un controllo del feedback ma non un controllo di presence, devi mettere un potenziometro (collegato a reostato) in serie con la resistenza di feedback. Se poi vuoi un controllo di presence, va bene il solito potenziometro a reostato che va a massa tramite condensatore. Per un depth metti un condensatore in serie, a cui in parallelo metti un potenziometro. Tutto comunque alla fine andrà a finire su un partitore. Nel primo circuito non era collegato a nulla.
Il NFB non è nient'altro che un partitore di tensione che reinietta il segnale in uscita all'ingresso di uno stadio amplificatore a monte.
Occhio anche che riduce il guadagno degli stadi, quindi tienine conto per il livello a cui vuoi possa lavorare il loop.
Se non è ancora chiaro dimmelo, vedo di fare la bozza su carta.
Re: Parto gemellare: EVIL TWINS
Grazie Robi.
Si, sei stato molto chiaro. Quindi quello che avevo visto in alcuni schemi di riferimento erano dei Presence + Depth.
Quindi mettere un cap in parallelo ad un pot che alza o diminuisce la resistenza di feedback, non è utile per evitare possibili oscillazioni. Smorza il cono, mantenendo l'escursione piú rigida e ferma, e mangia un pò di bassi. Appunto un depth.
Se voglio solo retroazione locale (.... Ma anche globale. Ma non è questo il caso) , basta un pot collegato come resistenza variabile in serie ad una resistenza di feedback giá esistente, tipo la classica 33k. È corretto?
Si, sei stato molto chiaro. Quindi quello che avevo visto in alcuni schemi di riferimento erano dei Presence + Depth.
Quindi mettere un cap in parallelo ad un pot che alza o diminuisce la resistenza di feedback, non è utile per evitare possibili oscillazioni. Smorza il cono, mantenendo l'escursione piú rigida e ferma, e mangia un pò di bassi. Appunto un depth.
Se voglio solo retroazione locale (.... Ma anche globale. Ma non è questo il caso) , basta un pot collegato come resistenza variabile in serie ad una resistenza di feedback giá esistente, tipo la classica 33k. È corretto?

