c64 si, intendi anche c5, c6 e c20?
finali perdono di potenza
Re: finali perdono di potenza
Re: finali perdono di potenza
d3, no, proverò
posto lo schema
Re: finali perdono di potenza
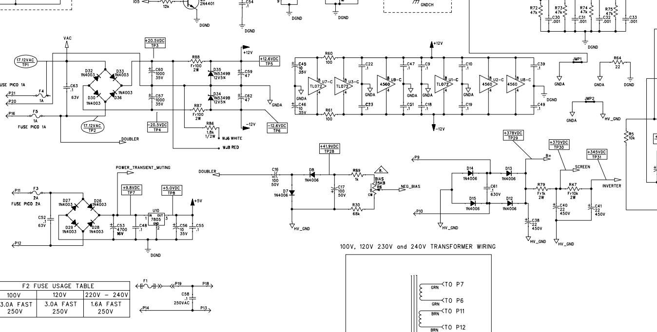
scusate, per lo schema faccio prima a mettere il pdf..non l'avevo fatto prima perchè è un file di molte pagine..lo schema è a pag 13
- Allegati
-
- super_champ_xd.pdf
- (1.23 MiB) Scaricato 249 volte
Re: finali perdono di potenza
.... Molto meglio lo schema completo in pdf.
Non so se te lo hanno giá consigliato, ma hai la possibilitá di provare a mettere delle res sulle G1 delle finali ( grid stopper)?
Te lo chiedo perchè se il problema fosse davvero un'oscillazione, provando a mettere le res. da almeno 2k ( ma anche di piú), potresti restringere il campo della possibile causa.
... Ora sto col telefono, ma mi pare di ricordare che quando hai modificato una res del circuito della p. I., qualcosa è cambiato. Mi fa pensare che potrebbe anche partire da lì.
Non so se te lo hanno giá consigliato, ma hai la possibilitá di provare a mettere delle res sulle G1 delle finali ( grid stopper)?
Te lo chiedo perchè se il problema fosse davvero un'oscillazione, provando a mettere le res. da almeno 2k ( ma anche di piú), potresti restringere il campo della possibile causa.
... Ora sto col telefono, ma mi pare di ricordare che quando hai modificato una res del circuito della p. I., qualcosa è cambiato. Mi fa pensare che potrebbe anche partire da lì.
Re: finali perdono di potenza
quindi intendi dopo il nodo c5-r2 e c6-r3...bastano da 0,6w?Dom ha scritto: ↑04/12/2021, 21:43.... Molto meglio lo schema completo in pdf.
Non so se te lo hanno giá consigliato, ma hai la possibilitá di provare a mettere delle res sulle G1 delle finali ( grid stopper)?
Te lo chiedo perchè se il problema fosse davvero un'oscillazione, provando a mettere le res. da almeno 2k ( ma anche di piú), potresti restringere il campo della possibile causa.
no, erano i condensatori di accoppiamento c5 e c6 dopo la PI..mi era aumentato il tempo prima che si verificasse il problema
Re: finali perdono di potenza
Ciao.
Si, intendo dopo quei nodi. Prova a piazzarci delle grid stopper sobito dopo.
Il problema, immagino, è che se è su pcb dovresti interrompere la pista.
.... I cap di accoppiamento c5 e c6, portano cmq alle griglie delle finali.
Io un tentativo lo farei. Ma quel diodo D3 proverei a cambiarlo cmq.
Lo so che hai cambiato le valvole e dato che ti fa lo stesso problema molto probabilmente non saranno le griglie, ma ho imparato a mie spese che anche quando un possibile rimedio ti appare assurdo a volte può funzionare o ti può aiutare a circoscrivere il problema.
.... Non mollare!
Si, intendo dopo quei nodi. Prova a piazzarci delle grid stopper sobito dopo.
Il problema, immagino, è che se è su pcb dovresti interrompere la pista.
.... I cap di accoppiamento c5 e c6, portano cmq alle griglie delle finali.
Io un tentativo lo farei. Ma quel diodo D3 proverei a cambiarlo cmq.
Lo so che hai cambiato le valvole e dato che ti fa lo stesso problema molto probabilmente non saranno le griglie, ma ho imparato a mie spese che anche quando un possibile rimedio ti appare assurdo a volte può funzionare o ti può aiutare a circoscrivere il problema.
.... Non mollare!
Re: finali perdono di potenza
cmq...ho fatto tutte le prove proposte..
cambiato c20
cambiato d3
aggiunte grid stopper da 2,2k (nessun problema con le piste..ho alzato i reofori del condensatore e della res che stavano sul nodo e ho interposto la grid stopper)
nessun cambiamento se non quando aggiunte RGS..è aumentato leggermente il tempo di innesco del problema..
Re: finali perdono di potenza
.... Vuol dire che probabilmente ti stai avvicinando alla causa. Se hai modificato i valori dei cap di disaccoppiamemto, il tempo è aumentato. Hai messo le grid stopper ed il tempo di innesco è aumentato ancora, mi fa pensare che il problema sta lì attorno.
Ora è da capire dove!
Domani dovrei avere un pò di tempo per continuare il mio progetto e cerco di studiarmi bene lo schema che hai postato per tentare altre prove.
Ora è da capire dove!
Domani dovrei avere un pò di tempo per continuare il mio progetto e cerco di studiarmi bene lo schema che hai postato per tentare altre prove.
Re: finali perdono di potenza
.... Le res. Di griglia schermo, r24 ed r25 (... Credo. Non mi ricordo esattamente), sono a posto? Le hai testate? Ti consiglio di osservare bene bene la pcb da sotto in cerca di possibili saldature fredde visibili.
... Magari non sarebbe male ripassare tutte le saldature inerenti il circuito delle finali e dei componenti ad esse collegati.
... Magari non sarebbe male ripassare tutte le saldature inerenti il circuito delle finali e dei componenti ad esse collegati.
Re: finali perdono di potenza
molte saldature le ho rifatte..sulla PI sulle finali..ne rifarò altre..
R4 e R25 misurano 460 ohm e 458 ohm (non le ho dissaldate però anche perchè non dovrebbe esserci nulla ad influenzare la lettura)
R4 e R25 misurano 460 ohm e 458 ohm (non le ho dissaldate però anche perchè non dovrebbe esserci nulla ad influenzare la lettura)
Re: finali perdono di potenza
Ok. Diamo per scontato allora che le saldature siano state rifatte per bene e magari ne ripassi altre ( o le stesse ) per escludere questa eventuale problematica.
Ragioniamo:
Dopo un tempo stimato di pochi minuti ( presumo ), hai perdita di potenza e hum leggero.
La stessa cosa si verifica quando levi il puntale del tester dal pin 3. L'anodo.
1 - Siamo sicuri che tutte le tensioni siano corrette quando hai questo problema? Anche sulla V1A - V1B ?
2 - La tensioni sono sempre le stesse sia quando hai il problema sia quando non lo hai?
Ti faccio queste domande non perchè dubito di quanto hai detto fin'ora. Lo faccio per accertare di sicuro alcune cose ed escluderle.
Escludendo il T.U. dalle possibili cause, e dato che hai hum leggero e perdita di potenza, tutto fa pensare al fatto che una delle due valvole finali lavori male. Ipotizzando che possa essere ciò, è possibile che una delle 2 valvole abbia un valore diverso di bias o di anodica.
Di conseguenza non lavora allo stesso livello dell'altra e la cancellazione di fase simmetrica del push pull non "maschera" quell'hum che senti.
Se ti accerti magari con un doppio controllo delle tensioni su entrambe le valvole finali, possiamo andare ad escludere questa possibilità.
Di conseguenza, il problema potrebbe partire dalla V1A.
Cioè: se tutto il circuito delle finali lavora bene e siamo sicuri che le tensioni sono uguali, il bias è lo stesso, le valvole sono state cambiate e sono matchate, il problema POTREBBE ( ...usiamo SEMPRE il condizionale ) arrivare dalla sfasatrice.
Io, cmq, farei una prova mentre ti accerti di nuovo di tutte le tensioni:
Toglierei quel "D3" e lo sostituirei con una resistenza uguale ad R20. In pratica avrei 2 resistenze da un Ohm dove posso andare a misurare i mA del bias di ogni valvola. Meglio ancora se cambi anche R20. Nel senso che ci piazzi 2 resistenze "gemelle" nuove da 1 Ohm / 2W. Lo so che hai provato a sostituirlo quel D3 senza riscontrare differenze, ma io farei cmq così per comodità mia.
L'elettrolitico "C8" da 25v del circuito del feedback, potresti provare a sostituirlo?
Ragioniamo:
Dopo un tempo stimato di pochi minuti ( presumo ), hai perdita di potenza e hum leggero.
La stessa cosa si verifica quando levi il puntale del tester dal pin 3. L'anodo.
1 - Siamo sicuri che tutte le tensioni siano corrette quando hai questo problema? Anche sulla V1A - V1B ?
2 - La tensioni sono sempre le stesse sia quando hai il problema sia quando non lo hai?
Ti faccio queste domande non perchè dubito di quanto hai detto fin'ora. Lo faccio per accertare di sicuro alcune cose ed escluderle.
Escludendo il T.U. dalle possibili cause, e dato che hai hum leggero e perdita di potenza, tutto fa pensare al fatto che una delle due valvole finali lavori male. Ipotizzando che possa essere ciò, è possibile che una delle 2 valvole abbia un valore diverso di bias o di anodica.
Di conseguenza non lavora allo stesso livello dell'altra e la cancellazione di fase simmetrica del push pull non "maschera" quell'hum che senti.
Se ti accerti magari con un doppio controllo delle tensioni su entrambe le valvole finali, possiamo andare ad escludere questa possibilità.
Di conseguenza, il problema potrebbe partire dalla V1A.
Cioè: se tutto il circuito delle finali lavora bene e siamo sicuri che le tensioni sono uguali, il bias è lo stesso, le valvole sono state cambiate e sono matchate, il problema POTREBBE ( ...usiamo SEMPRE il condizionale ) arrivare dalla sfasatrice.
Io, cmq, farei una prova mentre ti accerti di nuovo di tutte le tensioni:
Toglierei quel "D3" e lo sostituirei con una resistenza uguale ad R20. In pratica avrei 2 resistenze da un Ohm dove posso andare a misurare i mA del bias di ogni valvola. Meglio ancora se cambi anche R20. Nel senso che ci piazzi 2 resistenze "gemelle" nuove da 1 Ohm / 2W. Lo so che hai provato a sostituirlo quel D3 senza riscontrare differenze, ma io farei cmq così per comodità mia.
L'elettrolitico "C8" da 25v del circuito del feedback, potresti provare a sostituirlo?
Re: finali perdono di potenza
farò!
veramente ora quando levi il puntale non succede più, prima si..
di seguito tutte le tensioni rilevate:
valv/pin norm. probl.
v1 pin1 255 254
v1 pin3 68 69
v1 pin6 209 208
v1 pin8 1.7 1.7
v2 pin3 366 360
v2 pin8 43mv 43mv
v2 pin4 360 360
v3 pin3 365 365
v3 pin8 44mv 44mv
v3 pin4 360 360
ci mancherebbe! fai bene e non basta ringraziarti/vi!
scusa, devo fare questa modifica ma devo eliminare quel bridge fra i due pin 8..o no?Dom ha scritto: ↑08/12/2021, 12:00Escludendo il T.U. dalle possibili cause, e dato che hai hum leggero e perdita di potenza, tutto fa pensare al fatto che una delle due valvole finali lavori male. Ipotizzando che possa essere ciò, è possibile che una delle 2 valvole abbia un valore diverso di bias o di anodica.
Di conseguenza non lavora allo stesso livello dell'altra e la cancellazione di fase simmetrica del push pull non "maschera" quell'hum che senti.
Se ti accerti magari con un doppio controllo delle tensioni su entrambe le valvole finali, possiamo andare ad escludere questa possibilità.
Di conseguenza, il problema potrebbe partire dalla V1A.
Cioè: se tutto il circuito delle finali lavora bene e siamo sicuri che le tensioni sono uguali, il bias è lo stesso, le valvole sono state cambiate e sono matchate, il problema POTREBBE ( ...usiamo SEMPRE il condizionale ) arrivare dalla sfasatrice.
Io, cmq, farei una prova mentre ti accerti di nuovo di tutte le tensioni:
Toglierei quel "D3" e lo sostituirei con una resistenza uguale ad R20. In pratica avrei 2 resistenze da un Ohm dove posso andare a misurare i mA del bias di ogni valvola. Meglio ancora se cambi anche R20. Nel senso che ci piazzi 2 resistenze "gemelle" nuove da 1 Ohm / 2W. Lo so che hai provato a sostituirlo quel D3 senza riscontrare differenze, ma io farei cmq così per comodità mia.
già fatto tempo fa..non è cambiato nulla
Re: finali perdono di potenza
.... Non pensavo fosse un ponte quello. Credevo fosse una continuazione dell'indicazione "tp22 40mA".
Guarda, non è essenziale. Se hai provato a cambiare il diodo d3 ed è rimasto tutto uguale, puoi farne tranquillamente a meno. Io parto sempre dal presupposto che prima non avevi nessun problema con questo ampli. Di conseguenza non è necessario apportare modifiche se a te sta bene cosí.
Quindi le tensioni che hai misurato sono state effettuate sia prima che nel mentre del problema è non hai notato cambiamenti. È corretto?
Ci sono 6 vdc di differenza su un anodo di una finale quando si verifica il problema. Potrebbe essere anche un errore di lettura del tester, ma per escludere questa ipotesi, vorresti provare ad eliminarli proprio quei 2 due diodi sul ramo delle anodiche? Sinceramente proprio non capisco a cosa possano servire quei 2 diodi.
.... Magari qualcuno che ne sa piú di me potrebbe illuminarci in merito.
Se le saldature sono ok e le piste ad occhio sembrano integre e non danneggiate, molto probabilmente il problema arriva dalla sfasatrice.
Hai provato a cambiare anche quella valvola?
P. S.: non sottovalutare l'integritá delle piste. Buttaci un occhio anche se ti sembra improbabile che possa succedere qualcosa alle piste.
Tempo fa un amico mi portò una Engl R. B. Che aveva problemi.
Una pista non conduceva bene. Ho ancora le foto.
Guarda, non è essenziale. Se hai provato a cambiare il diodo d3 ed è rimasto tutto uguale, puoi farne tranquillamente a meno. Io parto sempre dal presupposto che prima non avevi nessun problema con questo ampli. Di conseguenza non è necessario apportare modifiche se a te sta bene cosí.
Quindi le tensioni che hai misurato sono state effettuate sia prima che nel mentre del problema è non hai notato cambiamenti. È corretto?
Ci sono 6 vdc di differenza su un anodo di una finale quando si verifica il problema. Potrebbe essere anche un errore di lettura del tester, ma per escludere questa ipotesi, vorresti provare ad eliminarli proprio quei 2 due diodi sul ramo delle anodiche? Sinceramente proprio non capisco a cosa possano servire quei 2 diodi.
.... Magari qualcuno che ne sa piú di me potrebbe illuminarci in merito.
Se le saldature sono ok e le piste ad occhio sembrano integre e non danneggiate, molto probabilmente il problema arriva dalla sfasatrice.
Hai provato a cambiare anche quella valvola?
P. S.: non sottovalutare l'integritá delle piste. Buttaci un occhio anche se ti sembra improbabile che possa succedere qualcosa alle piste.
Tempo fa un amico mi portò una Engl R. B. Che aveva problemi.
Una pista non conduceva bene. Ho ancora le foto.
Re: finali perdono di potenza
... Giusto per farti notare il possibile problema nelle piste.
Engl R. B. Che aveva problemi:
... Osserva con attenzione la pista prima della saldatura in alto a sinistra.
Engl R. B. Che aveva problemi:
... Osserva con attenzione la pista prima della saldatura in alto a sinistra.
Re: finali perdono di potenza
quei diodi sono a protezione per eventuali picchi di tensioni negative su anodo o OT, li ho già provati a levare
This rectifier is commonly used as a protection diode in tube amps. It is installed with the cathode connected to the plate of the power tube and the anode connected to ground. There should be one diode per push-pull half. This diode keeps unwanted negative voltage spikes from damaging the power tubes or output transformer. This diode can be found in the Fender Hot Rod Series as well as many other amps.
..hai capito benissimo, le tensioni sono state lette durante il funzionamento "normale" e con il problema in atto.. verificherò quei 6v di differenza..
la PI l'ho provata a cambiare..riproverò
..a questo punto mi sembra di capire che a parte queste ultime ri-prove, restano solo le saldature.. faccio tutto e vi aggiorno, grazie ancora.
luca
This rectifier is commonly used as a protection diode in tube amps. It is installed with the cathode connected to the plate of the power tube and the anode connected to ground. There should be one diode per push-pull half. This diode keeps unwanted negative voltage spikes from damaging the power tubes or output transformer. This diode can be found in the Fender Hot Rod Series as well as many other amps.
..hai capito benissimo, le tensioni sono state lette durante il funzionamento "normale" e con il problema in atto.. verificherò quei 6v di differenza..
la PI l'ho provata a cambiare..riproverò
..a questo punto mi sembra di capire che a parte queste ultime ri-prove, restano solo le saldature.. faccio tutto e vi aggiorno, grazie ancora.
luca

