Sostieni il forum con una donazione! Il tuo contributo ci aiuterà a rimanere online!
Immagine

Modifiche geloso 1020

...per cercare o proporre modifiche agli amplificatori
Avatar utente
Kagliostro
Amministratore
Amministratore
Messaggi: 9958
Iscritto il: 03/12/2007, 0:16
Località: Prov. di Treviso

Re: Modifiche geloso 1020

Messaggio da Kagliostro » 11/01/2023, 2:43

Ciao Roberto

Siamo alle solite .... non mi ricordo il CCS :muro:

EDIT:

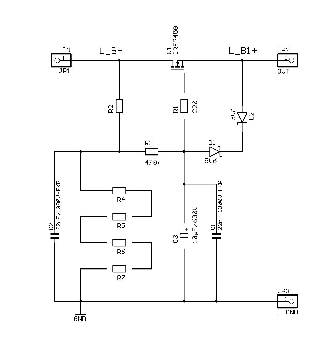
Questo è quello che intendi ?
Pagine da B1+_gyrator.jpg
Franco

Avatar utente
robi
Amministratore
Amministratore
Messaggi: 9761
Iscritto il: 17/12/2006, 13:57
Località: Alba

Re: Modifiche geloso 1020

Messaggio da robi » 11/01/2023, 13:01

Fresco fresco da LTSpice con tanto di dedica!
Regolatore tensione per Franco.jpg

Avatar utente
Kagliostro
Amministratore
Amministratore
Messaggi: 9958
Iscritto il: 03/12/2007, 0:16
Località: Prov. di Treviso

Re: Modifiche geloso 1020

Messaggio da Kagliostro » 11/01/2023, 13:59

Ciao Roberto Grazie

R4 rappresenta il carico e non fa parte del circuito ?

Franco

Avatar utente
robi
Amministratore
Amministratore
Messaggi: 9761
Iscritto il: 17/12/2006, 13:57
Località: Alba

Re: Modifiche geloso 1020

Messaggio da robi » 11/01/2023, 21:55

Esattamente. L'ho messo per avere una corrente di 50 mA come dicevi prima.
La tensione di riferimento la trovi moltiplicando la corrente che scorre nel CCS per la resistenza di R1.

Avatar utente
Kagliostro
Amministratore
Amministratore
Messaggi: 9958
Iscritto il: 03/12/2007, 0:16
Località: Prov. di Treviso

Re: Modifiche geloso 1020

Messaggio da Kagliostro » 11/01/2023, 22:24

Ottimo Roberto

Se si volesse integrare anche una protezione in corrente

basterebbe aggiungere il resistore come nel gyrator di Merlin ?

O, anzi, bisognerebbe aggiungerne due, quello sull'uscita e un altro resistore da 470K tra gate ed uscita ?

---

Parlando del gyrator qui sopra, quelle resistenze R4 R5 R6 R7 perché non sono state raggruppate in un unico componente ?

Hai qualche idea ?

(Lo schema viene da un PDF che avevi linkato qualche tempo fa)

Grazie

Franco

Avatar utente
robi
Amministratore
Amministratore
Messaggi: 9761
Iscritto il: 17/12/2006, 13:57
Località: Alba

Re: Modifiche geloso 1020

Messaggio da robi » 12/01/2023, 2:25

Dissipazione termica?

Avatar utente
Kagliostro
Amministratore
Amministratore
Messaggi: 9958
Iscritto il: 03/12/2007, 0:16
Località: Prov. di Treviso

Re: Modifiche geloso 1020

Messaggio da Kagliostro » 12/01/2023, 10:30

Mah, anche Merlin in un suo circuito ha fatto qualcosa del genere (in quello di un VVR per Fixed Bias)

Mi pare che tutte e due le realizzazioni usino resistenze all'1%

Mah, per me resta una cosa strana

Franco

Avatar utente
robi
Amministratore
Amministratore
Messaggi: 9761
Iscritto il: 17/12/2006, 13:57
Località: Alba

Re: Modifiche geloso 1020

Messaggio da robi » 12/01/2023, 16:19

Allora è per avere una resistenza statisticamente più accurata dell'1%.

Cioè, la distribuzione statistica dell'1% è una gaussiana intorno al valore voluto.
Se tu aumenti il numero di resistori, aumenti la probabilità che il valore finale sia più vicino al nominale perchè statisticamente un po' di resistenze sarà sopra al nominale, ed un po' sotto.

Avatar utente
Kagliostro
Amministratore
Amministratore
Messaggi: 9958
Iscritto il: 03/12/2007, 0:16
Località: Prov. di Treviso

Re: Modifiche geloso 1020

Messaggio da Kagliostro » 12/01/2023, 17:21

Molte Grazie :salu:

---

Sono un po' nella m... hanno appena portato via papà con l'ambulanza per via di un Ab Ingestis, che forse sta degenerando in polmonite

Franco

Avatar utente
robi
Amministratore
Amministratore
Messaggi: 9761
Iscritto il: 17/12/2006, 13:57
Località: Alba

Re: Modifiche geloso 1020

Messaggio da robi » 13/01/2023, 9:54

Tenete duro Franco!

Avatar utente
Kagliostro
Amministratore
Amministratore
Messaggi: 9958
Iscritto il: 03/12/2007, 0:16
Località: Prov. di Treviso

Re: Modifiche geloso 1020

Messaggio da Kagliostro » 13/01/2023, 23:05

Leonardo, porta pazienza, cercherò di concludere anche con il tuo 1020 A

Franco

p.s.: Oggi, per fortuna, era giornata di visite, insomma, tutto sommato non l'ho trovato preso molto male, se non insorgeranno complicazioni forse a metà settimana prossima lo mandano a casa

Avatar utente
robi
Amministratore
Amministratore
Messaggi: 9761
Iscritto il: 17/12/2006, 13:57
Località: Alba

Re: Modifiche geloso 1020

Messaggio da robi » 14/01/2023, 8:44

Bene Franco, tienici aggiornati!

leonardo giusti
Diyer
Diyer
Messaggi: 170
Iscritto il: 11/10/2022, 0:21

Re: Modifiche geloso 1020

Messaggio da leonardo giusti » 14/01/2023, 10:20

Ciao Franco. Mi spiace per l’accaduto.
Non preoccuparti per per il progetto.
A presto.

Avatar utente
Kagliostro
Amministratore
Amministratore
Messaggi: 9958
Iscritto il: 03/12/2007, 0:16
Località: Prov. di Treviso

Re: Modifiche geloso 1020

Messaggio da Kagliostro » 16/01/2023, 12:08

Ciao Leonardo

C'è ancora da fare ed in più non è rivisto, comunque ecco qui un po' di avanzamento lavori

Le Grid Stopper delle finali le ho lasciate diverse come nello schema del 1020, in alternativa potresti provare (ma sentirei l'amp prima di farlo) a metterle tutte e due da 47K come nel Peavey Classic 20



e Questo è il Layout della Mod .... incompleto



Franco
Allegati
G1 1020 A - PI-PA 01.jpg

Avatar utente
Kagliostro
Amministratore
Amministratore
Messaggi: 9958
Iscritto il: 03/12/2007, 0:16
Località: Prov. di Treviso

Re: Modifiche geloso 1020

Messaggio da Kagliostro » 16/01/2023, 19:44

Si va avanti

Questo è lo schema del finale epurato da vari componenti non strettamente necessari


Disegno FINALE.jpg


Più tardi posto una nuova immagine del Layout

Franco

POST ACCORPATO

Ecco fin dove sono arrivato

NON è finito e potrebbero anche esserci errori (orrori :face_green:)

Qualche errore l'ho visto ma adesso sono troppo stanco e mi scuserete

Se Leonardo o qualcun altro ha voglia di darci un'occhiata è più che benvenuto

il bordino nero equivale alle misure dello chassis, 280mm x 160mm

(la cosa vale solo per la larghezza in quanto nell'altro senso i pot e l'input stanno sul frontale e la Board è posizionata circa a 90° rispetto al piano dello chassis)

la Board ha le dimensioni circa come l'originale (2 x 21 eyelet) 40mm x 165mm



Franco

Rispondi