Sostieni il forum con una donazione! Il tuo contributo ci aiuterà a rimanere online!
Immagine

Alimentatore Bias a Bassa Impedenza - Che è ?

Discussioni di carattere generale sugli amplificatori valvolari...
Rispondi
Avatar utente
Kagliostro
Amministratore
Amministratore
Messaggi: 9908
Iscritto il: 03/12/2007, 0:16
Località: Prov. di Treviso

Alimentatore Bias a Bassa Impedenza - Che è ?

Messaggio da Kagliostro » 22/03/2023, 21:26

Anni fa qui sul forum qualcuno, mi pare Fabio, cercò di mettere nel suo amplificatore (mi pare un Marshall 50W) un VVR

Stante che i VVR semplici, quelli che funzionano senza problemi sui Cathode Bias non si possono usare nei Fixed Bias in quanto non vi è controllo della tensione del Bias ma solo di quella dell'anodica, venne scelto di provare il circuito di Merlin che effettua sia la regolazione dell'Anodica che quella del Bias in contemporanea

Per il circuito, a due mani, avevamo anche disegnato una PCB, ma sull'amp non si riuscì a far funzionare il VVR (non vorrei che semplicemente si sarebbe dovuto collegargli un carico per poter misurare un voltaggio in uscita), sta di fatto che poi se ne uscì, da parte di qualcuno (ma non ricordo né chi né cosa esattamente fu detto) fattostà che si disse che l'impedenza era troppo alta

In effetti, sul sito di KOC è presente un circuito per alimentazione Bias (fornito di un suo trasformatorino dedicato) dove si specifica che è a bassa impedenza

Ora, sapete che ho la testa dura, qualcuno potrebbe spiegarmi in parole povere (così ci arrivo anche io) cosa sarebbe questa alimentazione a Bassa Impedenza ?

Posso considerare nel mio caso questo testo ?

http://www.microcontroller.it/T&T/Elett ... trucal.htm

e dedurne che l'alimentatore deve essere in grado di erogare picchi alti di corrente ?

Che poi, sta cosa mi suona male, nei circuiti Bias le correnti in gioco sono non basse, bassissime, quindi che senso avrebbe poter disporre di un alimentatore da 1A in un circuito che assorbe, si e no, 0,qualcosa mA

Grazie

Franco

Avatar utente
robi
Amministratore
Amministratore
Messaggi: 9729
Iscritto il: 17/12/2006, 13:57
Località: Alba

Re: Alimentatore Bias a Bassa Impedenza - Che è ?

Messaggio da robi » 22/03/2023, 23:44

Ciao, non so a cosa si riferisse senza avere riferimenti.
Io su alcuni ampli uso dei mosfet collegati in dc alle griglie delle finali. Così facendo evito il thermal runaway ed i problemi di blocking distortion.

Avatar utente
Kagliostro
Amministratore
Amministratore
Messaggi: 9908
Iscritto il: 03/12/2007, 0:16
Località: Prov. di Treviso

Re: Alimentatore Bias a Bassa Impedenza - Che è ?

Messaggio da Kagliostro » 23/03/2023, 1:07

Grazie Roberto

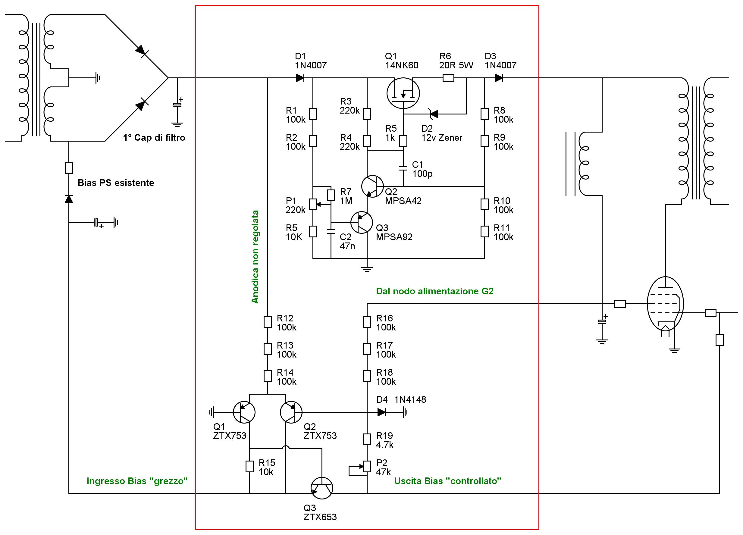
Domani dal PC posto lo schema del PS di Merlin

Eccomi con lo schema del PS per fixed Bias di Merlin
VVR x Fixed Bias e Cathode Bias Amp.jpg
Franco

Avatar utente
robi
Amministratore
Amministratore
Messaggi: 9729
Iscritto il: 17/12/2006, 13:57
Località: Alba

Re: Alimentatore Bias a Bassa Impedenza - Che è ?

Messaggio da robi » 23/03/2023, 7:51

Che complicazione!
Sì, i motivi mi sembrano quelli che ho citato, ma é molto più semplice un powerdrive fatto da un mosfet accoppiato in dc alla g1 della finale.

Avatar utente
Kagliostro
Amministratore
Amministratore
Messaggi: 9908
Iscritto il: 03/12/2007, 0:16
Località: Prov. di Treviso

Re: Alimentatore Bias a Bassa Impedenza - Che è ?

Messaggio da Kagliostro » 23/03/2023, 10:25

Buona Giornata Roberto
.... ma é molto più semplice un powerdrive fatto da un mosfet accoppiato in dc alla g1 della finale
Non ne dubito, ma questa è una delle soluzioni sensate (continuo a ritenere non ottimale quella con pot doppio anche se magari qualcuno propone siano diversi i valori resistivi dei due), quella che nomini tu sarà sicuramente ottima ma non ne ho mai visto parlare in giro

Franco

Rispondi