allora, mi sono fatto due idee sulle possibilità, e mi rivolgo anche ad ale e robizz che come dimostrano i loro post sono interessati più o meno a quello che interessa a me
http://www.diyitalia.eu/index.php?optio ... pic=2661.0
http://www.diyitalia.eu/index.php?optio ... pic=4033.0
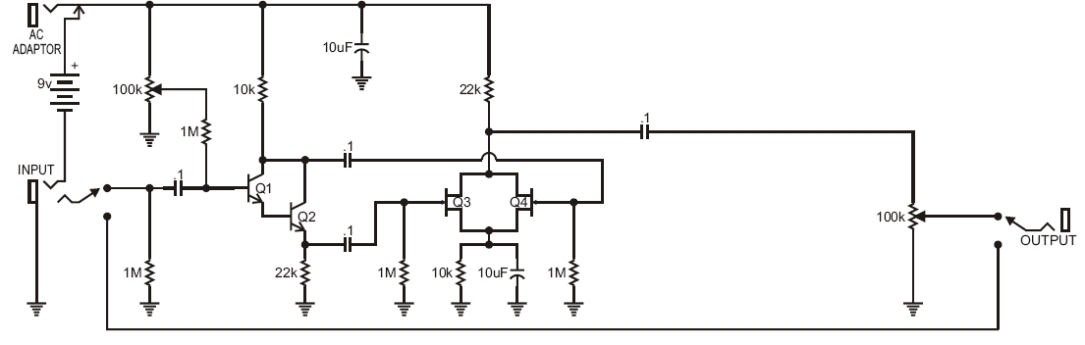
dunque: serve trovare il circuito più semplice possibile che alzi di un ottava il segnale. l'ho trovato su tonepad, ed è basato su un progetto do tim escobedo, allego lo schema.
un altro valido credo sia quello di r.g. keen su geo, lo trovate se cercate "mu-doubler".
allora, con questi circuiti alziamo di un'ottava. mettendone due in serie, si potrebbe ottenere l'aumento di due ottave? mi rivolgo a chi ha conoscenze teoriche maggiori delle mie(ci vuole poco!)
nel primo non saprei se si può regolare il livello dell'ottava, a meno che non lo faccia il pot che regola il bias.
per renderlo a pedale espressivo, penso che una volta definito il circuito si possa utilizzare il pot che regola l'ottava come l'hot potz di un wha, e si può applicare direttamente a questi due circuiti base.
se invece si riuscisse ad aggiungere la seconda ottava, i due pot regola-ottava si potrebbero unire in un pot stereo in modo da regolarli contemporaneamente con il pedale espressivo ottenendo un'escursione sonora maggiore (e credo di maggior effetto).
io sono disponibilissimo agli esperimenti pratici, se qualcuno mi supporta a liveelo teorico almeno da avere un minimo di certezza
