Salve
Qualcuno mi aiuta ??
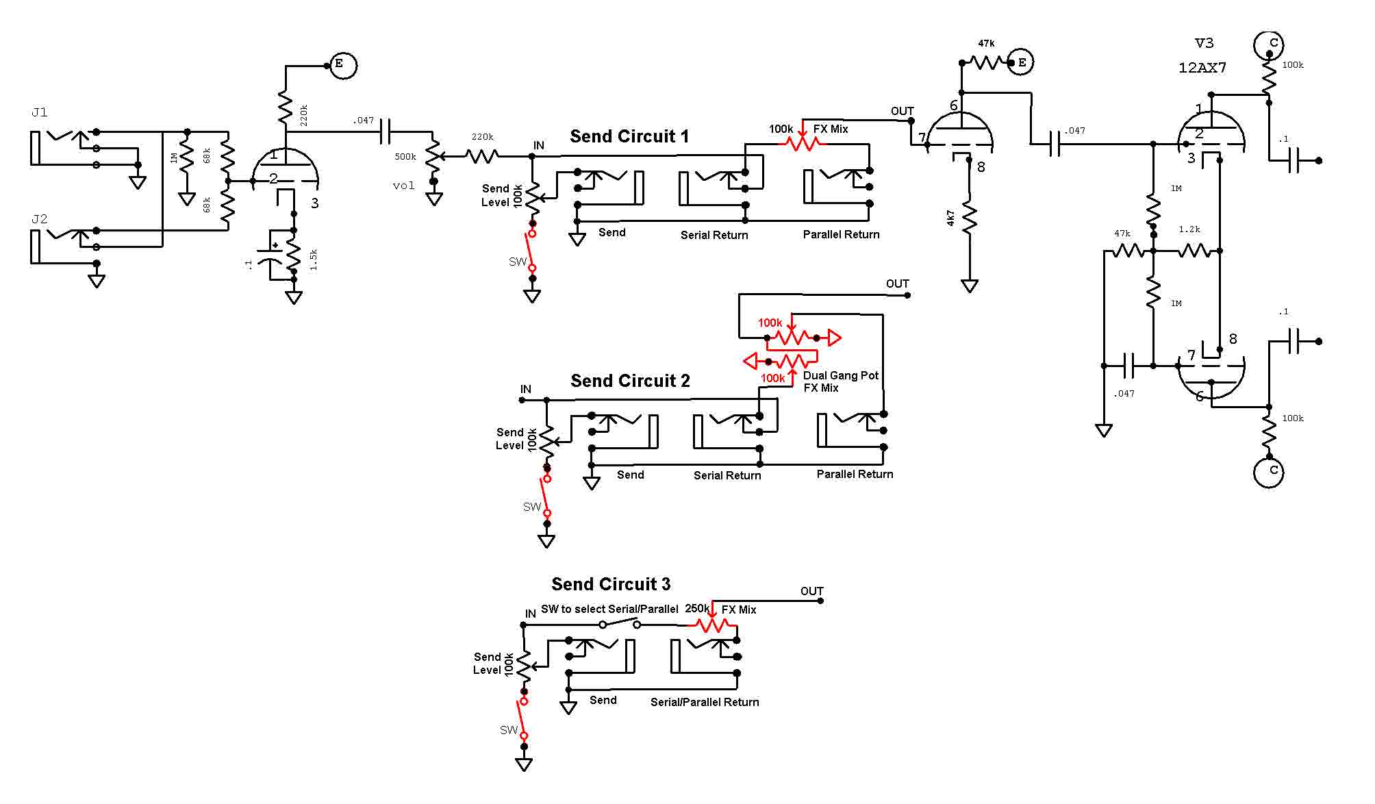
vorrei inserire in un ampli a valvole (un derivato Vox AC30) un send return sia seriale che parallelo
Ho dato un'occhiata in giro e mi è venuto fuori questo schema (N.B. l'ampli è solo un esempio approssimativo)
il circuito 3 lo vorrei escludere per evitare l'interruttore per inserire/disinserire il seriale
il circuito 1 e 2 sono i miei candidati preferiti (sempre che possano funzionare)
Mi date qualche consiglio ?
il pot che fa la funzione di mixer l'ho visto su vari schemi con valore 25k e su qualcuno fino a 500k
cosa ne dite, mi tengo basso o alto ??
lo switch per scollegare la massa al pot da 100k che regola il livello di send, secondo voi, è bene metterlo o si può farne a meno ??
GRAZIE
Kagliostro
Send / Return -- Seriale e parallelo -- A I U T O -- schema allegato
- Kagliostro
- Amministratore

- Messaggi: 9955
- Iscritto il: 03/12/2007, 0:16
- Località: Prov. di Treviso
- Kagliostro
- Amministratore

- Messaggi: 9955
- Iscritto il: 03/12/2007, 0:16
- Località: Prov. di Treviso
Re:Send / Return -- Seriale e parallelo -- A I U T O -- schema allegato
Ho trovato una nuova versione di Mixer
qialcuno mi da una mano ?
GRAZIE
Kagliostro
qialcuno mi da una mano ?
GRAZIE
Kagliostro
