Sostieni il forum con una donazione! Il tuo contributo ci aiuterà a rimanere online!
Immagine

Problema scoppiettio 18 watt

Problemi con un ampli? Esponili qui!
Avatar utente
semprelibero
Diyer
Diyer
Messaggi: 142
Iscritto il: 05/01/2010, 17:03
Località: Modena

Problema scoppiettio 18 watt

Messaggio da semprelibero » 15/05/2010, 22:10

Ciao ragazzi son qui a chiedere x favore ilvostro aiuto...
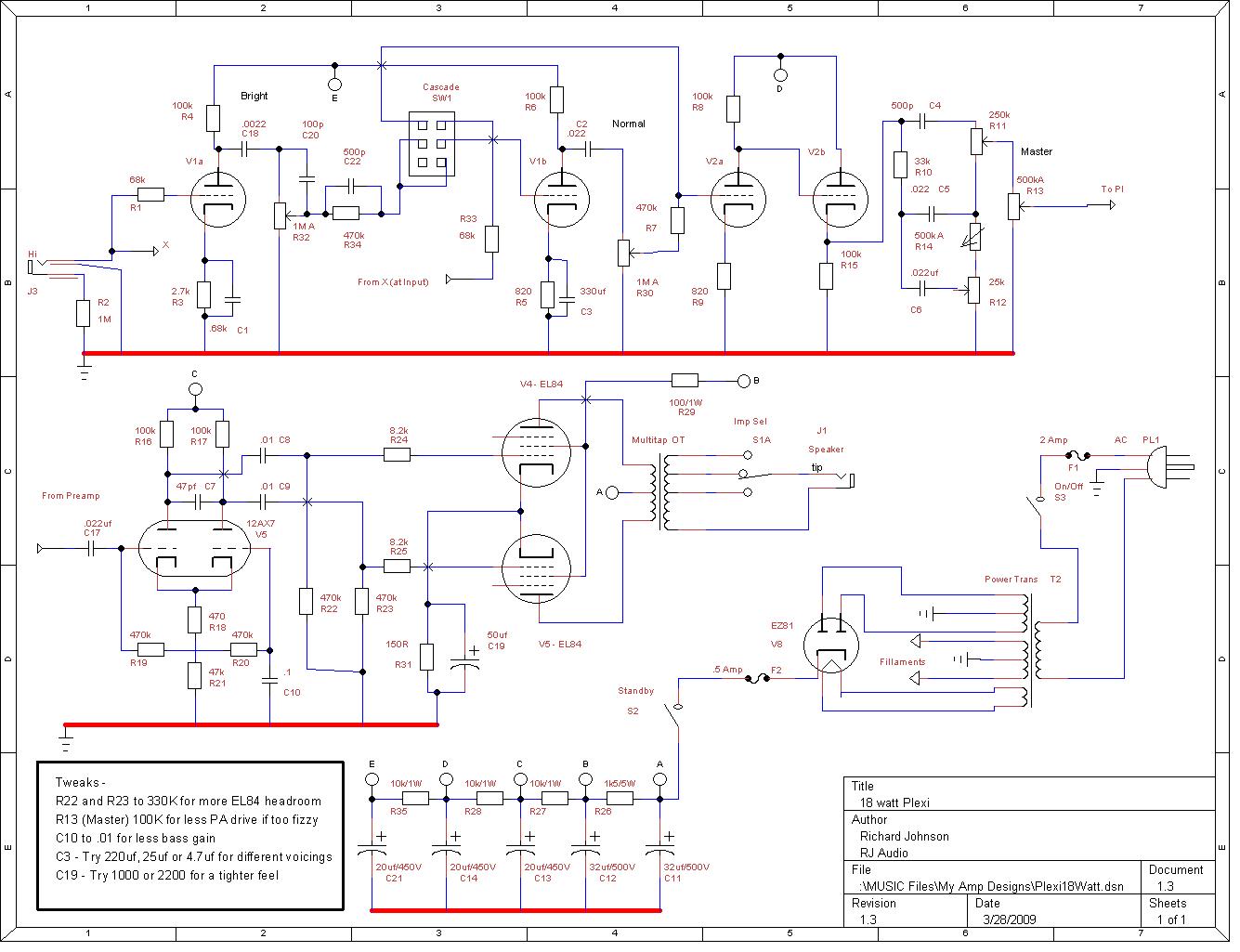
Da un po' di tempo a questa parte il mio 18watt diy fatto su schema 18watt.com (allegato) mi da un po' di problemi, e non riesco più a venirne a capo.
Il problema maggiore, come da titolo, è che l'ampli ha iniziato a scoppiettare e il rumore non passa scaldandosi. Avevo una finale microfonica e così ho cambiato la coppia montando delle JJ e ne ho approfittato x modificare la rettifica con una a diodi.
Speravo si risolvesse il problema e invece niente!

Stasera allora ho provato a cambiare le valvole di pre (prima di andare accanto a cond di filtro) e ho fatto una scoperta molto strana:
ho cambiato tutte tre le 12ax7 e niente più scoppietti ma l'ampli suonava veramente basso  :eek1:
Allora ho ricominciato a montare 1 per1 le valvole vecchie e cosa scopro sulla V2: di tutte le 12ax7 che ho in casa (anche nuove!) solo 1 fa suonare l'ampli a volume giusto, tutte le altre no! In più questa valvola è l'unica i cui filamenti non si accendono (almeno a vista, eh...) e con lei l'ampli scoppietta ancora.

Non so veramente più cosa fare e pensare...aiuto!!!
Avete mai sentito di una cosa del genere...?!
grazie a tutti!
Allegati
layout.jpg
schema.jpg
www.myspace.com/malastranaspace

Avatar utente
Leo
Diyer Eroe
Diyer Eroe
Messaggi: 827
Iscritto il: 30/09/2006, 13:42

Re:Problema scoppiettio 18 watt

Messaggio da Leo » 15/05/2010, 22:56

Bè di solito i scoppiettii avvengono in questi 3 casi, e molto più spesso nei PTP

1° Condensatori di filtro o cond al catodo
2° collegamenti ai catodi fatti alla buona
3° Collegamenti agli anodi fatti alla buona!

Per il volume sicuramente hai qualche valvola andata per i motivi per cui sopra!

Avatar utente
semprelibero
Diyer
Diyer
Messaggi: 142
Iscritto il: 05/01/2010, 17:03
Località: Modena

Re:Problema scoppiettio 18 watt

Messaggio da semprelibero » 15/05/2010, 23:09

Grazie Leo! quindi visto che se in 5 mesi di uso intenso dell'ampli i problemi sono solo molto recenti potrebbe essere più probabile un elettrolitico andato, no?
Però perchè l'unica V2 che mi fa suonare l'ampli al volume giusto ha i filamenti che non si accendono come le altre? e questo da sempre, tra l'altro... e poi perchè delle altre 12ax7 nuove, invece, non vanno...
www.myspace.com/malastranaspace

Avatar utente
meritil
Amministratore
Amministratore
Messaggi: 2971
Iscritto il: 06/05/2006, 4:57
Località: Roma
Contatta:

Re:Problema scoppiettio 18 watt

Messaggio da meritil » 16/05/2010, 2:41

perchè non posti una foto dell'interno... magari sullo zoccolo di V2 e dintorni ?


la valvola che non si accende probabilmente ha una placca lunga e fa molta meno luce, tipo le ecc803 rispetto alle ecc83, ma dubito che non si accenda del tutto il filamento...


gli scoppiettii per la mia esperienza è con molta probabilità la valvola (o la resistenza anodica corrispondente, rovinata o saldata male, nel tuo caso essendo montata sotto lo zoccolo è più sollecitata dal calore quindi cambiala )


:numb1:


ps: bell'ampli io ho fatto una cosa simile, sono molto contento  :ciao:

Avatar utente
Jaxx
Diyer Eroe
Diyer Eroe
Messaggi: 608
Iscritto il: 10/06/2008, 1:23

Re:Problema scoppiettio 18 watt

Messaggio da Jaxx » 16/05/2010, 16:03

potrebbe essere anche uno zoccolo che con contatta a dovere.

ad ampli acceso e a volume aperto,  prova a muovere le valvole una ad una.
se lo zoccolo non fa a dovere il suo lavoro con le vibrazioni può produrre tali effetti.
questo test, ovviamente, implica che tutte le valvole debbano essere a posto e le prove che ti hanno indicato fin'ora debbano dare esito nrgativo, ovvero che tu non debba avere i problemi sopracitati

Avatar utente
semprelibero
Diyer
Diyer
Messaggi: 142
Iscritto il: 05/01/2010, 17:03
Località: Modena

Re:Problema scoppiettio 18 watt

Messaggio da semprelibero » 16/05/2010, 18:57

Grazie mille dell'aiuto! Non sono ancora riuscito purtroppo a fare le prove che mi avete consigliato, spero nella serata o al max domani,
però per completezza ho fatto una qualche foto e ho misurato le tensioni:

Il primo allegato è una foto dei "filamenti che non si accendono" dell'unica valvola che però fa scoppiettare l'ampli ma lo fa suonare a buon volume

Il secondo è una foto dell'interno, zona pre

e questi sono i volt che ho misurato con la V2 che non si accende


  V1

1- 210
2- /
3- 1,9
4- 2,9AC
5- 2,9AC
6- 165
7- /
8- 1,03
9- 2,9AC

  V2

1- 280
2- 0(?)
3- 0
4- 2,9AC
5- 2,9AC
6- 310
7- 284
8- 0
9- 2,9AC

V3

1- 227
2- 43
3- 0,1
4- 2,9AC
5- 2,9AC
6- 231
7- 42
8- 91
9-2,9AC

V4 = V5

1- /
2- 0
3- 13
4- 2,9AC
5- 2,9AC
6- /
7- 390

Grazie ancora a tutti!!
Allegati
IMG_1347.JPG
IMG_1344.JPG
IMG_1339.JPG
www.myspace.com/malastranaspace

Avatar utente
Leo
Diyer Eroe
Diyer Eroe
Messaggi: 827
Iscritto il: 30/09/2006, 13:42

Re:Problema scoppiettio 18 watt

Messaggio da Leo » 16/05/2010, 19:43

Allora non ho visto le foto ma già da ora hai un pò di problemi:

A:  V2

1- 280
2- 0(?)
3- 0
4- 2,9AC
5- 2,9AC
6- 310
7- 284
8- 0
9- 2,9AC

Ai pin 3 e 8 dovresti avere rispettivamente 2V e 150V circa!

B: V3

1- 227
2- 43
3- 0,1
4- 2,9AC
5- 2,9AC
6- 231
7- 42
8- 91
9-2,9AC

I pin 3 e 8 devono avere lo stesso voltaggio di circa 80V

Controlla i collegamenti per bene e poi le valvole!
Ultima modifica di Leo il 16/05/2010, 19:48, modificato 1 volta in totale.

Avatar utente
meritil
Amministratore
Amministratore
Messaggi: 2971
Iscritto il: 06/05/2006, 4:57
Località: Roma
Contatta:

Re:Problema scoppiettio 18 watt

Messaggio da meritil » 17/05/2010, 14:01

quoto leo


forse 80v su p3 e p8 di V3 sono troppini... ma visti i 43 che hai su p2

nel senso una situazione normale in un ampli plexi style tipo questo (con un anodica di oltre 450vdc) sarebbe (a mia esperienza): 40v su p3,p8 e 25v su p2,p7

nel tuo caso p3 a zero come dice leo è anormale


controlla le 100k di V2 (cambiale sia sull'anodo che sul catodo)

per V3 boh ci sto pensando...

Avatar utente
Jaxx
Diyer Eroe
Diyer Eroe
Messaggi: 608
Iscritto il: 10/06/2008, 1:23

Re:Problema scoppiettio 18 watt

Messaggio da Jaxx » 17/05/2010, 14:28

controlla anche i filamenti, potrebbe essere un tuoverrore di misura, ma misura nuovamente tra i pin 9 e 4+5 dove dovresti avere 6.3vac circa e fai lo stesso tra il 4 e 5 delle el84. se ha collegato male i filamenti le valvole non sono sufficientemente calde e la loro conduzione è compromessa.

guarda su v2 i pin 3 e 8 se dopo le rk li hai collegati a massa.

per la PI, la v3, come già detto dagli altri devono avere lo stesso voltaggio. li hai sbagliato qualche collegamento.
perchè indipendentemente dalla valvola, li i pin sono collegati insieme e quindi devono dare la medesima lettura di vdc.
Ultima modifica di Jaxx il 17/05/2010, 14:34, modificato 1 volta in totale.

Avatar utente
semprelibero
Diyer
Diyer
Messaggi: 142
Iscritto il: 05/01/2010, 17:03
Località: Modena

Re:Problema scoppiettio 18 watt

Messaggio da semprelibero » 17/05/2010, 19:38

Grazie mille a tutti, veramente disponibilissimi!
Allora ho seguiro i vostri consigli: cambiato i cond. filtro ù8trnne il32+32, non ce l'ho ed è un casino trovarlo...)
cambiate le 100k su V2, ho provato a muovere le valvole ma gli zoccoli sembrano ok e ho mantato un'altra V2.
In realtà ne ho montate diverse, alcune suonavano malissimo e mi davano dei valori assurdi, che si riflettevano anche su V1 e V3 (tipo su quasi tutti i pin 7volt....mah...)
Adesso la situazione è la seguente:

V1
1- 174
2-
3- 1,5
4-2,9 (purtroppo sono davvero così...)
5-2,9
6-130 quando il vol.bright è a meno di 3/4, alzando arriva a 210 e fischia...
7
8-0,8
9-2,9

V2
1-138
2-145 (ma è possibile..?!)
3-1,35
4-H
5-H
6-254
7-139
8-147
9-H

V3
1-208
2-37
3-80
4-H
5-H
6-207
7-37
8-80
9-H

V4 e V5
1-
2-0
3-13
4-2,9
5-2,9
7-390

Quindi pin 3 e 8 di V3 sono andati ok, non so se avevo misurato x aria l'altra sera...mah...
Il suono non è malvagio, però non è che mi soddisfi un granchè e il volume resta un po' troppo basso.
Che ne pensate?
io adesso sono un po' demoralizzato...ammetto....  :Gra_1:
www.myspace.com/malastranaspace

Avatar utente
Leo
Diyer Eroe
Diyer Eroe
Messaggi: 827
Iscritto il: 30/09/2006, 13:42

Re:Problema scoppiettio 18 watt

Messaggio da Leo » 17/05/2010, 20:34

Per la griglia, Si è possibile, è un cascode, è ovvio che sia così!

Resto dell'idea che hai sbagliato valore di qualche resistenza, o qualche collegamento! molto spesso si mette una 4K7 invece di una 470R al catodo della PI, prova lì prova...
oscilla (fischia) perchè non hai schermato i cavi che vanno alle griglie (idem quello switch lì)!

Per gli heaters non capisco che c'è che non va... 2.9 è un valore ottimale! io di solito sto sui 2.7 nei casi peggiori (dipende sempre molto dall'impianto di casa)! hai messo a massa il centrale degli heaters? se non ce l'hai, li hai riportati con le 100R (o 220)?

Poi prova a collegare la chitarra direttamente al finale, cioè il cavo dell'input mandalo direttamente sulla PI, così vedi, se il volume è proprio troppo troppo basso c'è un'errore li, e poi prova a collegare solo il pre ad un'altro finale se puoi!

Per come l'hai realizzato poi è un 14W scarso, quindi non ti aspettare miracoli!

Cambia le 470K della PI (R19 e R20) con 1M, avrai più volume!
Cambia anche le 8K2 con 1K5!

Per il resto, ripeto controlla soprattutto i valori della PI, e poi quella cosa che varia il voltaggio al variare del volume mi sembra troppo strana..
Ultima modifica di Leo il 17/05/2010, 20:41, modificato 1 volta in totale.

Avatar utente
semprelibero
Diyer
Diyer
Messaggi: 142
Iscritto il: 05/01/2010, 17:03
Località: Modena

Re:Problema scoppiettio 18 watt

Messaggio da semprelibero » 17/05/2010, 20:48

Ok, grazie Leo, vedo di ricontrollare i valori!
Per gli heathers io il problema non lo vedo, mi ha solo fatto venire un po' il dubbio Jaxx, tutto lì, però se dici che va bene, molto meglio così, un pensiero eliminato!

I dubbi che ho non sono in senso assoluto riguardo all'ampli, sono d'accordo di non dovermi aspettare "miracoli", ma più che altro
sul fatto che prima (per circa 5 mesi di prove e live..) non suonava così! E' più che altro questo che mi da da fare...
Proverò anche a collegarmi direttamente al finale, non ci avevo pensato!
Per collegare il pre ad un altro finale, invece, mi sa che farò un po' fatica....a meno di non costruirmi un finale!  :yes:

Grazie ancora!
www.myspace.com/malastranaspace

Avatar utente
Leo
Diyer Eroe
Diyer Eroe
Messaggi: 827
Iscritto il: 30/09/2006, 13:42

Re:Problema scoppiettio 18 watt

Messaggio da Leo » 17/05/2010, 22:06

Bè a questo punto mi viene il dubbio...
Hai provato con altre finali?  :mart:

ahahah che coglione che sono...

Avatar utente
Leo
Diyer Eroe
Diyer Eroe
Messaggi: 827
Iscritto il: 30/09/2006, 13:42

Re:Problema scoppiettio 18 watt

Messaggio da Leo » 17/05/2010, 22:08

Dimenticavo che gli scoppiettii possono avvenire anche quando fa male contatto qualche massa, quindi suona e mentre suoni sbatti l'ampli con forza, dagli colpi, maltrattalo! Io li testo così :D

Avatar utente
meritil
Amministratore
Amministratore
Messaggi: 2971
Iscritto il: 06/05/2006, 4:57
Località: Roma
Contatta:

Re:Problema scoppiettio 18 watt

Messaggio da meritil » 17/05/2010, 23:07

i filamenti non hanno niente che non và 2,9 è ok, la perfezione sarebbe 3,15 magari hai il primario del TU a 240 o hai la corrente di casa a 220 mentre il primario è 230 (ti ricordi di leggere alternata sui filamenti e continua su tutto il resto vero?)

se vuoi un pò di volume metti due 1M al posto delle due 470k su V3



facci un resoconto però(perlomeno io mi sono perso), hai risolto qualcosa? che problemi rimangono? scoppia ancora?


:ciao:

Rispondi