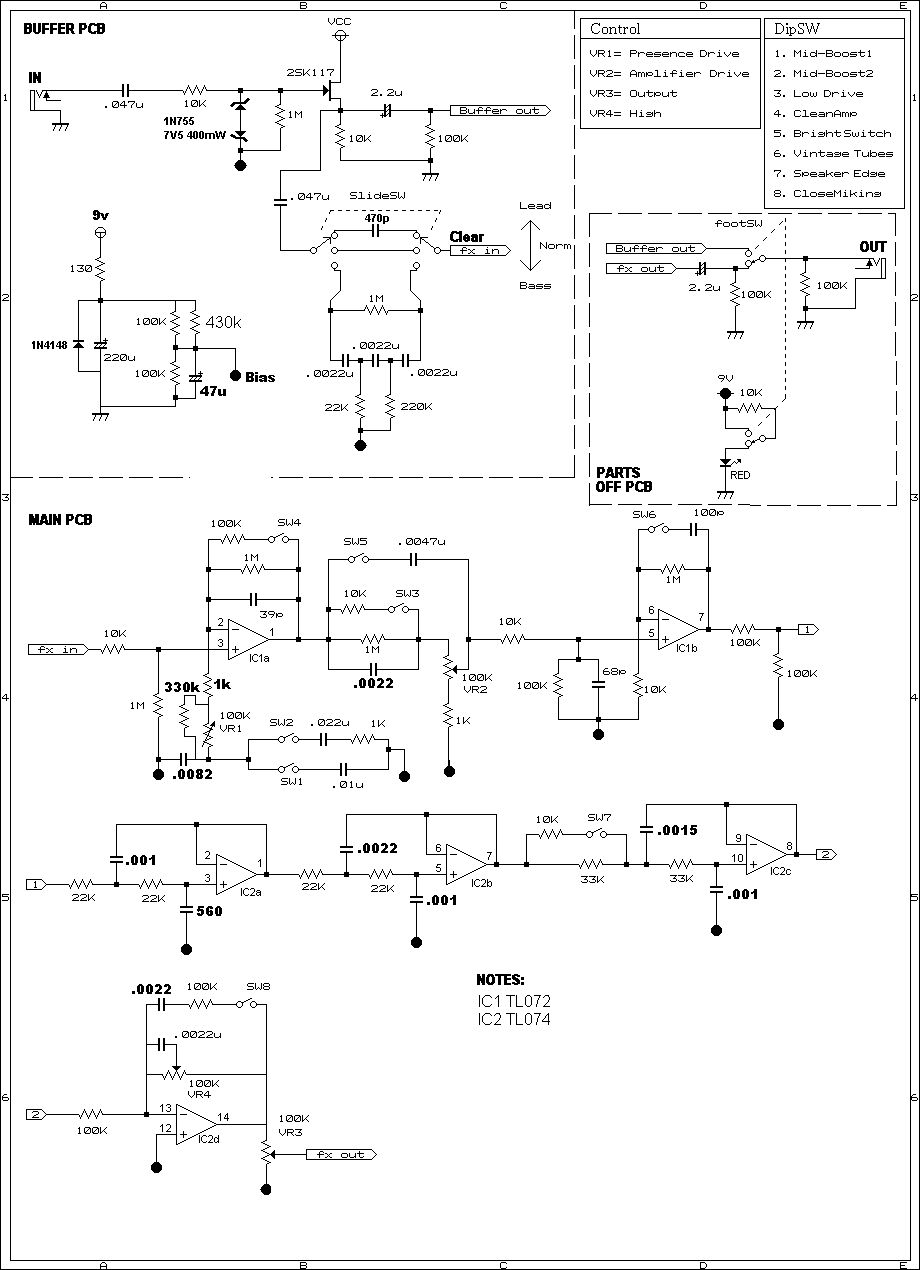
Ciao gente. Sto realizzando un Sansamp Classic con il progetto di gila_crisis trovato su fennec.
Son disperato, ho smontato e rimontato tutto 3 volte ma non mi riesce di trovare il problema...
E' come se ci fossero mille falsi contato, ma non capisco dovuti a cosa!
Ho rifatto la pcb e testato ogni componente montato ma ancora niente.
Provandolo si ottiene una cosa bizzarra: finchè si suona continuamente, lui suona. Appena si stoppano le corde, si ammutolisce, oppure continua a fare bbbzzzz come di falsi contatti. Nelle posizioni lead e bass ogni tanto addirittura va in oscillazione, che si annulla tirando giù l'output oltre una certa soglia. Ritirandolo su, non oscilla più - ma appena si suona, ricomincia.
Io non so proprio che fare...ho testato con il solito signal tracer. Con quello sembra che funzioni tutto perfettamente!
I voltaggi sul JFET e gli OPAMP sono corretti - i valori/orientamento dei componenti corretti (ricontrollati 4 volte). Sembra che BASILARMENTE non funzioni, perchè ho fatto le prove senza collegare il dip switch E COMUNQUE NON FUNZIONA COME DEVE!
Ricordo che mi successe una porcata simile con l'SD1 che feci - avevo messo un 1N4007 anzichè lo zener da 11V. Qui però gli zener son giusti, e comunque sono solo nella sezione buffer...
Hiss e fischi da Sansamp classic clone
- Fix_Metal
- Braccio destro di Roger Mayer

- Messaggi: 1955
- Iscritto il: 28/07/2008, 3:44
- Località: Bergamo
- Contatta:
Re: Hiss e fischi da Sansamp classic clone
Ok ho risolto - avevo invertito i fili in comune di output e high - un disastro....
