Sostieni il forum con una donazione! Il tuo contributo ci aiuterà a rimanere online!
Immagine

Nuovo ampli di stampo two rock

Discussioni di carattere generale sugli amplificatori valvolari...
bill89
Diyer Eroe
Diyer Eroe
Messaggi: 566
Iscritto il: 17/12/2011, 19:16

Nuovo ampli di stampo two rock

Messaggio da bill89 » 27/10/2013, 19:54

Per chiarezza e sperando di non disturbare troppo apro questo nuovo argomento visto quanto emerso da un altro post precedente.

Come da titolo pensavo di adattare lo schema two rock a un po' di materiale vecchio che mi ritrovo, con i conseguenti problemi di ricalcolare e rivalutare alcune parti del circuito!
Ho i miei vecchi PT e OT del tsa15h che mi ritrovo stipati ad una parte dopo averli sostituiti al mio progetto princeton.
Ne rielenco un po' le caratteristiche
OT
15W
6200ohm

PT misurato a vuoto
250V anodica
12V da stabilizzare per i filamenti del pre
13V con presa centrale per i filamenti delle finali
32V bias

Se ho ben capito per il preamp e la PI non ci sarebbe problema e si potrebbe riprendere tranquillamente (almeno per ora) questo schema!
MYNEWAMP.jpg
Il finale sicuramente andrebbe rivisto così come il bias (avevo pensato di riutilizzare quello del tsa15h) lo stabilizzatore si fa con un 7812...
Alimentazione my new amp.jpg
finale my new amp.jpg
Per il circuito di alimentazione non saprei come comportarmi...
Mi faccio un po' di ricerchine e cerco di di cavare un ragno dal buco! :mart:

Avatar utente
Kagliostro
Amministratore
Amministratore
Messaggi: 9960
Iscritto il: 03/12/2007, 0:16
Località: Prov. di Treviso

Re: Nuovo ampli di stampo two rock

Messaggio da Kagliostro » 27/10/2013, 20:00

Disegnare schemi a mano è un'ottima cosa, ma se vuoi provare a disegnare in modo facilmente correggibile e modificabile ti consiglierei di provare FidocadJ che ha già librerie con valvole e che puoi comunque integrare con componenti disegnati da te

qui trovi il programma (rigorosamente Free), il manuale ed altro

http://davbucci.chez-alice.fr/index.php ... e=Italiano

K

bill89
Diyer Eroe
Diyer Eroe
Messaggi: 566
Iscritto il: 17/12/2011, 19:16

Re: Nuovo ampli di stampo two rock

Messaggio da bill89 » 27/10/2013, 20:05

Scarico e mi metto a rifare gli schemi...

Per l'idea che mi sto facendo riguardo il circuito di alimentazione devo partire dai 340V di anodica rettificata e sapendo quanto deve arrivare alle singole valvole calcolarmi le cadute di tensione con le resistenze... giusto?!

bill89
Diyer Eroe
Diyer Eroe
Messaggi: 566
Iscritto il: 17/12/2011, 19:16

Re: Nuovo ampli di stampo two rock

Messaggio da bill89 » 27/10/2013, 20:39

siate clementi è il mio primo schema al computer
Allegati
Finale my new amp.jpg

bill89
Diyer Eroe
Diyer Eroe
Messaggi: 566
Iscritto il: 17/12/2011, 19:16

Re: Nuovo ampli di stampo two rock

Messaggio da bill89 » 27/10/2013, 21:02

bias e stabilizzatore
Allegati
bias stabilizzatore mynewamp.jpg
bias stabilizzatore mynewamp.jpg (11.25 KiB) Visto 5008 volte

bill89
Diyer Eroe
Diyer Eroe
Messaggi: 566
Iscritto il: 17/12/2011, 19:16

Re: Nuovo ampli di stampo two rock

Messaggio da bill89 » 28/10/2013, 12:28

Qualcuno di voi potrebbe darmi dei chiarimenti riguardo alle differenze sonore su queste configurazioni del finale?!
mi sembra arrivato il momento di capirci qualcosa e non copiare e basta!
Allegati
finale my new amp 2.jpg
Finale my new amp.jpg

bill89
Diyer Eroe
Diyer Eroe
Messaggi: 566
Iscritto il: 17/12/2011, 19:16

Re: Nuovo ampli di stampo two rock

Messaggio da bill89 » 28/10/2013, 15:26

Allego uno schema quasi completo... ma non so ancora come comportarmi con l'alimentazione!
Vi chiedo se cortesemente poteste darmi una mano a correggere gli errori di questo schema e se poteste darmi qualche consiglio per l'alimentazione... GRAZIE VERAMENTE!
Allegati
Mynewamp!.jpg

bill89
Diyer Eroe
Diyer Eroe
Messaggi: 566
Iscritto il: 17/12/2011, 19:16

Re: Nuovo ampli di stampo two rock

Messaggio da bill89 » 29/10/2013, 3:21

Sullo schema c'è un errore... ai catodi delle finali ovviamente il valore è di 1R e non 10K...
Cmq pensavo data la bassa tensione e la scarsa potenza di farlo diventare un cathode bias...

Chi mi da una mano a calcolare il finale!?
In rete di trova molto su come si polarizza un triodo ma veramente poco su come impostare un push pull... e non intendo il calcolo della resistenza catodica ma di tutto ciò che sta dopo la PI!!! vorrei saperne di più! :hummm_1:

---------
Penso che questo PS sia abbastanza semplice ma efficace!
Allegati
PS my new amp.jpg
PS my new amp.jpg (11.17 KiB) Visto 4940 volte

Avatar utente
Kagliostro
Amministratore
Amministratore
Messaggi: 9960
Iscritto il: 03/12/2007, 0:16
Località: Prov. di Treviso

Re: Nuovo ampli di stampo two rock

Messaggio da Kagliostro » 29/10/2013, 9:34

In rete ci sono sicuramente le indicazioni che cerchi

io comunque non sono così avanzato e prevalentemente osservo quello che hanno fatto gli altri

decise le valvole finali, mi procuro gli schemi degli ampli che le usano ed hanno le caratteristiche che cerco (ad esempio fixed bias o cathode bias) quindi verifico che componenti sono stati usati, che tensioni, che Trasformatore Uscita e come è stato sviluppato il circuito

Ciao

K

bill89
Diyer Eroe
Diyer Eroe
Messaggi: 566
Iscritto il: 17/12/2011, 19:16

Re: Nuovo ampli di stampo two rock

Messaggio da bill89 » 29/10/2013, 11:09

Grazie K, ho ritrovato dei vecchi link che mi avevi consigliato ed ora mi metto un po' a studiare
http://www.valvewizard.co.uk/index.html

Qui un po' di informazioni si trovano...
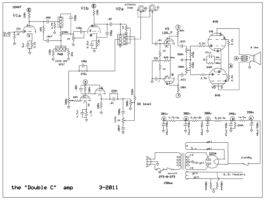
Su un forum americano a cui ho proposto il caso mi hanno fatto presente questo circuito... però i miei voltaggi sono ancora più bassi...
In effetti anche qui si usa un cathode bias...

e questo che è simile...

http://ampgarage.com/forum/download.php?id=30810

Vedo un po' che cosa si può cavare fuori... e continuo ad aggiornare il procedimento...
Allegati
Double C amp.gif

Avatar utente
Kagliostro
Amministratore
Amministratore
Messaggi: 9960
Iscritto il: 03/12/2007, 0:16
Località: Prov. di Treviso

Re: Nuovo ampli di stampo two rock

Messaggio da Kagliostro » 29/10/2013, 14:04

Per come sono disegnati direi che c'è la mano di Tubenit (10thTx su Amp Garage) o Geezer

su che forum hai chiesto, EL34 world o Amp Garage ?

K

bill89
Diyer Eroe
Diyer Eroe
Messaggi: 566
Iscritto il: 17/12/2011, 19:16

Re: Nuovo ampli di stampo two rock

Messaggio da bill89 » 29/10/2013, 16:05

Si, in effetti c'è la mano di 10thTx... ho scritto su ampgarage...

Cmq vorrei proprio imparare a calcolare i vari componenti di un finale... pare non sia impossibile, proviamo!

Avatar utente
Kagliostro
Amministratore
Amministratore
Messaggi: 9960
Iscritto il: 03/12/2007, 0:16
Località: Prov. di Treviso

Re: Nuovo ampli di stampo two rock

Messaggio da Kagliostro » 29/10/2013, 16:34

Dai un'occhiata qui, qualcosa sulle resistenze di catodo per i cathode bias c'è

http://www.ampbooks.com/home/tutorials/lesson-001/

Ciao

K

bill89
Diyer Eroe
Diyer Eroe
Messaggi: 566
Iscritto il: 17/12/2011, 19:16

Re: Nuovo ampli di stampo two rock

Messaggio da bill89 » 29/10/2013, 18:32

Si qualcosa sulle resistenze di catodo ed il condensatore l'ho trovata anche io e sto cercando di capirci qualcosa...
Lo stesso vale per la funzione ed il calcolo della resistenza di screengrid ma quello che non riesco a capire è come funziona e come cambia la resistenza sulla griglia di controllo ed il condensatore di disaccoppiamento...

potresti consigliarmi un simulatore di circuiti che vada bene su mac?! non ci devo fare grandi cose... ma potrebbe essere molto utile anche in futuro per prevedere le mod!
Grazie!

bill89
Diyer Eroe
Diyer Eroe
Messaggi: 566
Iscritto il: 17/12/2011, 19:16

Re: Nuovo ampli di stampo two rock

Messaggio da bill89 » 29/10/2013, 19:35

Allora vediamo di capirci qualcosa prima in termini di suono e poi su come si calcola...
Spero che questo possa essere anche d'aiuto a qualche altro nelle mie condizioni... ;)
Vi chiedo di correggere eventuali errori...
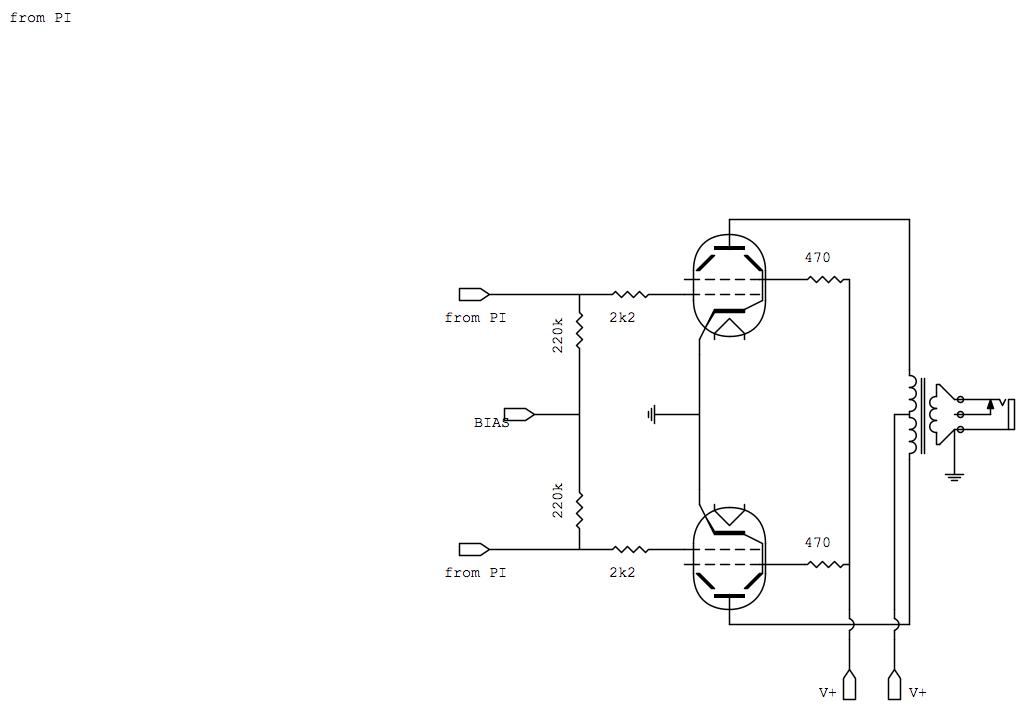
Finale per Studio.jpg
ScreenGrid resistor : a livello tecnico tiene la griglia ad una tensione più bassa del plate, altrimenti si rischia la valvola... allunga la vita ai nostri tubi... il valore storico di 470R pare non abbia molta effecacia... meglio valori da 1k in su!
A livello sonoro aumenta il SAG la compressione ed introduce una distorsione armonica a discapito dell'headroom...
Si può smanettare purchè non si scenda troppo coi valori

Cathode resistors : se si sceglie il cathode bias o un bias misto cathode e fixed va attentamente calcolata... dal suo valore dipende il punto di lavoro della valvola...
meglio calcolarlo per bene in base alle correnti in gioco ed al TU

Cathode cap : nel momento in cui la valvola "lavora" aumenta la corrente che la attraversa... il bias si sposta e si sente quella distorsione caratteristica del cathode bias... un condensatore in quella posizione permette di limitare questo fenomeno...
si può smanettare

Grid leak resistor : insieme alla resistenza al catodo e sulla screen grid setta il bias della valvola... (ancora non ho ben capito in che modo) regola il livello di guadagno dello stadio... un valore basso di grid leak resistor corrisponde ad uno scarso guadagno...
meglio che sia calcolato precisamente

Control Grid stopper : Abbinato alla capacità interna della valvola evita le oscillazioni in alta frequenza... Valori fino a 1K non hanno effetti sul suono perchè tagliano su frequenze ben più alte della banda audio con valori superiori si ha un taglio sulle frequenza alte
si può smanettare entro certi valori: io per sicurezza almeno 1k o 1k5 ce lo lascerei

Coupling Cap: Taglia sulle basse frequenze, a valori più bassi taglia su frequenze più basse.. a valori più alti su quelle più alte!
Si può smanettare, ma ci DEVE essere

N.B. mai superare la resistenza massima di griglia( somma di grid stopper e grid leak) consigliata per la valvola: potrebbe portare a caricare positivamente la griglia innescando un meccanismo di autodistruzione della valvola!

Se potete correggermi sono solo contento... questo è quanto ho capito! :ok_1:

Spero di poter presto realizzare una GUIDA PRATICA al calcolo del finale!!!

Rispondi