Sostieni il forum con una donazione! Il tuo contributo ci aiuterà a rimanere online!
Immagine

di nuovo 15W... obiettivo: farlo suonare!!!

Discussioni di carattere generale sugli amplificatori valvolari...
bill89
Diyer Eroe
Diyer Eroe
Messaggi: 566
Iscritto il: 17/12/2011, 19:16

Re: di nuovo 15W... obiettivo: farlo suonare!!!

Messaggio da bill89 » 11/12/2013, 11:48

Ci sto mettendo più tempo a fare l'ordine che a fare l'ampli... maledetto checkout!!!

Vediamo che succede se faccio un preventivo su Farnell o RS

bill89
Diyer Eroe
Diyer Eroe
Messaggi: 566
Iscritto il: 17/12/2011, 19:16

Re: di nuovo 15W... obiettivo: farlo suonare!!!

Messaggio da bill89 » 11/12/2013, 14:29

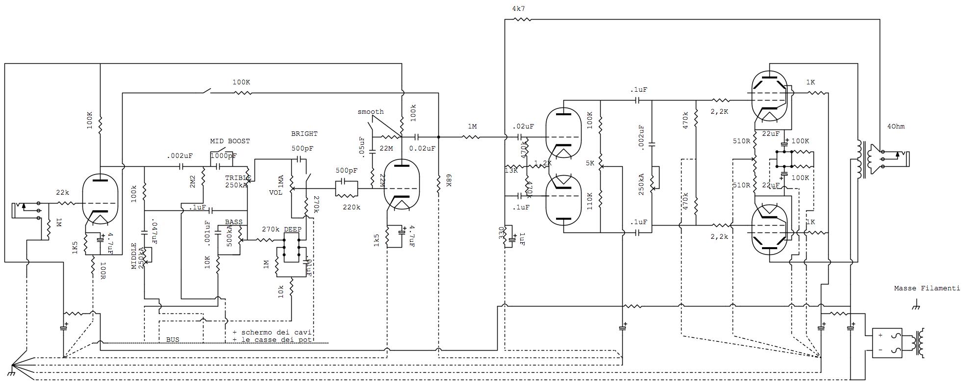
questo cmq è lo schema definitivo dell'ampli
Allegati
definitivo.jpg

Avatar utente
Kagliostro
Amministratore
Amministratore
Messaggi: 9932
Iscritto il: 03/12/2007, 0:16
Località: Prov. di Treviso

Re: di nuovo 15W... obiettivo: farlo suonare!!!

Messaggio da Kagliostro » 11/12/2013, 14:52

Quindi adesso lo schema è definitivo ?

Ci sono un paio di cose (meglio tre) ed un dettaglio che mi incuriosiscono un po'

1) 510R + circa 1/2 100R in serie ai catodi delle finali, non è un po' altino ? Che finali usi ?

2) Mi incuriosisce l'NFB su V1, inserendolo che effetto ti da ?

3) Nel controllo di toni hai già un controllo Treble, come mai usi anche un Tone-Cut tra PI e finali ?

. Lo switch (almeno penso che lo sia) sul Deep non capisco come è cablato, puoi disegnare i contatti (sempre che sia uno switch o un relè) ?

Debbo dire che visto così lo schema incuriosisce abbastanza, una cosetta interessante insomma :numb1:

Quando sarà finito pensi di riuscire a postare almeno un sample ?

Ciao

K

p.s.: Penso tu abbia dimenticato un pallino di giunzione dopo V1b dove c'è l'incrocio tra la linea che porta il segnale alla PI e la res da 68k

bill89
Diyer Eroe
Diyer Eroe
Messaggi: 566
Iscritto il: 17/12/2011, 19:16

Re: di nuovo 15W... obiettivo: farlo suonare!!!

Messaggio da bill89 » 11/12/2013, 15:14

Con 560 ohm circa totali sulle finali ho -19/-20 sulla griglia... sono EHX 6V6
è caldo come bias... ma merita!

---

L'NFB su V1 scava il suono, aumenta l'headroom allontanando crunch che diventa graduale e cremoso... tutto più dinamico...

---

il Tone Cut mi pare (al mio orecchio... non è detto che sia così) che agisca in maniera diversa... ma potrebbe essere anche solo una mia fissa! :mart:

---

Ovviamente provvederò a mettere dei simple anche se a mia strumentazione per registrare non è delle migliori... e la mia mano neanche!
:gui2:

---

non penso di finire l'ampli se banzai non su muove... questa mattina ho chiamato in Germania ed ho parlato con un tizio che aveva un accento marcatissimo... non sono una cima in inglese e lui di certo non aiutava...
Sono riuscito a farmi fare l'ordine da lui e ora dovrebbe mandarmi per Email i dati per il pagamento... ma tra una mezz'ora richiamo! :mart:

Sistemo lo schema!

Avatar utente
Kagliostro
Amministratore
Amministratore
Messaggi: 9932
Iscritto il: 03/12/2007, 0:16
Località: Prov. di Treviso

Re: di nuovo 15W... obiettivo: farlo suonare!!!

Messaggio da Kagliostro » 11/12/2013, 15:26

Beh, il ToneCut veniva usato sui Vox d'annata, l'AC30 ha solo due pot nel TS e il ToneCut compensava dando la possibilità di tagliare gli alti

---

L'idea dell'NFB su V1 come ti è venuta ?

---

Per il bias a -19/20v in mA quanto hai ?

---

Vorrei proprio sentirlo questo ampli, i trasfo sono tutti e due quelli del TSA15H o solo quello di alimentazione ?

Beh, scusa per tutte le domande, ma mi hai incuriosito ;)

K

bill89
Diyer Eroe
Diyer Eroe
Messaggi: 566
Iscritto il: 17/12/2011, 19:16

Re: di nuovo 15W... obiettivo: farlo suonare!!!

Messaggio da bill89 » 11/12/2013, 15:44

non ho le resistenze da 1ohm per misurare purtroppo... ma da datasheet dovrei essere sui 32mA

---

non è idea mia l'NFB sul pre... ma si trova sul Dumble SSS!

----

I trafo sono tutti del TSA15H purtroppo direi... non mi sarebbe dispiaciuta un'impedenza più alta di 7,5Ohm sul primario del OT, e neanche quache decina di volt in più come alimentazione!

---

Guarda K... puoi farmi tutte le domande che vuoi! Questo ampli è anche merito tuo!!! Cn tutte le domande che io ho fatto a te... :numb1:

Prometto di postare un po' di Simple appena finito...

bill89
Diyer Eroe
Diyer Eroe
Messaggi: 566
Iscritto il: 17/12/2011, 19:16

Re: di nuovo 15W... obiettivo: farlo suonare!!!

Messaggio da bill89 » 11/12/2013, 20:24

Ordine effettuato con successo.. ;)
In questi giorni vorrei lavorare un po' sul layout, schema masse e schermatura dei trafo...

Per schermare i trafo potrei usare una cinturina di rame... ho trovato solo quelle nella cartoleria che però non credo siano proprio di rame... un lato è color accaio... probabilmente sono solo bagnate di rame... potrebbero andare bene comunque?! non dovrebbero schermare grosse correnti...

Provvedo a fare uno schema con indicato il gollegamento delle masse... speriamo si capisca qualcosa...

bill89
Diyer Eroe
Diyer Eroe
Messaggi: 566
Iscritto il: 17/12/2011, 19:16

Re: di nuovo 15W... obiettivo: farlo suonare!!!

Messaggio da bill89 » 11/12/2013, 21:11

Questo lo schema delle masse... debug?!
Allegati
schema masse.jpg

Avatar utente
Kagliostro
Amministratore
Amministratore
Messaggi: 9932
Iscritto il: 03/12/2007, 0:16
Località: Prov. di Treviso

Re: di nuovo 15W... obiettivo: farlo suonare!!!

Messaggio da Kagliostro » 11/12/2013, 22:16

Non credo che un materiale diverso dal rame possa andare

ma è solo perchè ho visto usare solo quello

eviterei di mettere una fascia di altro materiale, non so se ci potrebbero essere problemi

Non ricordo più come sia il TA, all'epoca in cui si è parlato della modifica la TSA15H

si parlava di chiuderlo in una scatola di ferro, se non mi sbaglio

K

bill89
Diyer Eroe
Diyer Eroe
Messaggi: 566
Iscritto il: 17/12/2011, 19:16

Re: di nuovo 15W... obiettivo: farlo suonare!!!

Messaggio da bill89 » 11/12/2013, 22:57

volevo evitare la scatoletta di ferro per problemi di montaggio e reperibilità...
Pensavo però all'alluminio utilizzato per schermare internamente le solid body... forse ci sn altre soluzioni per schermare...

vedo di trovare del lamierino di rame su internet... sarebbe la soluzione più pulita... e meno ingombrante...

qualcosa di simile può andar bene?!
http://www.mercatinomusicale.com/mm/a_n ... 27256.html

oppure

http://www.mondo-artista.it/shop/prodot ... -mm-38700a

Avatar utente
Kagliostro
Amministratore
Amministratore
Messaggi: 9932
Iscritto il: 03/12/2007, 0:16
Località: Prov. di Treviso

Re: di nuovo 15W... obiettivo: farlo suonare!!!

Messaggio da Kagliostro » 11/12/2013, 23:43

Il nastro adesivo forse potrebbe andare ma non avendo le idee chiare in merito

ne metterei un solo giro evitando di farne di sovrapposti

La lamina da 1mm mi pare un po' troppo grossa e difficile da sagomare, anche se il rame ricotto è abbastanza tenero, occhio che se è crudo è più duro

Prova a vedere da chi lavora grondaie dalle tue parti, forse trovi qualcosa di più sottile di 1mm

Forse l'annuncio che hai visto per il nastro ha come fonte del materiale questa

http://it.aliexpress.com/item/10m-Adhes ... 73808.html

K

bill89
Diyer Eroe
Diyer Eroe
Messaggi: 566
Iscritto il: 17/12/2011, 19:16

Re: di nuovo 15W... obiettivo: farlo suonare!!!

Messaggio da bill89 » 12/12/2013, 3:14

Da quanto ho letto pare che i nastri adesivi in rame pare abbiano il collante conduttivo... per creare continuità elettrica tra i vari pezzi incollati...
Quindi anche volendo fare più giri di nastro, la spira a livello di conduttività dovrrebbe risultare sempre unica...
o sbaglio!? :hummm_1:

---------

Le calze dei cavi schermati vanno collegate a massa nel punto più vicino o c'è un ordine?! io pensavo di collegarle al Bus insieme alle casse dei pot come in figura...

Avatar utente
Kagliostro
Amministratore
Amministratore
Messaggi: 9932
Iscritto il: 03/12/2007, 0:16
Località: Prov. di Treviso

Re: di nuovo 15W... obiettivo: farlo suonare!!!

Messaggio da Kagliostro » 12/12/2013, 11:22

Non so nulla riguardo al collante conduttivo e quindi non ti posso aiutare

Per quanto riguarda la connessione a massa dello schermo dei cavi vedi figura 15.3b e 15.3c in questo pdf

http://www.valvewizard.co.uk/Grounding.pdf

K

bill89
Diyer Eroe
Diyer Eroe
Messaggi: 566
Iscritto il: 17/12/2011, 19:16

Re: di nuovo 15W... obiettivo: farlo suonare!!!

Messaggio da bill89 » 12/12/2013, 14:02

Ok, grazie... lo avevo letto ma me ne ero dimenticato...

Lì praticamente parla dello schermo come un estensione dello chassis... quindi massa del segnale e degli schermi completamente separate... sarebbe meglio a questo punto creare uno star ground isolato dallo chassis (come un punto di raccolta di tutti gli schermi)per le masse schermo e poi collegarlo allo star ground generale come mi è capitato di leggere?!

Solo che guardando quello schema mi è sorto un dubbio sullo schema delle masse che avevo pensato io...
Il jack l'ho mandato direttamente allo star ground e anche il primo condensatore di filtro, e i catodi delle valvole ai rispettivi condensatori di filtro... (vedi schema) è sbagliato?!

questo è lo schema con le calze a massa separatamente
schema masse.jpg

----

Il rame così sottile l'ho trovato solo in cartoleria ma credo che da un lato sia zincato... oppure domani me ne procura un poco uno che ripara radiatori per auto e mi ha detto che probabilmente sarà zincato anche quello...

Avatar utente
Kagliostro
Amministratore
Amministratore
Messaggi: 9932
Iscritto il: 03/12/2007, 0:16
Località: Prov. di Treviso

Re: di nuovo 15W... obiettivo: farlo suonare!!!

Messaggio da Kagliostro » 12/12/2013, 18:40

I radiatori auto una volta erano in rame, adesso sono in alluminio

non so cosa possa avere a disposizione quel riparatore

niente lattonieri/grondaisti dalle tue parti ?

---

Per le masse, lo sai, ci sono un po' di scuole di pensiero diverse, adottane una e vedi come si comporta la soluzione che hai implementato

---

Non capisco lo schema sotto ai catodi delle finali cap/100k res

Ciao

K

Rispondi