Sostieni il forum con una donazione! Il tuo contributo ci aiuterà a rimanere online!
Immagine

Testata 30-40W MKIIc+ Style

Discussioni di carattere generale sugli amplificatori valvolari...
Avatar utente
robi
Amministratore
Amministratore
Messaggi: 9762
Iscritto il: 17/12/2006, 13:57
Località: Alba

Re: Testata 30-40W MKIIc+ Style

Messaggio da robi » 27/04/2015, 8:35

Io implemento entrambi i sistemi sui miei ampli "serie smanettona".
Hanno entrambi la loro utile e differente funzione.

Una domanda semplice: siete sicuri che la tensione ai capi del secondario sia adatta a quella retroazione, e non vada scalata?

Avatar utente
pasqua86
Diyer Eroe
Diyer Eroe
Messaggi: 681
Iscritto il: 19/06/2012, 20:49
Località: Provincia di Padova

Re: Testata 30-40W MKIIc+ Style

Messaggio da pasqua86 » 27/04/2015, 8:59

Il secondario è composto da un tap da 16 ohm e uno da 8 ohm.
Al mio ritorno faccio qualche misurazione delle tensioni, anche sein un primo momento la retroazione era collegata al tap da 16 ohm, poi l'abbiamo spostata su quello da 8.
il risultato non è cambiato un granchè :hummm_1:

Comunque in ogni caso il TU montato è parecchio ridicolo...molto più adatto ad un P-P di 6V6 date le dimensioni secondo me..Andrà infatti sostituito da un nuovo trasformatore di dimensioni più adatte alla potenza in ballo...

Avatar utente
robi
Amministratore
Amministratore
Messaggi: 9762
Iscritto il: 17/12/2006, 13:57
Località: Alba

Re: Testata 30-40W MKIIc+ Style

Messaggio da robi » 27/04/2015, 13:20

Ciao, mi riferivo al rapporto di trasformazione che determina i valori del NFB, non alla potenza.

Avatar utente
Kagliostro
Amministratore
Amministratore
Messaggi: 9958
Iscritto il: 03/12/2007, 0:16
Località: Prov. di Treviso

Re: Testata 30-40W MKIIc+ Style

Messaggio da Kagliostro » 27/04/2015, 13:44

Insisto, hai provato ad aumentare di valore R58 o RV14 ?

K

Avatar utente
pasqua86
Diyer Eroe
Diyer Eroe
Messaggi: 681
Iscritto il: 19/06/2012, 20:49
Località: Provincia di Padova

Re: Testata 30-40W MKIIc+ Style

Messaggio da pasqua86 » 27/04/2015, 14:12

Purtroppo sono fuori tutto il giorno...solo stasera riuscirò a mettere mano al circuito...appena riesco a fare qualche test vi faccio sapere

Avatar utente
robi
Amministratore
Amministratore
Messaggi: 9762
Iscritto il: 17/12/2006, 13:57
Località: Alba

Re: Testata 30-40W MKIIc+ Style

Messaggio da robi » 27/04/2015, 20:04

pasqua86 ha scritto:la testa suona sempre troppo "aperta" con qualsiasi regolazione
kagliostro ha scritto:Insisto, hai provato ad aumentare di valore R58 o RV14 ?
Se la testata è sempre troppo aperta, vuol dire che ha poco NFB, quindi casomai vanno abbassati quei valori.

Io farei una prova a mettere anche un presence convenzionale, e capire come reagisce la testata.

Avatar utente
pasqua86
Diyer Eroe
Diyer Eroe
Messaggi: 681
Iscritto il: 19/06/2012, 20:49
Località: Provincia di Padova

Re: Testata 30-40W MKIIc+ Style

Messaggio da pasqua86 » 27/04/2015, 22:40

Eccomi...dopo vari test fatti in serata, ho deciso per RV14 a 500k mentre R58 l'ho portata da 3k3 che era inizialmente a 220 ohm...
Ora ho una buona regolazione del comando su tutta la corsa e il lead risulta molto più gestibile e meno zanzare :numb1:
Purtroppo il problema del fischio che si presenta nel lead quando imposto i treble e il volume oltre ore 2,00 persiste...qui dovrò veramente escogitare qualcosa...

Avatar utente
pasqua86
Diyer Eroe
Diyer Eroe
Messaggi: 681
Iscritto il: 19/06/2012, 20:49
Località: Provincia di Padova

Re: Testata 30-40W MKIIc+ Style

Messaggio da pasqua86 » 27/04/2015, 22:48

robi ha scritto:
pasqua86 ha scritto: Io farei una prova a mettere anche un presence convenzionale, e capire come reagisce la testata.
Scusami Robi, ho provato a modificare il mio messaggio precedente aggiungendo il "quote" ma il thread non mi permetteva più di farlo..

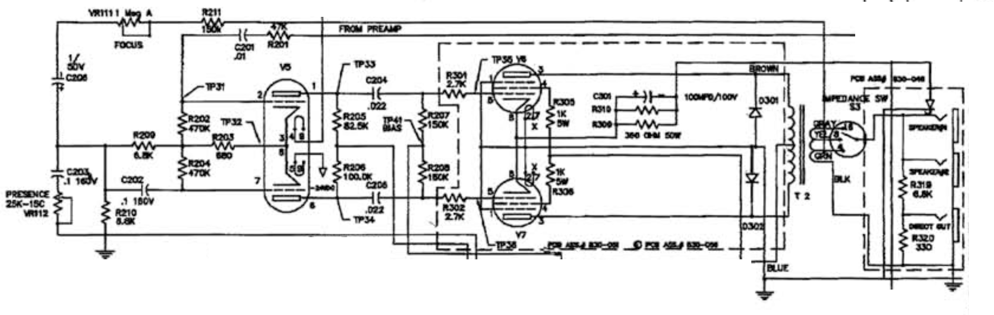
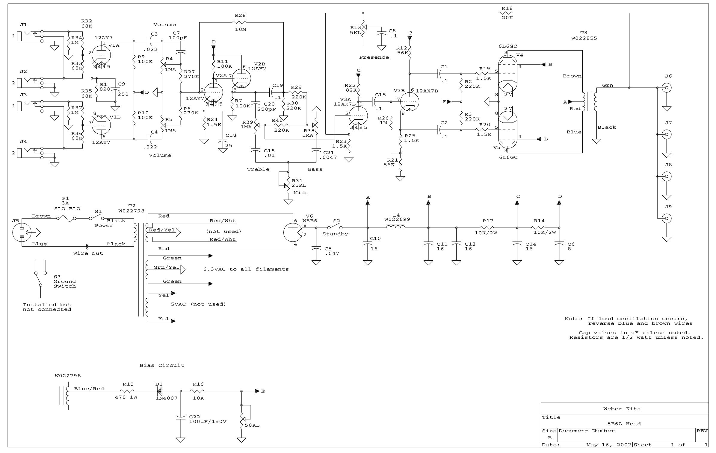
Ho provato a cercare qualche schemino, tu intendevi uno qualcosa tipo questo?
Allegati
5e6a_schem.jpg

Avatar utente
robi
Amministratore
Amministratore
Messaggi: 9762
Iscritto il: 17/12/2006, 13:57
Località: Alba

Re: Testata 30-40W MKIIc+ Style

Messaggio da robi » 27/04/2015, 23:50

Tipo il Rivera Venus

Avatar utente
Vicus
Roger Mayer Jr.
Roger Mayer Jr.
Messaggi: 2086
Iscritto il: 15/07/2007, 18:43
Località: Rossano Veneto VI

Re: Testata 30-40W MKIIc+ Style

Messaggio da Vicus » 28/04/2015, 8:03

Io avevo pensato al bassman 59/marshall 1987

Avatar utente
Kagliostro
Amministratore
Amministratore
Messaggi: 9958
Iscritto il: 03/12/2007, 0:16
Località: Prov. di Treviso

Re: Testata 30-40W MKIIc+ Style

Messaggio da Kagliostro » 28/04/2015, 8:55

Certo che potrebbero disegnarli un po' meno confusionati sti schemi
rivera_venus_5_sch.pdf
(291.05 KiB) Scaricato 204 volte
rivera_venus_5_Focus+Presence.jpg
K

Avatar utente
pasqua86
Diyer Eroe
Diyer Eroe
Messaggi: 681
Iscritto il: 19/06/2012, 20:49
Località: Provincia di Padova

Re: Testata 30-40W MKIIc+ Style

Messaggio da pasqua86 » 28/04/2015, 17:12

Certo che è proprio fatto bene questo schema :face_green:

Avatar utente
robi
Amministratore
Amministratore
Messaggi: 9762
Iscritto il: 17/12/2006, 13:57
Località: Alba

Re: Testata 30-40W MKIIc+ Style

Messaggio da robi » 28/04/2015, 17:16

In realtà sono scansionati male.

Se stampati bene sono sì compattissimi (non volevano avere rimandi a cento fogli tipo Marshall), ma entrando nella loro ottica si seguono piuttosto bene.
Non è il classico schema da monocanale anni 60, questo sì!

Sembra più un valvolare disegnato in stile da ampli transistor anni '90.

Avatar utente
Kagliostro
Amministratore
Amministratore
Messaggi: 9958
Iscritto il: 03/12/2007, 0:16
Località: Prov. di Treviso

Re: Testata 30-40W MKIIc+ Style

Messaggio da Kagliostro » 28/04/2015, 18:32

A me ricorda molto lo stile Korg ...

K

Rispondi