Sostieni il forum con una donazione! Il tuo contributo ci aiuterà a rimanere online!
Immagine

Riparazione amplificatore FBT 500 BR aiuto schema corretto

Problemi con un ampli? Esponili qui!
Slash_83
Diyer Esperto
Diyer Esperto
Messaggi: 263
Iscritto il: 24/08/2019, 14:18

Re: Riparazione amplificatore FBT 500 BR aiuto schema corretto

Messaggio da Slash_83 » 01/09/2023, 11:37

Ho tensioni troppo alte.
La a 415v..
La serie di resistenze di filtro pare che non abbassare nulla..

Slash_83
Diyer Esperto
Diyer Esperto
Messaggi: 263
Iscritto il: 24/08/2019, 14:18

Re: Riparazione amplificatore FBT 500 BR aiuto schema corretto

Messaggio da Slash_83 » 01/09/2023, 11:50

Dall ingresso del trafo di alimentazione il Selettore tensione impostato su 220 è troppo. Oovo. Ho alzato selettore a 240v e dal secondario finalmente escono 375v circa!

Già iniziamo a ragionare :ohhh:

Avatar utente
Kagliostro
Amministratore
Amministratore
Messaggi: 9958
Iscritto il: 03/12/2007, 0:16
Località: Prov. di Treviso

Re: Riparazione amplificatore FBT 500 BR aiuto schema corretto

Messaggio da Kagliostro » 01/09/2023, 16:22

Ormai è da tempo che la rete in Italia non è più 220V di standard, ho dovuto modificare la fonovaligia di un amico quando gliela ho restaurata perché altrimenti la tensione saliva troppo, nel suo caso c'era il settaggio 240V nel cambio tensione ma in realtà poi nel trasformatore non c'era la presa corrispondente, ho risolto con un trasformatore da 18V collegato come Booking per abbassare la tensione in ingresso

Messo il cambiotensione su 240V che tensione misuri sui filamenti ?

K

Slash_83
Diyer Esperto
Diyer Esperto
Messaggi: 263
Iscritto il: 24/08/2019, 14:18

Re: Riparazione amplificatore FBT 500 BR aiuto schema corretto

Messaggio da Slash_83 » 01/09/2023, 17:47

Kagliostro ha scritto:
01/09/2023, 16:22
Ormai è da tempo che la rete in Italia non è più 220V di standard, ho dovuto modificare la fonovaligia di un amico quando gliela ho restaurata perché altrimenti la tensione saliva troppo, nel suo caso c'era il settaggio 240V nel cambio tensione ma in realtà poi nel trasformatore non c'era la presa corrispondente, ho risolto con un trasformatore da 18V collegato come Booking per abbassare la tensione in ingresso

Messo il cambiotensione su 240V che tensione misuri sui filamenti ?

K
Sui filamenti adesso la tensione è ok.
A memoria ora no. Ma ricordo più tardi controllo e appunto.
Ho comunque ancora quel problema di suoni sordi continui sporadicamente ma credo di essere vicino al problema.


C'è qualcosa nell area tra phase inverter e finali, che crea disturbo.

Se tocco con la punta del tester una delle resistenze da 220k parte disturbo, se tocco l'altra il suono sparisce.
Saldatura fredda o resistenza difettosa.

Scusate ignoranza..cambio problema Ma io ancora non riesco a ragionare sul bias qui.

Ho quei due trimmer che non riesco a capire..
So che è un circuito semplice.. Ma muovendo sti trimmer io non riesco ad apprezzare cambi valori .

Suggerimenti su come procedere?
Allegati
IMG_20230901_174348.jpg

Avatar utente
Kagliostro
Amministratore
Amministratore
Messaggi: 9958
Iscritto il: 03/12/2007, 0:16
Località: Prov. di Treviso

Re: Riparazione amplificatore FBT 500 BR aiuto schema corretto

Messaggio da Kagliostro » 01/09/2023, 19:19

Il pot da 10k regola la tensione del Bias, il pot da 1k regola il bilanciamento di corrente tra le due valvole

K

Slash_83
Diyer Esperto
Diyer Esperto
Messaggi: 263
Iscritto il: 24/08/2019, 14:18

Re: Riparazione amplificatore FBT 500 BR aiuto schema corretto

Messaggio da Slash_83 » 01/09/2023, 20:48

Io leggo dei valori strani di bias.

Una roba tipo - 500mv circa

Scusate.. Purtroppo quest ampli era della buonanima di mio zio che temo abbia potuto smanettare senza cognizione..

Sto cercando di tradurre lo stesso schema adattandolo a ciò che vedo qui davanti..

Slash_83
Diyer Esperto
Diyer Esperto
Messaggi: 263
Iscritto il: 24/08/2019, 14:18

Re: Riparazione amplificatore FBT 500 BR aiuto schema corretto

Messaggio da Slash_83 » 01/09/2023, 20:51

Dal secondario Dell ampli io vedo due rossi che sarebbero i370v circa.. Due Martino che danno 6.3v ac

Quei due bianchi?? 🤔
Allegati
Screenshot_2023-09-01-20-48-54-48_99c04817c0de5652397fc8b56c3b3817.jpg

Slash_83
Diyer Esperto
Diyer Esperto
Messaggi: 263
Iscritto il: 24/08/2019, 14:18

Re: Riparazione amplificatore FBT 500 BR aiuto schema corretto

Messaggio da Slash_83 » 01/09/2023, 21:45

:Gra_1:

Ho invertito i cavi bianchi..
Non c'era praticamente tensione negativa..

Il ticchettio continuo era, penso, una qualche distorsione di crossover dettata da bias a zero praticamente.

Tanto è che le finali scaldavano molto (le ho stressate ma appena vedevo rossore spegnevo ampli)

Adesso ho circa - 25v..e la distorsione sparisce. Appena col primo trimmer abbasso questa tensione, parte disturbo.

Sono molto felice.

Questo amplificatore era di mio zio, morto molto giovane, che da piccolo mi affascinava nel suo garage a Taranto vecchio suonando il basso con questo ampli

Avatar utente
Kagliostro
Amministratore
Amministratore
Messaggi: 9958
Iscritto il: 03/12/2007, 0:16
Località: Prov. di Treviso

Re: Riparazione amplificatore FBT 500 BR aiuto schema corretto

Messaggio da Kagliostro » 02/09/2023, 7:35

Ma in pratica i due fili bianchi a cosa erano collegati ? Ovviamente vedendo schema e la foto che hai postato non è possibile capirlo ed in foto di fili bianchi se ne vedono 3 (anche se uno sembra avere diametro diverso)

K

Slash_83
Diyer Esperto
Diyer Esperto
Messaggi: 263
Iscritto il: 24/08/2019, 14:18

Re: Riparazione amplificatore FBT 500 BR aiuto schema corretto

Messaggio da Slash_83 » 02/09/2023, 7:44

Kagliostro ha scritto:
02/09/2023, 7:35
Ma in pratica i due fili bianchi a cosa erano collegati ? Ovviamente vedendo schema e la foto che hai postato non è possibile capirlo ed in foto di fili bianchi se ne vedono 3 (anche se uno sembra avere diametro diverso)

K
IMG_20230902_073947.jpg
I due fili bianchi erano questi.
Non capisco esattamente perché, ma dal filo bianco collegato al diodo non usciva alcuna tensione, dall altro (che era stato collegato a massa) si.,circa 48v

Io non sono un professionista, ma mi viene da pensare che o un ramo dei 50v è bruciato (e quindi l'erogazione doveva essere essere 100ac).
Io però non qui adesso ho un range di bias corretto, - 20/-25 v.. Sono sceso fino a - 21 circa stamattina senza alcuna distorsione (il valore consigliato è circa - 20,5v)

Mi sta bene così.

Il prossimo step è aggiungere un standby switch sui rami dell alta tensione e richiudere tutto.
Mi sento soddisfatto
È ti ringrazio molto...

https://mega.nz/file/oc0ihQ6C#7-VgCwqgU ... PiHL6PMQzk

Slash_83
Diyer Esperto
Diyer Esperto
Messaggi: 263
Iscritto il: 24/08/2019, 14:18

Re: Riparazione amplificatore FBT 500 BR aiuto schema corretto

Messaggio da Slash_83 » 02/09/2023, 7:47

Aggiungo una riflessione.. Mi piace imparare da ogni cosa.

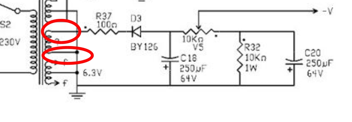
I due fili rossi, i 38o v, vengono raddrizzati da una coppia di diodi.

I fili bianchi invece, la. Tensione più bassa, viene utilizzato un solo diodo.

Domanda.: perché?

Avatar utente
Kagliostro
Amministratore
Amministratore
Messaggi: 9958
Iscritto il: 03/12/2007, 0:16
Località: Prov. di Treviso

Re: Riparazione amplificatore FBT 500 BR aiuto schema corretto

Messaggio da Kagliostro » 02/09/2023, 10:23

Quel trasformatore ha due semi avvolgimenti per l'anodica ed il CT, di conseguenza per avere a disposizione tutte e due le semionde (e meno ripple) il CT va collegato (obbligatoriamente) a massa e si devono usare due diodi

Per quanto riguarda il Bias, generalmente si usa un solo diodo (la corrente assorbita è quasi nulla e quindi l'elettrolitico riesce a mitigare per quel che serve il ripple)

Con un avvolgimento per il Bias dedicato come in questo FBT, potresti anche pensare di rifare il circuito con un ponte, ma se tutto funziona come deve lascerei tutto originale

K

Slash_83
Diyer Esperto
Diyer Esperto
Messaggi: 263
Iscritto il: 24/08/2019, 14:18

Re: Riparazione amplificatore FBT 500 BR aiuto schema corretto

Messaggio da Slash_83 » 02/09/2023, 11:15

Grazie mille!

Si, lascerò tutto come è. Il meglio è nemico del buono 😂


Hai maggiori info sui due trafo?

Slash_83
Diyer Esperto
Diyer Esperto
Messaggi: 263
Iscritto il: 24/08/2019, 14:18

Re: Riparazione amplificatore FBT 500 BR aiuto schema corretto

Messaggio da Slash_83 » 02/09/2023, 11:45

In realtà, l'unica cosa che mi incuriosiva è l'idea di sfruttate quel triodo abbandonato su v2 per poter guidare un riverbero 😅😅😎😎

Suggerimenti??

Avatar utente
Kagliostro
Amministratore
Amministratore
Messaggi: 9958
Iscritto il: 03/12/2007, 0:16
Località: Prov. di Treviso

Re: Riparazione amplificatore FBT 500 BR aiuto schema corretto

Messaggio da Kagliostro » 02/09/2023, 14:09

Riguardo ai trasformatori non ho notizie

Per la questione riverbero si potrebbe anche fare qualcosa ma con un solo triodo fai la parte che pilota il tank o quella che recupera il segnale per cui dovresti arrangiare un ibrido triodo + Mosfet

Forse con un solo triodo potresti arrangiare un tremolo

Non so ancora se il tuo amp sia in versione 2 o 4 ingressi ...

K

Rispondi