Sostieni il forum con una donazione! Il tuo contributo ci aiuterà a rimanere online!

Problemi con un ampli? Esponili qui!
-
sobas66
- Diyer Esperto

- Messaggi: 375
- Iscritto il: 03/06/2014, 22:18
- Località: Provincia di Treviso
Messaggio
da sobas66 » 15/06/2024, 8:15
Salve a tutti!
Ho un paio di ampli in riparazione e volevo chiedervi che, dopo aver sostituito i condensatori e controllato le valvole che tarature ci fossero da fare a livello di bias...o altro...
Ciao
Leonardo diceva: "
L'esperienza è il nome che si dà ai propri sbagli."
-
raf71
- Diyer Eroe

- Messaggi: 988
- Iscritto il: 12/08/2010, 17:24
- Località: Pozzuoli (NA)
Messaggio
da raf71 » 16/06/2024, 13:02
Ciao Daniele. Le EL503 hanno 25W di dissipazione anodica più qualche altro watt sulla griglia schermo. Se ricordo bene questa testata ha la possibilità di regolare il bias ed il bilanciamento.
Saluti
Raf
Napoletani si nasce.....
-
sobas66
- Diyer Esperto

- Messaggi: 375
- Iscritto il: 03/06/2014, 22:18
- Località: Provincia di Treviso
Messaggio
da sobas66 » 16/06/2024, 13:34
Esatto!

Questo è uno schema molto simile al mio e i due trimmer cerchiati in azzurro sono quelli delle regolazioni che mi dicevi...ma non so a che valori vanno impostati
Grazie
Leonardo diceva: "
L'esperienza è il nome che si dà ai propri sbagli."
-
Kagliostro
- Amministratore

- Messaggi: 9949
- Iscritto il: 03/12/2007, 0:16
- Località: Prov. di Treviso
Messaggio
da Kagliostro » 16/06/2024, 17:47
Devo cercare, non ricordo bene, forse da qualche parte ho delle info utili
Franco
-
Kagliostro
- Amministratore

- Messaggi: 9949
- Iscritto il: 03/12/2007, 0:16
- Località: Prov. di Treviso
Messaggio
da Kagliostro » 16/06/2024, 21:30
Ciao
Daniele
Ti metto in allegato un po' di documentazione (vari datasheet + schemì)
che ho in archivio
Con i datasheet dovresti essere in grado di ricavarti una tensione di Bias che si adatti al tuo schema
Altrimenti aggiungi la solita resistenza da 1R tra catodi e massa e vai direttamente a regolare in base alla dissipazione che vuoi dare alla valvola (ricordati solo che la corrente è per 2 valvole se metti un solo resistore tra catodi e massa)
Con 275V di anodica in Cathode Bias (resistore da 56R) hai 11.6V al catodo (vedi schema allegato)
Con 500V di anodica e 275V su G2 in Fixed Bias gli danno -31V (vedi altro schema)
Sul Bass Organ ci dovrebbe essere Anodica 365V e Bias -20.5V se non sbaglio
- 8278.pdf
- (70.33 KiB) Scaricato 192 volte

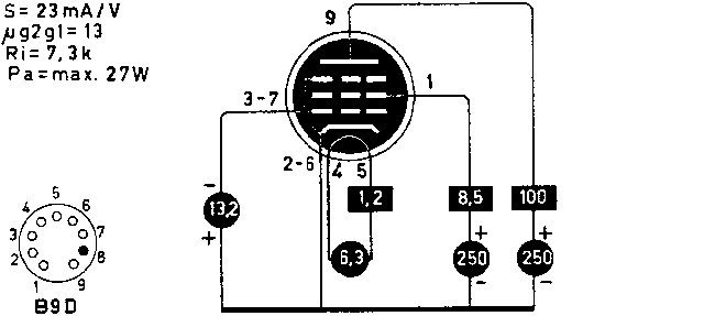
- EL503.gif (4.96 KiB) Visto 6259 volte
Franco
-
Kagliostro
- Amministratore

- Messaggi: 9949
- Iscritto il: 03/12/2007, 0:16
- Località: Prov. di Treviso
Messaggio
da Kagliostro » 16/06/2024, 22:37
Tu quanto misuri di anodica ?
Franco
-
Kagliostro
- Amministratore

- Messaggi: 9949
- Iscritto il: 03/12/2007, 0:16
- Località: Prov. di Treviso
Messaggio
da Kagliostro » 16/06/2024, 23:52
Sull'FBT 1200R ci sono 360V di anodica con -20V per il Bias ma sui catodi ci sono due resistori da 20R (su 4 finali), ne dedurrei che il 1200R non è un Fixed Bias ma un Mixed Bias, visto che per la configurazione Cathode Bias il resistore al catodo è da 56R (per due valvole con 275V di anodica)
Franco
-
raf71
- Diyer Eroe

- Messaggi: 988
- Iscritto il: 12/08/2010, 17:24
- Località: Pozzuoli (NA)
Messaggio
da raf71 » 18/06/2024, 18:43
Ciao Daniele. Per le regolazioni: quello in alto, tra le PI, mettilo al centro; poi installa la classica resistenza da 1 ohm sui catodi delle finali, misura la tensione agli anodi delle finali, calcola quanta corrente vuoi per ogni valvola. Col trimmer sul PSU stabilisci la tensione negativa di bias e col trimmer in alto tra la PI vai a bilanciare questa tensione tra le due finali.
Napoletani si nasce.....
-
sobas66
- Diyer Esperto

- Messaggi: 375
- Iscritto il: 03/06/2014, 22:18
- Località: Provincia di Treviso
Messaggio
da sobas66 » 18/06/2024, 21:01
Grazie a tutti!
L'anodica misurata è di 355v e la tensione di bias di -20v
Dallo schema leggo che ci devono essere 18v per ramo,

quindi con il pot da 1k regolo che ambedue i rami abbiano la stessa tensione e poi con l'altro da 10k la imposto a -18, giusto?
Ciao
Leonardo diceva: "
L'esperienza è il nome che si dà ai propri sbagli."
-
Kagliostro
- Amministratore

- Messaggi: 9949
- Iscritto il: 03/12/2007, 0:16
- Località: Prov. di Treviso
Messaggio
da Kagliostro » 18/06/2024, 21:23
Forse il contrario
Prima setti i 18V poi bilanci i rami
Franco
-
sobas66
- Diyer Esperto

- Messaggi: 375
- Iscritto il: 03/06/2014, 22:18
- Località: Provincia di Treviso
Messaggio
da sobas66 » 19/06/2024, 20:10
Ok fatto! Grazie! Adesso ho i potenziometri del volume che gracchiano e sono quelli con l'interruttore push-pull
Ciao
Leonardo diceva: "
L'esperienza è il nome che si dà ai propri sbagli."
-
robi
- Amministratore

- Messaggi: 9738
- Iscritto il: 17/12/2006, 13:57
- Località: Alba
Messaggio
da robi » 20/06/2024, 11:39
-
sobas66
- Diyer Esperto

- Messaggi: 375
- Iscritto il: 03/06/2014, 22:18
- Località: Provincia di Treviso
Messaggio
da sobas66 » 20/06/2024, 12:10
No, quelli sono con l'interruttore rotativo a me serve push-pull come quelli che si usano nelle chitarre a da 1 Mohm
Ho provato a smontarli e spruzzarci dentro il disossidante ma i primi gradi, con il volume al minimo gracchiano di brut

to
Ciao
Leonardo diceva: "
L'esperienza è il nome che si dà ai propri sbagli."
-
robi
- Amministratore

- Messaggi: 9738
- Iscritto il: 17/12/2006, 13:57
- Località: Alba
Messaggio
da robi » 20/06/2024, 13:39
-
sobas66
- Diyer Esperto

- Messaggi: 375
- Iscritto il: 03/06/2014, 22:18
- Località: Provincia di Treviso
Messaggio
da sobas66 » 22/06/2024, 14:59
Mi son fatto coraggio e l'ho dissaldato e smontato...
c'è percaso una deriva dei potenziometri? Misurato anche questo (come quello dell' 5C1!) ha una resistenza di 400k anzichè 1 Mohm
Disossidato e lubrificato e rimontato sembra funzionare....
Ciao
Leonardo diceva: "
L'esperienza è il nome che si dà ai propri sbagli."