Sostieni il forum con una donazione! Il tuo contributo ci aiuterà a rimanere online!
Immagine

Boss HM-3

Discussioni di carattere generale sugli effetti analogici e non..
Rispondi
gormangox
Diyer
Diyer
Messaggi: 103
Iscritto il: 28/08/2008, 17:09

Boss HM-3

Messaggio da gormangox » 16/02/2010, 19:32

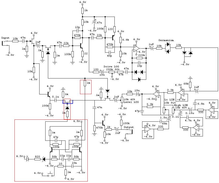
Qualcuno ha mai costruito questo pedale utilizzando lo schema che si trova in giro per la rete? (allegato)
Sapete se è fedele al suono dell'originale?

In questo schema mancano le sigle dei transistor, dei diodi e degli IC.
Inoltre ci sarebbe il flip-flop da eliminare per poterlo fare true bypass.
Se qualcuno è disposto ad aiutarmi ne sarei grato e sarei disposto a ricambiare con il circuito sbrogliato da mettere in galleria.

Ne vale la pena secondo voi?
Allegati
boss-hm-3-hyper-metal-pedal-schematic.jpg
Ultima modifica di gormangox il 16/02/2010, 19:41, modificato 1 volta in totale.

Avatar utente
Fix_Metal
Braccio destro di Roger Mayer
Braccio destro di Roger Mayer
Messaggi: 1955
Iscritto il: 28/07/2008, 3:44
Località: Bergamo
Contatta:

Re:Boss HM-3

Messaggio da Fix_Metal » 16/02/2010, 20:11

Non so cosa faccia il pedale, però dovrebbe bastare togliere quella roba cerchiata in rosso e fare il cavallotto fra source e drain sul JFET (ho colorato di blu il cavallotto). In sostanza levi il jfet, cavallotti source e drain, levi la R da 1M centrale che và verso il circuito di switching e di fatto isoli il tutto.
Correggetemi se sbaglio :pardon1:

p.s. -4,5V sulla massa del jack? :????: :????:
Allegati
index.jpg
Ultima modifica di Fix_Metal il 16/02/2010, 20:14, modificato 1 volta in totale.
[url=http://www.forumspile.com/][img]http://www.forumspile.com/Signatures/Userbar-Forumspile-1.jpg[/img][/url]

Avatar utente
fr3d
Diyer Eroe
Diyer Eroe
Messaggi: 582
Iscritto il: 05/12/2006, 22:49

Re:Boss HM-3

Messaggio da fr3d » 16/02/2010, 21:33

La versione bonificata dovrebbe risultare così:
Immagine
naturalmente manca il wiring di jack, switch e alimentazione, ma quelli sono standard e si trovano in giro
...tra l'altro se guardi in galleria ce n'è una versione simile di luix
[align=center][url=http://www.diyitalia.eu/forum/index.php?action=search][img]http://www.diyitalia.eu/forum/Themes/igoh114/images/italian/search.gif[/img][/url]  [img]http://img523.imageshack.us/img523/1523/senzatitolo1hj2.gif[/img][/align]

gormangox
Diyer
Diyer
Messaggi: 103
Iscritto il: 28/08/2008, 17:09

Re:Boss HM-3

Messaggio da gormangox » 17/02/2010, 1:34

Ho trovato anche questo, sembra diverso, cosa ne pensate?

http://www.nicosonic.com/schems/BossHM3.pdf

gormangox
Diyer
Diyer
Messaggi: 103
Iscritto il: 28/08/2008, 17:09

Re:Boss HM-3

Messaggio da gormangox » 26/02/2010, 19:16

Ma i diodi 1ss133 non sono al germanio come quelli dell'altro schema, li conoscete?
Inoltre nell'altro schema mi sembra che alcun siano al germanio e altri non sono specificati, gli 1n4148 o 1n914 in quel caso andranno bene?
E per i transistor e gli IC cosa potrei usare?

Avatar utente
fr3d
Diyer Eroe
Diyer Eroe
Messaggi: 582
Iscritto il: 05/12/2006, 22:49

Re:Boss HM-3

Messaggio da fr3d » 26/02/2010, 19:41

c'è un datasheet qui. Puoi tranquillamente usare gli 1n4148 che sono equivalenti  :numb1:
Quelli al germanio nel secondo schema proprio non ci sono. Sono solo i due centrali nell'altro schema, e dovrebbero introdurre crossover distortion. Io me li eviterei, come dal secondo schema, anche perchè troppe distorsioni diverse insieme è facile che si traducano in una discreta porcheria. Oltretutto la crossover distortion è abbastanza sgradevole IMHO.
Per i transistor suppongo che i classici 2n3904 o i bc549 vadano bene. Volendo puoi sempre fare un collage tra i due schemi prendendo il secondo fino all'ic 2a e impiantarci la porzione dell'eq del primo. Probabilmente non conviene, è solo che a me stanno antipatici i gyrator a transistor...  :face_green:
Per gli ic vanno bene i soliti tl072, 4558 ecc.
:rockon:
[align=center][url=http://www.diyitalia.eu/forum/index.php?action=search][img]http://www.diyitalia.eu/forum/Themes/igoh114/images/italian/search.gif[/img][/url]  [img]http://img523.imageshack.us/img523/1523/senzatitolo1hj2.gif[/img][/align]

Rispondi