PERSONALIZZAZIONE FENDER CHAMP 5F1
- Kagliostro
- Amministratore

- Messaggi: 9967
- Iscritto il: 03/12/2007, 0:16
- Località: Prov. di Treviso
Re: PERSONALIZZAZIONE FENDER CHAMP 5F1
Gli do' sicuramente una controllata
Comunque mi sono riletto un po' di cose in giro ed il mio pensiero è che il layout come lo avevo disegnato poteva andare se si fosse messo un bell'elettrolitico con la sua resistenza vicino ai diodi (il ripple si sarebbe fermato nelle sue vicinanze)
di questo sono molto convinto
ciò nonostante, visto che in genere più o meno tutti fanno la piccola board con i condensatori ed i diodi, se vuoi fare in quel modo, sicuramente puoi
Ciao
K
Comunque mi sono riletto un po' di cose in giro ed il mio pensiero è che il layout come lo avevo disegnato poteva andare se si fosse messo un bell'elettrolitico con la sua resistenza vicino ai diodi (il ripple si sarebbe fermato nelle sue vicinanze)
di questo sono molto convinto
ciò nonostante, visto che in genere più o meno tutti fanno la piccola board con i condensatori ed i diodi, se vuoi fare in quel modo, sicuramente puoi
Ciao
K
- Kagliostro
- Amministratore

- Messaggi: 9967
- Iscritto il: 03/12/2007, 0:16
- Località: Prov. di Treviso
Re: PERSONALIZZAZIONE FENDER CHAMP 5F1
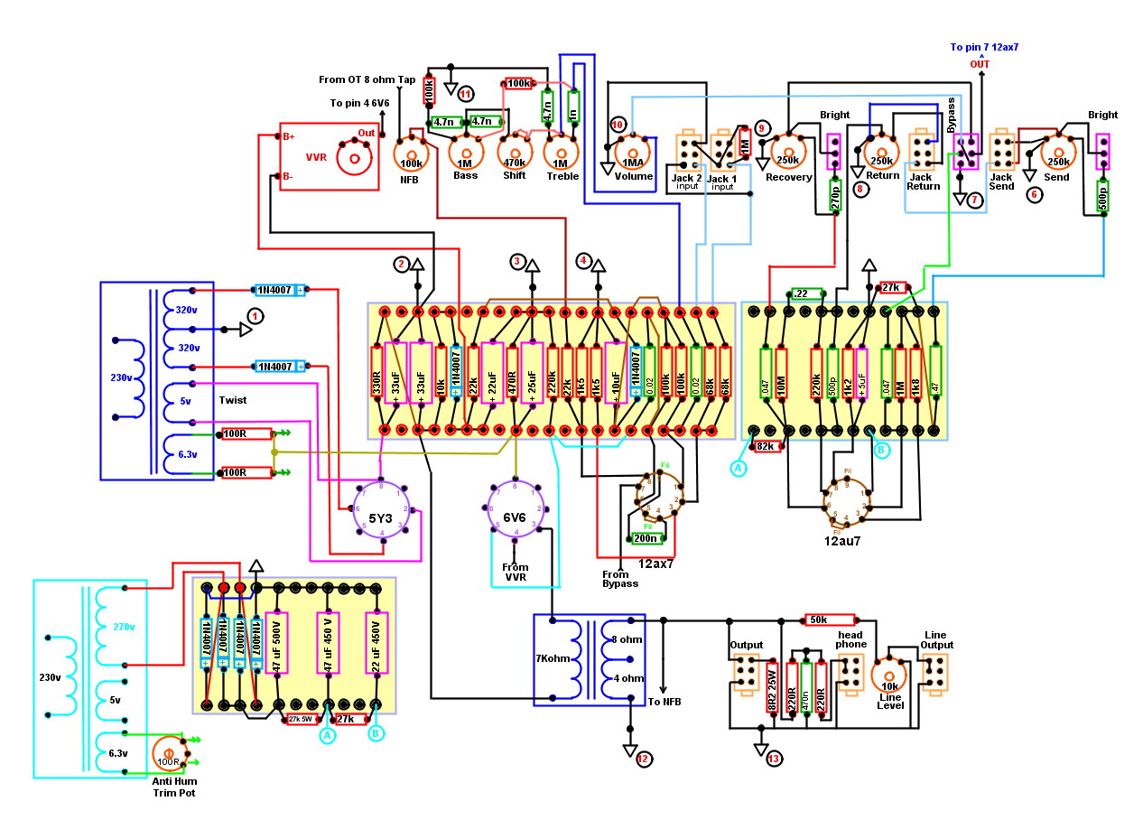
Ecco la versione rivista e completata
Mi sembra ok, ma se gli dai un ultimo controllo è tutto di guadagnato
Ciao
K
Mi sembra ok, ma se gli dai un ultimo controllo è tutto di guadagnato
Ciao
K
- Allegati
-
- layout 2012 12 18.rar
- (15.62 KiB) Scaricato 227 volte
Re: PERSONALIZZAZIONE FENDER CHAMP 5F1
ciao a tutti ragazzi
sto assemblando l'ampli in questi giorni, e non so quali siano il tip e gli altri elementi del jack di questo tipo. fino ad adesso ho sempre utilizzato i jack da 6,3 di alluminio, quelli che si trovano nelle chitarre, li trovo secondo me più resistenti. non avendo a casa uno di questi a sei poli per potermi determinare con il tester il tip , ring sleve ecc, chiedo a voi visto che non ho trovato nulla sul web

sto assemblando l'ampli in questi giorni, e non so quali siano il tip e gli altri elementi del jack di questo tipo. fino ad adesso ho sempre utilizzato i jack da 6,3 di alluminio, quelli che si trovano nelle chitarre, li trovo secondo me più resistenti. non avendo a casa uno di questi a sei poli per potermi determinare con il tester il tip , ring sleve ecc, chiedo a voi visto che non ho trovato nulla sul web
- Allegati
-
- jack 6.3.png (4.5 KiB) Visto 4897 volte
- Kagliostro
- Amministratore

- Messaggi: 9967
- Iscritto il: 03/12/2007, 0:16
- Località: Prov. di Treviso
Re: PERSONALIZZAZIONE FENDER CHAMP 5F1
Non ho trovato schemini da postare
comunque nell'immagine vedi bene quali sono le connessioni dirette e quelle switchate
in genere, usa prese isolate, se serve, le colleghi a massa tu dove serve
per capirti pensa al jack maschio mono che ha sulla punta il segnale e dall'altra parte lo schermo, per gli stereo nel mezzo c'è l'altro canale
Guardando l'immagine quando inserisci il jack nella presa la parte a destra resta collegata al jack maschio, ed il contatto tra parte destra e parte sinistra presente nella presa femmina si apre
Se qualcuno avesse lo schemino forse capiresti meglio


K
comunque nell'immagine vedi bene quali sono le connessioni dirette e quelle switchate
in genere, usa prese isolate, se serve, le colleghi a massa tu dove serve
per capirti pensa al jack maschio mono che ha sulla punta il segnale e dall'altra parte lo schermo, per gli stereo nel mezzo c'è l'altro canale
Guardando l'immagine quando inserisci il jack nella presa la parte a destra resta collegata al jack maschio, ed il contatto tra parte destra e parte sinistra presente nella presa femmina si apre
Se qualcuno avesse lo schemino forse capiresti meglio


K
Re: PERSONALIZZAZIONE FENDER CHAMP 5F1
grazie K
quelli a destra sono i jack da me utilizzati.credo di non avere problemi riguardo l'isolamento dei jack...lo spero anche perchè con questi, non saprei come fare....
che ne dite è giusto??
quelli a destra sono i jack da me utilizzati.credo di non avere problemi riguardo l'isolamento dei jack...lo spero anche perchè con questi, non saprei come fare....
che ne dite è giusto??
- Kagliostro
- Amministratore

- Messaggi: 9967
- Iscritto il: 03/12/2007, 0:16
- Località: Prov. di Treviso
Re: PERSONALIZZAZIONE FENDER CHAMP 5F1
Nei connettori di quel tipo non c'è "sleeve", basta che guardi l'immagine
Tutta la fila di connettori che sta dalla parte opposta è in parallelo con quelli che hai segnato tramite uno switch che si apre all'inserimento del jack maschio
---
Visto che ti interessano i metodi per rendere più silenzioso l'ampli leggiti questo
http://www.el34world.com/Forum/index.php?topic=11427.0
N.B.: non si devono necessariamente costruire apparecchiature particolari, è una cosa che puoi fare ad orecchio, vedi il secondo filmato (ricorda che ci sono alcuni tipi di condensatori che non avranno differenze di buzz tra un senso di collegamento e l'altro)
K
Tutta la fila di connettori che sta dalla parte opposta è in parallelo con quelli che hai segnato tramite uno switch che si apre all'inserimento del jack maschio
---
Visto che ti interessano i metodi per rendere più silenzioso l'ampli leggiti questo
http://www.el34world.com/Forum/index.php?topic=11427.0
N.B.: non si devono necessariamente costruire apparecchiature particolari, è una cosa che puoi fare ad orecchio, vedi il secondo filmato (ricorda che ci sono alcuni tipi di condensatori che non avranno differenze di buzz tra un senso di collegamento e l'altro)
K
Re: PERSONALIZZAZIONE FENDER CHAMP 5F1
grazie mille k
una curiosità..da ignorante ho misurato il primario del tu hammond.....il valore misurato deve corrispondere al valore scritto sulla targhetta del primario ossia 7kohm? ho misurato il primario e risulta 323 ohm......è normale?

una curiosità..da ignorante ho misurato il primario del tu hammond.....il valore misurato deve corrispondere al valore scritto sulla targhetta del primario ossia 7kohm? ho misurato il primario e risulta 323 ohm......è normale?
Re: PERSONALIZZAZIONE FENDER CHAMP 5F1
È normale. Tu stai misurando la resistenza dc.
Quella che indichi è l'impedenza riflessa sul primario.
Quella che indichi è l'impedenza riflessa sul primario.
Re: PERSONALIZZAZIONE FENDER CHAMP 5F1
grz robi.
oggi pomeriggio ho finito di assemblare l'ampli. tengo a precisare che non ho aggiunto al layout ai pin 2 7 la tensione da 6,3 per alimentare la 6V6. finisco di revisionare tutto, accendo l'ampli ed in uscita ho dei fruscii e dei crepitii davvero inudibili. eppure a differenza del primo, le saldature stavolta le ho fatte meglio, ho pulito la superficie prima di saldarla, ho usato la pasta salda, e ho protetto con la guaina termorestringente le stesse.prima di inserire i pot ho sbloccato gli alberini con il disossidante per farli girare meglio....mah....mi sento cosi--->
ho provato a variare il potenziometro del VVR e nella cozzaglia di debole suono di chitarra e fruscii noto la funzionalità del componente. mi accorgo però che non ho strinto bene il potenziometro, spengo tutto, prendo la chiave inglese, stringo anche se mi accorgo di averlo fatto troppo(non l'avessi fatto) cosi allento un po il perno.
come diminuisco al minimo il vvr dal potenziometro escono delle scintille blu elettriche.....dopo aver bestemmiato in questa stupenda giornata di natale
, riprovo ad accendere l'ampli e per fortuna funziona tutto come prima ossia malucciamente. ma il problema del vvr rimane. al min comincia a flesciare blu 
la cosa che mi pento maledettamente in questo progetto: lo chassis. troppo piccolo. pensavo di non inserire il tonestack e di avere lo spazio necessario, anche se non ne potevo farne a meno..ho cercato di fare un wiring per bene ma questo è il massimo che ho potuto fare.
secondo voi da cosa dipende quel problema del vvr? è possibile che dopo aver strinto un po di più il pot sino a non farlo girare e allentarlo visto le conseguenze (non l'ho fatto a posta
), il vvr mi fa i capricci? non bisogna portarlo quasi a 0 ? eppure prima di stringere il pot non mi dava questi problemi....
chiedo a voi... ciao
oggi pomeriggio ho finito di assemblare l'ampli. tengo a precisare che non ho aggiunto al layout ai pin 2 7 la tensione da 6,3 per alimentare la 6V6. finisco di revisionare tutto, accendo l'ampli ed in uscita ho dei fruscii e dei crepitii davvero inudibili. eppure a differenza del primo, le saldature stavolta le ho fatte meglio, ho pulito la superficie prima di saldarla, ho usato la pasta salda, e ho protetto con la guaina termorestringente le stesse.prima di inserire i pot ho sbloccato gli alberini con il disossidante per farli girare meglio....mah....mi sento cosi--->
ho provato a variare il potenziometro del VVR e nella cozzaglia di debole suono di chitarra e fruscii noto la funzionalità del componente. mi accorgo però che non ho strinto bene il potenziometro, spengo tutto, prendo la chiave inglese, stringo anche se mi accorgo di averlo fatto troppo(non l'avessi fatto) cosi allento un po il perno.
come diminuisco al minimo il vvr dal potenziometro escono delle scintille blu elettriche.....dopo aver bestemmiato in questa stupenda giornata di natale
la cosa che mi pento maledettamente in questo progetto: lo chassis. troppo piccolo. pensavo di non inserire il tonestack e di avere lo spazio necessario, anche se non ne potevo farne a meno..ho cercato di fare un wiring per bene ma questo è il massimo che ho potuto fare.
secondo voi da cosa dipende quel problema del vvr? è possibile che dopo aver strinto un po di più il pot sino a non farlo girare e allentarlo visto le conseguenze (non l'ho fatto a posta
chiedo a voi... ciao
- Kagliostro
- Amministratore

- Messaggi: 9967
- Iscritto il: 03/12/2007, 0:16
- Località: Prov. di Treviso
Re: PERSONALIZZAZIONE FENDER CHAMP 5F1
Penso che il pot del VVR sia andato
Fino a quando non te ne procuri un'altro scollega tutta la parte VVR e collega direttamente il circuito bypassandolo, eviti problemi e ti concentri sul resto del circuito
non ho capito come fai a sentire suoni se non alimenti i filamenti della 6v6 ??
Il tonestack l'ai inserito o no, da come hai scritto non capisco
se non hai spazio un'idea per averlo ce l'ho .................
K
P.S. Ammazza che resistore di potenza !!!!
Fino a quando non te ne procuri un'altro scollega tutta la parte VVR e collega direttamente il circuito bypassandolo, eviti problemi e ti concentri sul resto del circuito
non ho capito come fai a sentire suoni se non alimenti i filamenti della 6v6 ??
Il tonestack l'ai inserito o no, da come hai scritto non capisco
se non hai spazio un'idea per averlo ce l'ho .................
K
P.S. Ammazza che resistore di potenza !!!!
Re: PERSONALIZZAZIONE FENDER CHAMP 5F1
aahahah eh si è bella grossa la resistenza =)
li ho collegati i filamenti della 6,3 v alla 6v6 dopo avermi accorto che essa non si riscaldava, dopo ho fatto le varie prove. il tonestack l'ho inserito K. ho fatto tutto ciò in base all'ultimo layout.
non mi sono ricordato di inserire i 2 fusibili al progetto..cosi li ho inseriti in ''modo diy'' dentro lo chassis. non avendo spazio ho interrotto solo la fase del primo fusibile relativo al circuito del champ, in questo modo però, come inserisci la spina, il trasfo del s/r parte subito ad alimentare. ho alimentato con il trasformatore del s/r il pre e la valvola per il s/r.
più che altro la mia preoccupazione dello spazio,sono i cavi,secondo me son quelli molto probabile a causarmi tutte quelle rogne.... cosa mi proponi?
li ho collegati i filamenti della 6,3 v alla 6v6 dopo avermi accorto che essa non si riscaldava, dopo ho fatto le varie prove. il tonestack l'ho inserito K. ho fatto tutto ciò in base all'ultimo layout.
non mi sono ricordato di inserire i 2 fusibili al progetto..cosi li ho inseriti in ''modo diy'' dentro lo chassis. non avendo spazio ho interrotto solo la fase del primo fusibile relativo al circuito del champ, in questo modo però, come inserisci la spina, il trasfo del s/r parte subito ad alimentare. ho alimentato con il trasformatore del s/r il pre e la valvola per il s/r.
più che altro la mia preoccupazione dello spazio,sono i cavi,secondo me son quelli molto probabile a causarmi tutte quelle rogne.... cosa mi proponi?
- Kagliostro
- Amministratore

- Messaggi: 9967
- Iscritto il: 03/12/2007, 0:16
- Località: Prov. di Treviso
Re: PERSONALIZZAZIONE FENDER CHAMP 5F1
Escludi il VVR ed il circuito del send return e fallo bene, non con cavi volanti
cosa succede ?
K
cosa succede ?
K
Re: PERSONALIZZAZIONE FENDER CHAMP 5F1
ok lo farò.
succede che appena vario le manopole del tonestack si sentono quei tipici ululati che emettono le valvole e forti fruscii...faccio queste prove che mi hai detto, e ti faccio sapere.
succede che appena vario le manopole del tonestack si sentono quei tipici ululati che emettono le valvole e forti fruscii...faccio queste prove che mi hai detto, e ti faccio sapere.
- Kagliostro
- Amministratore

- Messaggi: 9967
- Iscritto il: 03/12/2007, 0:16
- Località: Prov. di Treviso
Re: PERSONALIZZAZIONE FENDER CHAMP 5F1
I fruscii mi fanno pensare ad un condensatore connesso in modo errato
Prova anche, per adesso, ad escludere il ToneControl
Certo che dal layout credevo che lo chassis fosse piu grande ........ peccato
K
Prova anche, per adesso, ad escludere il ToneControl
Certo che dal layout credevo che lo chassis fosse piu grande ........ peccato
K
- Kagliostro
- Amministratore

- Messaggi: 9967
- Iscritto il: 03/12/2007, 0:16
- Località: Prov. di Treviso
Re: PERSONALIZZAZIONE FENDER CHAMP 5F1
Tempo e paglia maturano le nespole
cioè, con un po' di pazienza ho trovato le immagini che volevo mostrarti



---
Per il rumore, per portare il segnale dell'NFB dal TU al circuito hai usato cavetto schermato ?
se si, bene, se no, cambia e metti uno schermato
K
cioè, con un po' di pazienza ho trovato le immagini che volevo mostrarti



---
Per il rumore, per portare il segnale dell'NFB dal TU al circuito hai usato cavetto schermato ?
se si, bene, se no, cambia e metti uno schermato
K

