Sostieni il forum con una donazione! Il tuo contributo ci aiuterà a rimanere online!
Immagine

100W 2ch all-homemade

Discussioni di carattere generale sugli amplificatori valvolari...
Avatar utente
Kagliostro
Amministratore
Amministratore
Messaggi: 9960
Iscritto il: 03/12/2007, 0:16
Località: Prov. di Treviso

Re: 100W 2ch all-homemade

Messaggio da Kagliostro » 16/01/2014, 17:15

Direi di si, ma abbassa l'anodica che è esagerata

K

Avatar utente
Kagliostro
Amministratore
Amministratore
Messaggi: 9960
Iscritto il: 03/12/2007, 0:16
Località: Prov. di Treviso

Re: 100W 2ch all-homemade

Messaggio da Kagliostro » 16/01/2014, 17:28

Devo dire che probabilmente ricordavo male

ricordavo una tensione catodo/filamenti con una differenza massima di 90v

mentre nel datasheet della 12ax7 GE vengono indicati 180v

probabilmente la valvola che sopporta max 90v è un'altra

http://www.r-type.org/pdfs/12ax7.pdf

K

MapleMarco
Roger Mayer Jr.
Roger Mayer Jr.
Messaggi: 2658
Iscritto il: 02/06/2012, 14:22
Località: Mirano (VE)

Re: 100W 2ch all-homemade

Messaggio da MapleMarco » 16/01/2014, 18:08

insomma, una bella resistenza da 10, 15k 3W a monte del pre...
ottimo!
CHE DIO B'ASSISTA!

Avatar utente
Kagliostro
Amministratore
Amministratore
Messaggi: 9960
Iscritto il: 03/12/2007, 0:16
Località: Prov. di Treviso

Re: 100W 2ch all-homemade

Messaggio da Kagliostro » 16/01/2014, 19:24

Abbassare la tensione su un pre non è come cercare di abbassarla su un finale

siccome nel pre scorre tutto sommato poca corrente e non ci sono picchi sensibili

una res va benissimo

K

MapleMarco
Roger Mayer Jr.
Roger Mayer Jr.
Messaggi: 2658
Iscritto il: 02/06/2012, 14:22
Località: Mirano (VE)

Re: 100W 2ch all-homemade

Messaggio da MapleMarco » 16/01/2014, 20:25

mi sono appena accorto di non aver messo la canonica res da 220k in parallelo ai primi condensatori di filtro...non è che sia quello il problema???
CHE DIO B'ASSISTA!

Avatar utente
Kagliostro
Amministratore
Amministratore
Messaggi: 9960
Iscritto il: 03/12/2007, 0:16
Località: Prov. di Treviso

Re: 100W 2ch all-homemade

Messaggio da Kagliostro » 16/01/2014, 21:57

Beh,il bleed resistor un po' di carico lo fa, ma se il TA è un po' sovradimensionato, non dovrebbe neanche accorgersene

Porta pazienza Marco non ricordo più che TA usi, è uno di quelli che ti sei autocostruito ?

Si, ho visto, nel 1° post del tread, ora, con 320v AC è normale che ti ritrovi ~450v DC

e con 400mA ........

Tu comunque metti le resistenze magari anche un po' più alte di valore per provare, collegni le valvole e casomai ridiminuisci fino ad arrivare al valore giusto

---

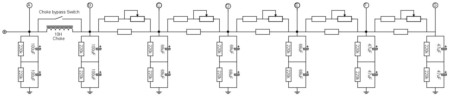
Tempo fa mi era venuta un'idea per un PS da usare per le prove, ecco lo schema

i valori sono indicativi non esattamente quelli da usare
Bench DC Power Supply.jpg
in pratica sfruttando il fatto che la corrente passa dalla parte della resistenza minore

ho pensato di arrangiare un PS in cui a delle resistenze (di valore congruo) sono messi in parallelo dei normali potenziometri (di valore adeguato) e ruotando i pot otterrei di modificare il valore delle resistenze agendo in tal modo sul livello della tensione d'uscita

K

MapleMarco
Roger Mayer Jr.
Roger Mayer Jr.
Messaggi: 2658
Iscritto il: 02/06/2012, 14:22
Località: Mirano (VE)

Re: 100W 2ch all-homemade

Messaggio da MapleMarco » 16/01/2014, 22:23

mhm, è necessaria quella blend resistor?

mi toccherebbe "sporcare" il pcb...se serve la metto, sennò no...

ho giusto recuperato una 23K 3W (recuperata da una radio militare.........da li credo si spieghi il valore non commerciale) che sostituirò alla 10K che segue la choke in SS.... ;)


buona l'idea dei trimmer in parallelo alle resistenze...basterebbe trovarle da 1W....perche se reggono meno, in teoria, si bruciano...
dato che i w necessari in quel punto sono almeno 2...e si distribuiscono a metà quindi......

o sbaglio?
Ultima modifica di MapleMarco il 16/01/2014, 22:27, modificato 1 volta in totale.
CHE DIO B'ASSISTA!

Avatar utente
Kagliostro
Amministratore
Amministratore
Messaggi: 9960
Iscritto il: 03/12/2007, 0:16
Località: Prov. di Treviso

Re: 100W 2ch all-homemade

Messaggio da Kagliostro » 16/01/2014, 22:26

Oddio, obbligatoria non è

c'è chi per abitudine la mette in tutte le sue costruzioni

ma ti lascio immaginare il motivo

Certo, comunque, la sua presenza male non fa

K

MapleMarco
Roger Mayer Jr.
Roger Mayer Jr.
Messaggi: 2658
Iscritto il: 02/06/2012, 14:22
Località: Mirano (VE)

Re: 100W 2ch all-homemade

Messaggio da MapleMarco » 17/01/2014, 20:22

abbassato la tensione massima a 404 V senza valvole...
abbasso ancora o così dite che possa già andare??
CHE DIO B'ASSISTA!

Avatar utente
Kagliostro
Amministratore
Amministratore
Messaggi: 9960
Iscritto il: 03/12/2007, 0:16
Località: Prov. di Treviso

Re: 100W 2ch all-homemade

Messaggio da Kagliostro » 18/01/2014, 0:50

Devi abbassare ancora, senza le finali e senza essere in funzione, con le sole valvole del pre

l'assorbimento è basso e la tensione cala di poco, in ogni caso dopo sei sempre nella

possibilità di abbassare il valore delle resistenze per far salire il voltaggio al livello

desiderato

K

MapleMarco
Roger Mayer Jr.
Roger Mayer Jr.
Messaggi: 2658
Iscritto il: 02/06/2012, 14:22
Località: Mirano (VE)

Re: 100W 2ch all-homemade

Messaggio da MapleMarco » 18/01/2014, 12:29

abbassato ancora a 380 e ora ho finito le resistenze da 3W in casa, cavoli!! è ancora troppo credo....va da 340 a 380 V...poveri anodi!!

ed i problemi non sono finiti qui!! misuro la tensione sul bias e mi accorgo che invece di essere negativa, è zero...
allora misuro il secondario che arriva dal trasformatore ed invece di darmi 60V mi da 280V!!! i 340V dell'anodica meno i 60V del bias...
cosa che mi lascia di stucco dato che prima di montarlo sull'amp, il trasformatore lavorava correttamente...

:hummm_1:

a questo punto temo di aver sbagliato la configurazione del TA...
allego un pdf di com'è fatto sto coso...spero mi smentiate..
ORANGE-TA.pdf
(3.95 KiB) Scaricato 189 volte
Ultima modifica di MapleMarco il 18/01/2014, 12:58, modificato 1 volta in totale.
CHE DIO B'ASSISTA!

Avatar utente
Kagliostro
Amministratore
Amministratore
Messaggi: 9960
Iscritto il: 03/12/2007, 0:16
Località: Prov. di Treviso

Re: 100W 2ch all-homemade

Messaggio da Kagliostro » 18/01/2014, 12:57

Ciao Marco

Ma come sono ricavati i 60v per il bias dal trasformatore

presumo tu non abbia fatto un avvolgimento separato e ti sia limitato ad una presa intermedia

se non ricordo male il tuo TA non ha CT quindi dovrebbe essere così
TA esempio.jpg
TA esempio.jpg (8.42 KiB) Visto 3995 volte
e se tu mi colleghi B e C invece di B e A quando misuri ..........................

K

EDIT: Hai aggiunto lo schemino mentre stavo postando, ma non cambia nulla, i 55v del tuo schema vanno riportati sotto e non sopra a quell'avvolgimento

MapleMarco
Roger Mayer Jr.
Roger Mayer Jr.
Messaggi: 2658
Iscritto il: 02/06/2012, 14:22
Località: Mirano (VE)

Re: 100W 2ch all-homemade

Messaggio da MapleMarco » 18/01/2014, 13:03

esatto...
ma quando arrivo al ponte a diodi tra A e C non c'è differenza...
o sbaglio? uhm

in che senso sotto e non sopra??
CHE DIO B'ASSISTA!

Avatar utente
Kagliostro
Amministratore
Amministratore
Messaggi: 9960
Iscritto il: 03/12/2007, 0:16
Località: Prov. di Treviso

Re: 100W 2ch all-homemade

Messaggio da Kagliostro » 18/01/2014, 13:08

Dove hai messo i puntali del tester per misurare i 60v ?

Se misuri tra A e B hai 60v

Se misuri tra B e C hai 280v

K

MapleMarco
Roger Mayer Jr.
Roger Mayer Jr.
Messaggi: 2658
Iscritto il: 02/06/2012, 14:22
Località: Mirano (VE)

Re: 100W 2ch all-homemade

Messaggio da MapleMarco » 18/01/2014, 13:15

allora, aspetta che sto facendo confusione...
intanto grazie per l'eterna pazienza K :face_green:

allora, ora ci sono, ho "trovato" i 50V...(stavo misurando tra B e C ovviamente)
il mio dubbio però resta...

che differenza fa se i capi dell'HV li saldo A-C piuttosto che C-A sul ponte a diodi? in teoria, nessuna...giusto?
CHE DIO B'ASSISTA!

Rispondi