Triamp con GU50 e KT88
Re: Triamp con GU50 e KT88
Ciao K.
Per gli speakon è semplicissimo: sul connettore maschio che si cabla al finale hai cmq 4 poli. il -2 e il +2 vengono ponticellati. In questo modo quando colleghi il connettore colleghi anche i catodi ( con la dovuta precauzione di tenere a 0 i master volume, ovviamente ). Gli speakon reggono circa 30 Ampere su ogni polo e sono studiati anche per poter trasportare linee di alimentazione, quindi siamo tranquilli.
Per l'alimentazione dei filamenti, non sono sicuro neanch'io e chiedo se potrebbe andare .
Per gli speakon è semplicissimo: sul connettore maschio che si cabla al finale hai cmq 4 poli. il -2 e il +2 vengono ponticellati. In questo modo quando colleghi il connettore colleghi anche i catodi ( con la dovuta precauzione di tenere a 0 i master volume, ovviamente ). Gli speakon reggono circa 30 Ampere su ogni polo e sono studiati anche per poter trasportare linee di alimentazione, quindi siamo tranquilli.
Per l'alimentazione dei filamenti, non sono sicuro neanch'io e chiedo se potrebbe andare .
- Kagliostro
- Amministratore

- Messaggi: 9949
- Iscritto il: 03/12/2007, 0:16
- Località: Prov. di Treviso
Re: Triamp con GU50 e KT88
Ecco la formuletta per il calcolo dei gyrator ad uso Choke
Dalla fonte viene specificato che trattandosi di circuito con un solo transistor, la formula è approssimativa
K
Dalla fonte viene specificato che trattandosi di circuito con un solo transistor, la formula è approssimativa
K
Re: Triamp con GU50 e KT88
Grazie, K. 
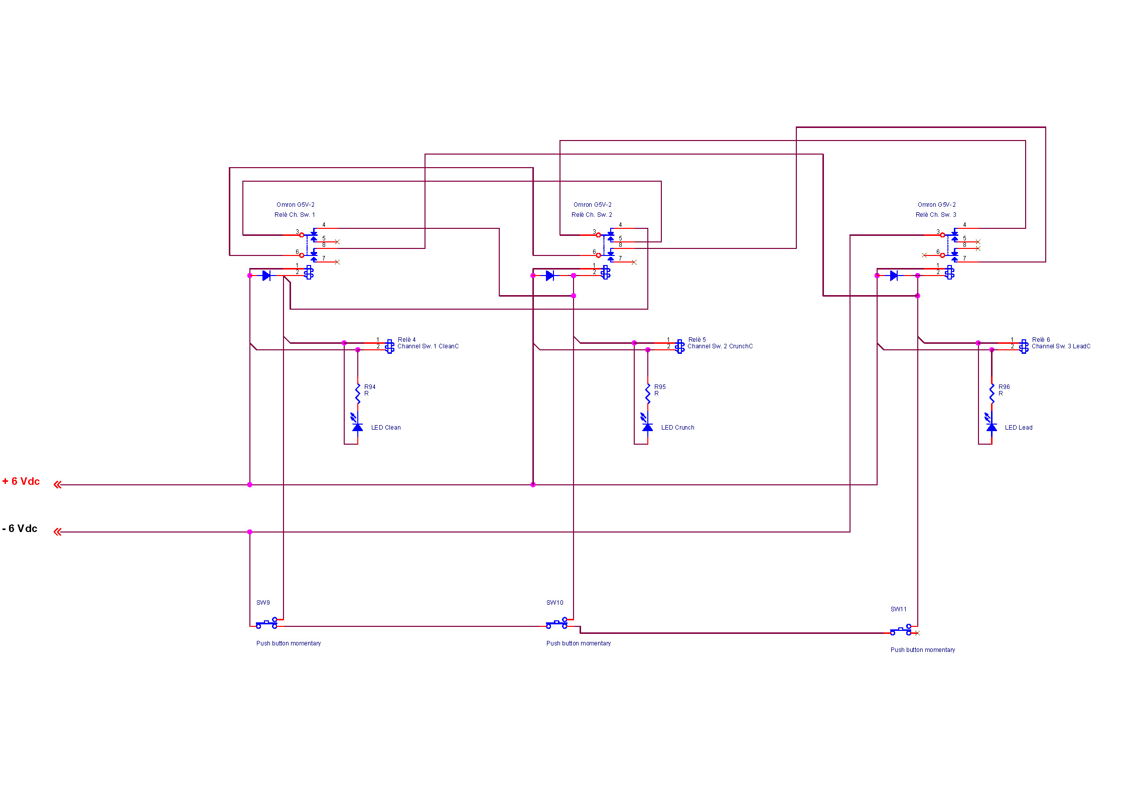
Ripensando alle alimentazioni credo che elevare dopo la retifica sia la cosa migliore. Il tipo di circuito che ho adottato è progettato per avere 6,3 Vdc ( dallo zener si intuisce
), quindi dato che ho preso 10 Omron g5v2 per lo switching del segnale ( 5 Vdc ) posso evitare tranquillamente di dissipare tanto calore per abbassare da 12,6 a 6,3 Vdc / 5 Vdc:
Questo è il sistema di switching ad autoesclusione che mi sono inventato. L'ho testato attaccando alla bruta i relè con dei pulsantini momentanei e funziona
Ripensando alle alimentazioni credo che elevare dopo la retifica sia la cosa migliore. Il tipo di circuito che ho adottato è progettato per avere 6,3 Vdc ( dallo zener si intuisce
Questo è il sistema di switching ad autoesclusione che mi sono inventato. L'ho testato attaccando alla bruta i relè con dei pulsantini momentanei e funziona
- Kagliostro
- Amministratore

- Messaggi: 9949
- Iscritto il: 03/12/2007, 0:16
- Località: Prov. di Treviso
Re: Triamp con GU50 e KT88
Per quanto riguarda la formula, mi verrebbe quasi da pensare che ci sia un errore di stampa nel valore di R3 che dovrebbe/potrebbe (??) essere tre volte i 10R indicati (cioè 30R) ma maledetta la volta che ho studiato partita doppia anzichè qualcosa di più interessante .......
K
K
Re: Triamp con GU50 e KT88
Ok, ovviamente non potevo postare uno schema dove non ci fossero errori, no?
Lo schema inerente all'autoesclusione dei relè ha tutti i diodi al contrario!Sorry. Cmq, facendo finta che siano giusti, cosa ne pensate ?
Qualche fotina del vestito:
...E' la prima volta che faccio il rivestimento con il tolex, ma credo di essermi attenuto a tutte le "normative" per ciò che riguarda angoli e bolle.
Lo schema inerente all'autoesclusione dei relè ha tutti i diodi al contrario!Sorry. Cmq, facendo finta che siano giusti, cosa ne pensate ?
...ehm, what's ?kagliostro ha scritto:...ma maledetta la volta che ho studiato partita doppia anzichè qualcosa di più interessante .......
K
Qualche fotina del vestito:
...E' la prima volta che faccio il rivestimento con il tolex, ma credo di essermi attenuto a tutte le "normative" per ciò che riguarda angoli e bolle.
-
MapleMarco
- Roger Mayer Jr.

- Messaggi: 2658
- Iscritto il: 02/06/2012, 14:22
- Località: Mirano (VE)
Re: Triamp con GU50 e KT88
Tamarra al punto giusto!!
io ammetto di essere per le cose più sobrie tipo legno e pelle nera, e pelle vera, non tolex....ma è solo perchè sono architetto ed è una malattia incurabile...
sotto sotto questo pitonato che urla anni ottanta a squarciagola...mi sconfinfera
io ammetto di essere per le cose più sobrie tipo legno e pelle nera, e pelle vera, non tolex....ma è solo perchè sono architetto ed è una malattia incurabile...
sotto sotto questo pitonato che urla anni ottanta a squarciagola...mi sconfinfera
CHE DIO B'ASSISTA!
Re: Triamp con GU50 e KT88
Grazie Marco.
...Dici che è un pò tamarra??? Forse hai ragione. Ma mi è piaciuto talmente tanto quel pitonato rosso e nero ( dalle foto sembra fuxia e nero ma non è! ) che non ho saputo resistere. L'ho immaginata nella mia mente esattamente così con un imponente chassis color oro satinato. Speriamo sia una Tamarrata elegante almeno.
...Dici che è un pò tamarra??? Forse hai ragione. Ma mi è piaciuto talmente tanto quel pitonato rosso e nero ( dalle foto sembra fuxia e nero ma non è! ) che non ho saputo resistere. L'ho immaginata nella mia mente esattamente così con un imponente chassis color oro satinato. Speriamo sia una Tamarrata elegante almeno.
-
MapleMarco
- Roger Mayer Jr.

- Messaggi: 2658
- Iscritto il: 02/06/2012, 14:22
- Località: Mirano (VE)
Re: Triamp con GU50 e KT88
io la vedo bene anche con uno chassis di questo tipo:
così il tolex si prende tutta la scena che gli spetta!! 
CHE DIO B'ASSISTA!
Re: Triamp con GU50 e KT88
Moooooooooolto bella!!!!

-
MapleMarco
- Roger Mayer Jr.

- Messaggi: 2658
- Iscritto il: 02/06/2012, 14:22
- Località: Mirano (VE)
Re: Triamp con GU50 e KT88
solo che non saprei come farle le grafiche così sull'inox 
CHE DIO B'ASSISTA!
- Kagliostro
- Amministratore

- Messaggi: 9949
- Iscritto il: 03/12/2007, 0:16
- Località: Prov. di Treviso
Re: Triamp con GU50 e KT88
Alor, per il pitonato ............... Beh se a DOM piace, allora è BELLA !
di sicuro non si tratta di una testata anonima
per il Mesa stile tigrato ............Ammazza che figata !
---
Per quanto riguarda le scritte un'idea ce l'avrei, ma non so se funge anche sull'inox o solo sull'alluminio
https://cnc-plus.de/Materials---Accesso ... inum-.html
o per dirla meglio, questo prodotto è per alluminio, chissà se ce n'è anche per inox
K
di sicuro non si tratta di una testata anonima
per il Mesa stile tigrato ............Ammazza che figata !
---
Per quanto riguarda le scritte un'idea ce l'avrei, ma non so se funge anche sull'inox o solo sull'alluminio
https://cnc-plus.de/Materials---Accesso ... inum-.html
o per dirla meglio, questo prodotto è per alluminio, chissà se ce n'è anche per inox
K
Re: Triamp con GU50 e KT88
Se si va sull'acciaio c'è la possibilità di fare una sorta di serigrafia con dei macchinari particolari, oppure fare una specie di sabbiatura per le scritte e poi colorarle. Ma una cosa è certa: a meno che non si abbiano forni e vernici bicomponenti particolari, risulta alquanto difficoltoso farlo con le nostre mani.
Almeno, questo è ciò che mi è stato detto da chi mi dovrebbe fare il taglio a laser e le scritte da mio progetto.
Qualche info sporadica:
https://www.google.it/url?sa=t&source=w ... vK8z76RTpg
https://www.google.it/url?sa=t&source=w ... VUVN7e0LIQ
Almeno, questo è ciò che mi è stato detto da chi mi dovrebbe fare il taglio a laser e le scritte da mio progetto.
Qualche info sporadica:
https://www.google.it/url?sa=t&source=w ... vK8z76RTpg
https://www.google.it/url?sa=t&source=w ... VUVN7e0LIQ
Re: Triamp con GU50 e KT88
Ciao ragazzi.
I lavori procedono a rilento ma procedono.
Alcune foto con lo chassis di prova: Pare che le misure stabilite in modo "virtuale" vadano bene. Ho cambiato la disposizione dei tonestack e li ho messi volutamente sotto rispetto a come erano concepiti perchè ho ritenuto meglio far lavorare gain e volumi il più vicino possibile alle valvole.
I lavori procedono a rilento ma procedono.
Alcune foto con lo chassis di prova: Pare che le misure stabilite in modo "virtuale" vadano bene. Ho cambiato la disposizione dei tonestack e li ho messi volutamente sotto rispetto a come erano concepiti perchè ho ritenuto meglio far lavorare gain e volumi il più vicino possibile alle valvole.
Re: Triamp con GU50 e KT88
Lo chassis è stato dipinto con una bomboletta di zinco sprai perchè dopo aver ( violentato) fatto buchi alla buona e meglio con diversi errori ( basta vedere i fori per gli zoccoli delle GU50. Non avevo voglia di comprare una fresa a tazza da 46! ) volevo mascherare un pò i graffi e quant'altro.
Ma rimane sempre uno chassis da battaglia e se devo spostare o cambiare qualcosa, posso sempre intervenire.
Ma rimane sempre uno chassis da battaglia e se devo spostare o cambiare qualcosa, posso sempre intervenire.
-
MapleMarco
- Roger Mayer Jr.

- Messaggi: 2658
- Iscritto il: 02/06/2012, 14:22
- Località: Mirano (VE)
Re: Triamp con GU50 e KT88
alla faccia quante manopole
sono sempre più curioso di vederlo finito sto ampli!!
magari poterlo pure provare poi!!
complimenti!
sono sempre più curioso di vederlo finito sto ampli!!
magari poterlo pure provare poi!!
complimenti!
CHE DIO B'ASSISTA!
